ΗΥ-120: Ψηφιακή Σχεδίαση
Φθινόπωρο 2012
Τμ. Επ. Υπολογιστών
© Πανεπιστήμιο Κρήτης

Εργαστήριο 0:
Ηλεκτρικά Κυκλώματα, LED, και Διακόπτες

Τετάρτη 26 - Παρασκευή 28 Σεπτεμβρίου 2012 (βδομάδα 1)
[Up - Table of Contents]
 
[printer version - PDF]
[1. Switch Logic - Next]

0.1   Ηλεκτρικά Κυκλώματα

Οι υπολογιστές και οι άλλες ψηφιακές ηλεκτρονικές συσκευές λειτουργούν με την κυκλοφορία ηλεκτρισμού (ηλεκτρικών φορτίων - βασικά ελεύθερων ηλεκτρονίων) μέσα σε ηλεκτρικά κυκλώματα - μέσα από σώματα που επιτρέπουν τη διέλευση των ηλεκτρικών φορτίων από μέσα τους, δηλαδή είναι καλοί αγωγοί του ηλεκτρισμού. Στις συνήθεις, απλές περιπτώσεις (οποτεδήποτε μπορούμε να αγνοήσουμε την ηλεκτρική χωρητικότητα), οι συσσωρεύσεις φορτίου σε ορισμένο σημείο ή περιοχή είναι μηδαμινές, κι έτσι γιά οσοδήποτε φορτίο μπαίνει από κάπου σε μιά περιοχή του χώρου, άλλο τόσο φορτίο πρέπει και να βγαίνει από κάπου αλλού από αυτή την περιοχή. Έτσι, τελικά, το μόνο που μπορεί να κάνει το ηλεκτρικό φορτίο είναι να κυκλοφορεί, κινούμενο από σημείο σε σημείο πάνω σε κλειστές (κυκλικές) διαδρομές, και όχι απλά να μετακινείται από το ένα σημείο στο άλλο χωρίς "επιστροφή" από κάπου αλλού στο αρχικό σημείο "εκκίνησής" του. Τέτοιες κλειστές (κυκλικές) διαδρομές πάνω στις οποίες μπορούν να κινούνται ηλεκτρικά φορτία λέγονται ηλεκτρικά κυκλώματα.

Η ροή ηλεκτρισμού μέσα από ηλεκτρικούς αγωγούς (συνήθως μεταλλικά σύρματα) μοιάζει εξαιρετικά με τη ροή νερού (ή άλλων ρευστών) μέσα από υδραυλικούς σωλήνες, και η ομοιότητα αυτή είναι πάρα πολύ χρήσιμη στην κατανόηση της λειτουργίας των ηλεκτρικών κυκλωμάτων και κατ' επέκταση και των ηλεκτρονικών συσκευών - ψηφιακών και μη. Μιά σημαντική διαφορά που πρέπει πάντα να θυμόμαστε είναι ότι ο αέρας είναι καλός μεν αγωγός του νερού, αλλά (πολύ) κακός αγωγός (δηλαδή μονωτής) του ηλεκτρισμού (εκτός όταν υπάρχει πάρα πολλή υγρασία και υψηλές ηλεκτρικές τάσεις, όπως στις καταιγίδες με αστραπές και κεραυνούς).

Έτσι, σε πολλές υδραυλικές εγκαταστάσεις, υπάρχει μεν ένας σωλήνας τροφοδοσίας του νερού, χωρίς όμως να υπάρχει εμφανής εγκατάσταση επιστροφής του νερού (αποχέτευση): το νερό κυκλοφορεί (επιστρέφει) εμμέσως - βγαίνει από τη βρύση, περνάει από τον αέρα, πέφτει στο πάτωμα, ρέει εκεί, απορροφάται από το χώμα, καταλήγει σε ποτάμια και θάλασσες, εξατμίζεται σε σύννεφα, πέφτει σαν βροχή, και το ξανασυλλέγουν οι εταιρείες ύδρευσης γιά να μας το ξαναστείλουν στην ίδια βρύση μας.... Τελικά, κυκλοφορία και πάλι γίνεται, αλλά (α) δεν είναι τόσο εμφανής, και (β) υπάρχει και αποθήκευση νερού, που στα ηλεκτρικά φορτία είναι σπανιότερη.

Αντιθέτως, ο ηλεκτρισμός μπορεί να περνάει μόνο μέσα από αγωγούς όπως τα μεταλλικά σύρματα. Στο υδραυλικό μας ανάλογο είναι σαν τα πάντα να γίνονται μέσα στο βράχο --βράχο σκληρό και αδιαπέραστο από το νερό! Ο σωλήνας παροχής νερού είναι σαν μιά τρύπα μέσα στο βράχο, από την οποία μπορεί να περάσει και να μας έλθει νερό. Εάν όμως η τρύπα αυτή απλώς τελειώνει και σταματά κάπου, είναι αδύνατον να υπάρξει ροή και κυκλοφορία νερού, διότι το νερό είναι ασυμπίεστο και δεν έχει πού να πάει και από πού να φύγει. Γιά να μπορέσει να κινηθεί, να περάσει, να ρεύσει το νερό, πρέπει η τρύπα να συνεχίζεται --σαν αποχέτευση-- και να επιστρέφει κάποτε στην αρχική τρύπα τροφοδοσίας του νερού --υποτίθεται και με κάποια αντλία κάπου, που να το κάνει το νερό να κινείται - η "αντλία" στον ηλεκτρισμό είναι η μπαταρία ή η ΔΕΗ.

Στα ψηφιακά κυκλώματα χρησιμοποιούμε συνεχώς διακόπτες --ηλεκτρομηχανικούς, με σύρματα που κινούνται και άλλοτε κάνουν επαφή ενώ άλλοτε όχι, ή ηλεκτρονικούς, με transistors. Οι διακόπτες είναι σαν τις βρύσες, που άλλοτε αφήνουν το νερό να περάσει, με συνεχόμενες τρύπες γιά τη δίοδό του, και άλλοτε το σταματούν, φράσσοντάς του το δρόμο. Ένα θέμα ορολογίας που μπορεί να μας μπερδέψει είναι ότι "ανοικτό κύκλωμα" είναι ένας κύκλος που το έχουμε ανοίξει, δηλαδή κόψει, και τα σύρματά του ΔΕΝ κάνουν επαφή, επομένως ΔΕΝ μπορούν να περάσουν (κυκλοφορήσουν) ηλεκτρικά φορτία. Αντίθετα, "ανοικτή βρύση" λέμε τη βρύση από την οποία περνάει (ρέει) νερό. Κατ' αντιστοιχία, "κλειστό κύκλωμα" είναι ένας κύκλος κλειστός, όπου τα σύρματα κάνουν παντού (γύρω-γύρω) επαφή, και άρα μπορούν να ρέουν ηλεκτρικά φορτία, ενώ "κλειστή βρύση" λέμε αυτήν που ΔΕΝ τρέχει νερό.

Γιά να αποφύσουμε τέτοιες παρεξηγήσεις, θα αποφεύγουμε τους όρους "ανοικτός" και "κλειστός διακόπτης", και θα προτιμάμε τους εξής: Αναμένος διακόπτης, ή διακόπτης ON είναι αυτός που τα σύρματά του κάνουν ηλεκτρική επαφή, και άρα από μέσα του μπορούν να περάσουν ηλεκτρικά φορτία (ρεύμα). Σβηστός διακόπτης, ή διακόπτης OFF είναι εκείνος που τα σύρματά του ΔΕΝ κάνουν ηλεκτρική επαφή, και άρα από μέσα του ΔΕΝ μπορεί να περάσει ηλεκτρικό φορτίο (ρεύμα).

0.2   Ρεύμα (όπως Παροχή), Τάση (όπως Πίεση), και Αντίσταση

Τα βασικά γιά εμάς μεγέθη των ηλεκτρικών κυκλωμάτων είναι το ηλεκτρικό ρεύμα (electric current, or current intensity), συμβολιζόμενο με I, ανάλογο της υδραυλικής παροχής, και η ηλεκτρική τάση (electric voltage, or tension, or potential), συμβολιζόμενο με V, ανάλογο της υδραυλικής πίεσης. Το ηλεκτρικό ρεύμα είναι το πόσο ηλεκτρικό φορτίο (charge) περνάει ανά μονάδα χρόνου μέσα από ένα σύρμα, και μετριέται σε Amperes, συμβολιζόμενο A, που είναι 1 Coulomb ανά δευτερόλεπτο, ή πιό συχνά γιά εμάς σε χιλιοστά του, mA (milli-Ampere), ή και σε εκατομμυριοστά του, μA (micro-Ampere). Είναι ανάλογο προς την υδραυλική παροχή, δηλαδή πόσος όγκος νερού περνάει ανά μονάδα χρόνου μέσα από ένα σωλήνα, μετρουμένη π.χ. σε λίτρα ανά δευτερόλεπτο ή κυβικά μέτρα ανά ώρα. Η ηλεκτρική τάση, ή ακριβέστερα η διαφορά ηλεκτρικής τάσης (ή δυναμικού) μεταξύ δύο σημείων, υποδεικνύει πόσο ισχυρό ηλεκτρικό πεδίο υπάρχει μεταξύ αυτών των σημείων, και είναι η ενέργεια που παράγεται ανά μονάδα φορτίου όταν το φορτίο αυτό κινείται μεταξύ των δύο αυτών σημείων. Μετριέται σε Volt, συμβολιζόμενα V, ή καμιά φορά γιά εμάς σε χιλιοστά τους, mV (milli-Volt). Είναι ανάλογη προς την υδραυλική πίεση, δηλαδή πόση δύναμη ανά μονάδα επιφανείας ασκεί το νερό στα τοιχώματα του σωλήνα, μετρούμενη συχνά σε "Ατμόσφαιρες" ή bar.

Γιά να καταλάβουμε τη διαφορά ρεύματος (παροχής) και τάσης (πίεσης) ας εξετάσουμε περιπτώσεις που το καθένα τους είναι μικρό ή μεγάλο, ενώ το άλλο μπορεί ανεξάρτητα να είναι είτε μικρό είτε μεγάλο. Μιά μικρή υδραυλική πίεση είναι π.χ. αυτή που προκύπτει από νερό ύψους (βάθους) μισού μέτρου. Ας φανταστούμε έναν κουβά βάθους μισού μέτρου, γεμάτο με νερό, και που έχει στον πάτο του μιά μικρή τρυπίτσα που στάζει. Από την τρύπα αυτή βγαίνει νερό με μικρή πίεση (1/20 της ατμόσφαιρας) και με πολύ μικρή παροχή (π.χ. ένα λίτρο την ώρα). Επειδή η πίεση είναι μικρή, μπορούμε εύκολα να σταματήσουμε τη διαρροή πιέζοντας το δάκτυλό μας πάνω στην τρύπα. Από την άλλη, ας φανταστούμε ένα ποτάμι που πλημμύρισε μετά από μιά καταιγίδα, ξεχειλίζοντας κατά μισό μέτρο πάνω από τις όχθες του. Παρ' ότι η πίεση του νερού είναι πάλι μικρή (1/20 της ατμόσφαιρας), όμως η παροχή του είναι τεράστια --π.χ. εκατοντάδες κυβικά μέτρα το λεπτό, πλημμυρίζοντας τάχιστα ολόκληρα οικοδομικά τετράγωνα! Στον ηλεκτρισμό, σχετικά μικρές τάσεις είναι αυτές που δίνουν π.χ. οι μπαταρίες --ας σκεφτούμε μιά μπαταρία αυτοκινήτου των 12 Volt. Εάν σε αυτήν συνδέσουμε μιά μικρή λαμπίτσα, θα περάσει ένα μικρό ρεύμα, γύρω στα 0.2 A (200 mA). Εάν, από την άλλη, την βραχυκυκλώσουμε με ένα χοντρό σύρμα (ΜΗΝ το κάνετε --είναι επικίνδυνο και καταστροφικό!), θα προκληθεί ένας τεράστιος σπινθήρας εκατοντάδων Amperes!

Ας σκεφτούμε τώρα ψηλές πιέσεις και ψηλές τάσεις. Ένας κεντρικός σωλήνας ύδρευσης σε μιά πόλη έχει συνήθως ψηλή πίεση (πολλές ατμόσφαιρες). Εάν αποκτήσει έστω και μιά πολύ μικρή τρυπίτσα, από αυτήν βγαίνει ένας μικρός πίδακας νερού που πετιέται σε μεγάλο ύψος. Η παροχή νερού αυτού του πίδακα μπορεί να μην είναι μεγάλη (είναι πολύ λεπτός, και θα του έπαιρνε αρκετή ώρα να γεμίσει ένα ποτήρι νερό), αλλά η πίεση είναι μεγάλη, και αν προσπαθούσαμε να κλείσουμε την τρυπίτσα πιέζοντας σε αυτήν το δάκτυλό μας, πολύ δύσκολα θα το καταφέρναμε --και αν... Από την άλλη, εάν αυτός ο ίδιος κεντρικός σωλήνας ύδρευσης σπάσει, θα ξεχυθούν πολύ μεγάλες ποσότητες (παροχή) νερού, και με μεγάλη πίεση. Και σαν ένα ακραίο παράδειγμα, αν ποτέ (ο μη γένητο!) έσπαζε ένα υδροηλεκτρικό φράγμα, θα ξεχύνονταν με καταστροφική μανία τεράστια παροχή νερού με πολύ μεγάλη πίεση! Στον ηλεκτρισμό, πολύ μεγάλες τάσεις έχουν οι μεγάλες γραμμές μεταφοράς της ΔΕΗ (οι πολύ ψηλοί στύλοι): δεκάδες ή εκατοντάδες χιλιάδες Volt! Εάν οι μονωτήρες αυτών των γραμμών πιάσουν λάσπη (από τη σκόνη του καλοκαιριού και ένα πρωτοβρόχι), τότε από τη λάσπη αυτή περνάει ένα σχετικά μικρό ρεύμα διαρροής. Εάν από την άλλη πέσει ένα μεταλλικό αντικείμενο και βραχυκυκλώσει δύο σύρματα αυτών των γραμμών, τότε περνάνε χιλιάδες Amperes, και οι σχετικοί σπινθήρες μπορούν να προκαλέσουν μεγάλες πυρκαγιές! Ακόμα πιό ακραία, ένας κεραυνός είναι εκατομμύρια Volt και χιλιάδες Amperes....

Από τα παραπάνω παραδείγματα, καταλαβαίνουμε ότι η ίδια, δεδομένη πίεση μπορεί να προκαλέσει διαφορετικές παροχές, ανάλογα από πού βρίσκει διέξοδο το νερό. Έτσι, στο σπίτι μας, με μιά πίεση νερού ας πούμε 4 ατμόσφαιρες, μπορούμε να ανοίξουμε μιά βρύση ελάχιστα (ίσα-ίσα να στάζει), και να χρειαστεί μιά ώρα γιά να γεμίσει ένα μπουκάλι του ενός λίτρου, ή να την ανοίξουμε εντελώς και να γεμίσει το μπουκάλι σε λίγα δευτερόλεπτα! Λέμε ότι στη μεν πρώτη περίπτωση η βρύση παρουσιάζει μεγάλη αντίσταση στη διέλευση (ροή) του νερού (αφήνει να περνάει πολύ λίγο νερό - πολύ μικρή παροχή), στη δε δεύτερη περίπτωση η βρύση παρουσιάζει μικρή αντίσταση (αφήνει να περνά ελεύθερα το νερό). Ομοίως στον ηλεκτρισμό, μιά ηλεκτρική αντίσταση (resistance) R, στα άκρα της οποίας εφαρμόζεται τάση V, αφήνει να περνά από μέσα της ηλεκτρικό ρεύμα I = V/R (μεγάλη αντίσταση στη διέλευση ρεύματος αφήνει μικρό ρεύμα να περνά, μικρή αντίσταση αφήνει μεγάλο ρεύμα να περνά). Οι ηλκετρικές αντιστάσεις μετριούνται σε Ohm, συμβολιζόμενα Ω, και 1 Ω = 1 V / 1 A. Στο παραπάνω παράδειγμά μας με την μικρή λαμπίτσα στη μπαταρία αυτοκινήτου, η λαμπίτσα θα είχε αντίσταση 60 Ω, οπότε με την τάση 12 V της μπαταρίας αυτοκινήτου θα περάσουν από μέσα της: 12 V / 60 Ω = 1/5 A = 0.2 A = 200 mA. Ένα βραχυκύκλωμα (σύρμα) μπορεί να έχει αντίσταση 0.1 Ω (ή και μικρότερη!), οπότε με την τάση 12 V θα περάσουν 12 V / 0.1 Ω = 120 A (ή και περισσότερα!).

Η ηλεκτρική τάση, το ηλεκτρικό φορτίο, και το ρεύμα σχετίζονται με την ηλεκτρική ενέργεια και ισχύ. Φορτίο 1 Coulomb κινούμενο μεταξύ δύο σημείων με διαφορά τάσης 1 Volt παράγει ή απορροφά ενέργεια 1 Joule. Εάν η κίνηση αυτή γίνει σε 1 δευτερόλεπτο, τότε το ρεύμα είναι 1 Cb / 1 s = 1 A, και η ισχύς είναι 1 J / 1 s = 1 Watt. Η ηλεκτρική ενέργεια είναι φορτίο επί τάση, και διαιρώντας διά τη χρονική διάρκεια του φαινομένου προκύπτει ότι η ηλεκτρική ισχύς είναι ρεύμα επί τάση. Η παραπάνω μικρή λαμπίτσα στη μπαταρία του αυτοκινήτου λάμπει με 0.2 A * 12 V = 2.4 Watt. Ο σπινθήρας του βραχυκυκλώματος παράγει τουλάχιστο 120 A * 12 V = 1440 Watt. Ένας σύγχρονος επεξεργαστής π.χ. με τάση τροφοδοσίας 1.2 V, εάν "τραβάει" ρεύμα 20 A, τότε ξοδεύει ισχύ 20 A * 1.2 V = 24 Watt. Και ένα "μάτι" ηλεκτρικής κουζίνας των 2200 W (= 2.2 kW) που τροφοδοτείται από τη ΔΕΗ με 220 Volt, "τραβάει" ρεύμα 2200 W / 220 V = 10 Amperes (άρα εάν βάζατε αυτή την κουζίνα σε μίαν απλή ηλεκτρική γραμμή με προδιαγραφές γιά μόνο 16 A --και την ανάλογη ασφάλεια-- και ανάβατε ταυτόχρονα δύο τέτοια μάτια, αυτά θα σας έκαιγαν (έριχναν) την ασφάλεια).

Πείραμα 0.3:   Αντιστάσεις εν Σειρά και εν Παραλλήλω

Photograph of lab RIV board with 2 resistors in series Στο εργαστήριο θα βρείτε πλακέτες όπως η εικονιζόμενη δεξιά. Αυτές έχουν, στην αριστερή πλευρά, μία τροφοδοσία που μπορείτε να την ρυθμίσετε μεταξύ περίπου 1 και 10 Volt. Το κάτω αριστερό όργανο (βολτόμετρο) σας δείχνει την τάση της πηγής. Οι ακροδέκτες της πηγής είναι ο μαύρος κάτω (αρνητικός - ground - G-), και ο κόκκινος πάνω αριστερά (θετικός - source - S+). Η πηγή δίνει ρεύμα κατά την συμβατική "θετική" φορά (αντίθετα προς την φορά κίνησης των --αρνητικά φορτισμένων-- ηλεκτρονίων) που βγαίνει από τον θετικό (κόκκινο) ακροδέκτη της, και επιστρέφει (μπαίνει) από τον αρνητικό (μαύρο). Το όργανο πάνω αριστερά (μιλιαμπερόμετρο) μετράει αυτό το ρεύμα της πηγής. Στην πλακέτα, δεξιά, υπάρχουν τρείς λαμπίτσες-αντιστάσεις, καθεμιά με τους δύο ακροδέκτες της και ένα μιλιαμπερόμετρο που μετράει το ρεύμα της, ασύνδετες μεταξύ τους και με την πηγή. Επίσης υπάρχει, στη μέση κάτω, κι ένα βολτόμετρο που μετράει τη διαφορά τάσης μεταξύ οιουδήποτε σημείου αγκίξετε με τον κόκκινο μυτερό ηλεκτρόδιό του, και της "γείωσης" - αρνητικού άκρου της τροφοδοσίας (μαύρο G-).

Συνδέστε στην αρχή μία λαμπίτσα-αντίσταση στην πηγή, και μετρήστε το ρεύμα που την διαρρέει γιά διάφορες τάσεις τροφοδοσίας. Φυσικά, γιά να "κλείσει κύκλωμα", πρέπει να συνδέσετε τον έναν ακροδέκτη, απ' όπου θα μπαίνει το ρεύμα, στον θετικό (κόκκινο) πόλο της πηγής, ΚΑΙ τον άλλον ακροδέκτη, απ' όπου θα βγαίνει το ρεύμα, στον αρνητικό (μαύρο) πόλο της πηγής. Πειραματιστείτε συνδέοντας ανάποδα τη λαμπίτσα, και δείτε ότι η φορά του ρεύματος αντιστρέφεται. Παρατηρήστε πώς ποικίλει η ψωτεινότητα την λάμπας με την τάση-ρεύμα, και ότι το ρεύμα είναι σχεδόν ανάλογο προς την τάση (δεν είναι εντελώς ανάλογο διότι η αντίσταση του νήματος μεγαλώνει στις ψηλές θερμοκρασίες). Περίπου πόσα Ohm (Ω) αντίσταση έχει η λαμπίτσα;

Συνδέστε στη συνέχεια δύο λαμπίτσες-αντιστάσεις εν σειρά, όπως φαίνεται στην παραπάνω φωτογραφία. Λέμε ότι δύο στοιχεία ενός κυκλώματος είναι συνδεδεμένα "εν σειρά" όταν διαρρέονται από το ίδιο ρεύμα, δηλαδή όλο το φορτίο που βγαίνει από το ένα μπαίνει στο δεύτερο, διότι δεν έχει πού αλλού να πάει --δεν υπάρχει ενδιάμεση διακλάδωση γιά να φύγει μέρος του ρεύματος. Κανονικά, τα αμπερόμετρα των δύο αντιστάσεων και της πηγής πρέπει όλα να δείχνουν το ίδιο ρεύμα, πάντα (αλλά τα όργανα αυτά δεν είναι ακριβείας, κι έτσι μπορεί να υπάρχουν αποκλίσεις). Μετρήστε την τάση στα διάφορα σημεία. Όπως και με την δυναμική ενέργεια της βαρύτητας, οι διαφορές ηλεκτρικού δυναμικού (τάσης) είναι αθροιστικές πάνω σε μία διαδρομή. Ελέγξτε ότι η διαφορά τάσης ανάμεσα στα δύο άκρα της κάθε λαμπίτσας είναι περίπου η ίδια, επειδή έχουν περίπου ίδιαν αντίσταση και διαρρέονται από το ίδιο ρεύμα· επομένως, καθεμιά τους είναι περίπου το μισό από την τάση της πηγής.
Photo of lab RIV board with 2 resistors in parallel

Εν συνεχεία, συνδέστε τις δύο λαμπίτσες-αντιστάσεις εν παραλλήλω, όπως στη φωτογραφία δεξιά. Λέμε ότι δύο στοιχεία ενός κυκλώματος συνδέονται "εν παραλλήλω" όταν και οι δύο ακροδέκτες του ενός συνδέονται στους δύο ακροδέκτες του άλλου, με αποτέλεσμα στις άκρες τους και των δύο να επικρατεί η ίδια τάση (διαφορά δυναμικού). Στην περίπτωση αυτή, ό,τι φορτίο βγαίνει από την τροφοδοσία μοιράζεται, ένα μέρος στη μία αντίσταση και το υπόλοιπο στην άλλη. Άρα, το ρεύμα της πηγής θα είναι το άθροισμα των ρευμάτων των δύο αντιστάσεων --ελέγξτε το αυτό, με τα αμπερόμετρα. Γιατί οι λάμπες σε αυτή την περίπτωση ανάβουν πιό δυνατά απ' ό,τι στην προηγούμενη;

Πειραματιστείτε αλλάζοντας διάφορες συνδέσεις. Πότε "κλείνει κύκλωμα" (και περνάει ρεύμα) και πότε όχι; Συνδέστε διάφορες αντιστάσεις ευθέως ή ανάποδα, και παρατηρήστε θετικά και αρνητικά ρεύματα. Συνδέστε και τις τρείς λαμπίτσες-αντιστάσεις, με όσους τρόπους μπορείτε: εν σειρά και οι τρείς, εν παραλλήλω και οι τρείς, δύο εν σειρά και η τρίτη εν παραλλήλω με τις δύο, ή δύο εν παραλλήλω και η τρίτη εν σειρά με τις δύο. Μετρήστε όλα τα ρεύματα και τις τάσεις, και δείτε ποιών το άθροισμα ισούται με ποιό άλλο. Με τι ένταση ανάβουν οι διάφορες λάμπες, και γιατί;

Τέλος, θα βρείτε στο εργαστήριο και ένα καλώδιο σύνδεσης που έχει μιά δίοδο στη μέση, συμβολιζόμενη με ένα βέλος και μία γραμμή. Η δίοδος είναι φτιαγμένη από ημιαγωγούς --όπως και τα transistors-- και έχει την ιδιότητα να επιτρέπει τη ροή του ρεύματος μόνο στη μία κατεύθυνση και όχι ανάποδα. Είναι αντίστοιχη με την υδραυλική "βαλβίδα αντεπιστρέπτου ροής". Στα παραπάνω κυκλώματά σας, αντικαταστήστε διάφορα απλά καλώδια με το καλώδιο διόδου, στις δύο κατευθύνσεις κάθε φορά, και δείτε πότε περνάει ρεύμα και προς τα πού και πότε όχι. Μετρήστε την "πτώση τάσης" (που δίνει απώλειες ενέργειας) πάνω στην δίοδο.

Photograph of laboratory experimentation setup 0.4   Η Βάση Πειραμάτων

Οι περισσότερες εργαστηριακές ασκήσεις του μαθήματος θα γίνουν πάνω στη βάση πειραμάτων που φαίνεται στη επόμενη φωτογραφία. Αυτή περιλαμβάνει, ξεκινώντας από εμπρός (κάτω) αριστερά, μιάν αλουμινένια γειωμένη πλακέτα. Όπως θα πούμε αργότερα, θα πρέπει να ακουμπάτε το χέρι σας σ' αυτήν γιά να εκφορτίζετε το στατικό ηλεκτρισμό του σώματός σας πριν ακουμπήσετε ολοκληρωμένα κυκλώματα (chips) τύπου CMOS που είναι ευαίσθητα στον στατικό ηλεκτρισμό. Αμέσως δεξιά από τη γειωμένη πλακέτα υπάρχει η πλακέτα γενικών συνδέσεων ("breadboard"), μία άσπρη τρυπητή πλαστική βάση, την οποία θα χρησιμοποιήσετε σήμερα και την οποία περιγράφουμε παρακάτω στην § 0.2.

Εμπρός (κάτω) δεξιά υπάρχει η πλακέτα εισόδων/εξόδων: μιά πράσινη πλακέτα τυπωμένων κυκλωμάτων (PCB - printed circuit board) που έχει επάνω ολοκληρωμένα κυκλώματα (chips), κουμπιά (διακόπτες), ένα μικρό πληκτρολόγιο, ενδεικτικές λυχνίες LED, μία μικρή οθόνη υγρών κρυστάλλων (LCD - liquid crystal display), και ακροδέκτες συνδέσεων. Την πλακέτα αυτή θα την χρησιμοποιείτε σε επόμενες σειρές εργαστηριακών ασκήσεων γιά να δίνετε εισόδους στο κύκλωμά σας και γιά να παρακολουθείτε τις εξόδους του. Στο σημερινό εργαστήριο δεν θα την χρησιμοποιήσουμε: μην την ακουμπάτε, και κυρίως μην ακουμπάτε σύρματα πάνω της --κίνδυνος βραχυκυκλώματος!

Τέλος, πίσω (πάνω) δεξιά υπάρχει το τροφοδοτικό (power supply), ένα μαύρο κουτί με ένα διακόπτη και μία κόκκινη ενδεικτική λυχνία, το οποίο αποτελεί την ηλεκτρική παροχή των κυκλωμάτων μας. Αυτό έχει μέσα του ένα μετασχηματιστή (transformer) γιά την αλλαγή από 220 Volt σε χαμηλή τάση, έναν ανορθωτή (rectifier) γιά την αλλαγή από εναλλασσόμενο ρεύμα (AC - alternating current) σε συνεχές ρεύμα (DC - direct current), και έναν ρυθμιστή τάσης (voltage regulator) που εξομαλύνει σε μεγάλο βαθμό τη στιγμιαία τάση εξόδου και την ρυθμίζει πολύ κοντά στα πέντε (5) Volt. Ο ρυθμιστής έχει και ενσωματωμένη προστασία υπερφόρτωσης (overload protection): όταν το ρεύμα που "τραβά" ο χρήστης (πλακέτα εισόδων/εξόδων και πλακέτα συνδέσεων) υπερβεί σημαντικά τα 3 Ampere, ο ρυθμιστής διακόπτει την παροχή, ρίχνοντας (σχεδόν) στο μηδέν την τάση τροφοδοσίας ούτως ώστε η καταναλούμενη ισχύς να μην υπερβαίνει ποτέ κατά πολύ τα 15 Watt, προκειμένου να αποφευχθούν υπερθερμάνσεις. Η τάση τροφοδοσίας μεταφέρεται με τα κόκκινα και μαύρα καλώδια στην πλακέτα εισόδων/εξόδων και στην πλακέτα συνδέσεων· το κόκκινο χρώμα συμβολίζει τον θετικό πόλο της τροφοδοσίας (+5 V), και το μαύρο χρώμα συμβολίζει τον αρνητικό πόλο (0 V, ή "γείωση" - ground).

Εάν κατά λάθος βραχυκυκλώσετε, στην πλακέτα συνδέσεων, το θετικό με τον αρνητικό πόλο της τροφοδοσίας, θα δείτε την πλακέτα εισόδων/εξόδων να σβήνει --ένδειξη ότι η προστασία υπερφόρτωσης μηδένισε την τάση τροφοδοσίας (κάτι σαν να "ρίξατε την ασφάλεια")· απομακρύνοντας το βραχυκύκλωμα, η τάση τροφοδοσίας επανέρχεται από μόνη της. Ο διακόπτης πάνω στο τροφοδοτικό χρησιμοποιείται γιά να σβήνετε την τάση τροφοδοσίας· όποτε κάνετε αλλαγές στο κύκλωμά σας (συνδέσεις - αποσυνδέσεις), κρατάτε την τροφοδοσία σβηστή.

Photograph of a portion of the breadboard Internal connections among breadboard pins 0.5   Η Πλακέτα Συνδέσεων

Στη φωτογραφία φαίνεται ένα μέρος από την πλακέτα γενικών συνδέσεων (breadboard), από τη μέση αριστερά της. Κάθε τρυπίτσα αυτής της πλακέτας έχει μέσα δύο μεταλλικά ελάσματα, σαν μικρή πρίζα· όταν βάλουμε ένα λεπτό σύρμα μέσα στην τρύπα, τα ελάσματα κάνουν επαφή με αυτό το σύρμα. Τα ελάσματα της κάθε κατακόρυφης πεντάδας γειτονικών τρυπών είναι ενωμένα μεταξύ τους, όπως δείχνει το σχηματικό διάγραμμα, δίνοντας μας επομένως τη δυνατότητα να ενώνουμε ηλεκτρικά μεταξύ τους έως πέντε σύρματα ή ακροδέκτες συσκευών σε κάθε τέτοια στήλη. Ανάμεσα στις στήλες-πεντάδες υπάρχουν οριζόντιες γραμμές χρωματισμένες μπλέ ή κόκκινες· κάθε οριζόντια γραμμή έχει 50 τρύπες --δέκα οριζόντιες πεντάδες. Αυτές οι 50 τρύπες της κάθε γραμμής είναι επίσης ηλεκτρικά ενωμένες μεταξύ τους, απ' άκρη σ' άκρη. Στη βάση πειραμάτων μας, υπάρχουν έτοιμα, κολλημένα, μαύρα και κόκκινα σύρματα που τροφοδοτούν τις μπλέ γραμμές με γείωση (0 V - αρνητικός πόλος τροφοδοσίας) και τις κόκκινες γραμμές με 5 V (θετικός πόλος τροφοδοσίας).

Προσοχή - Θερμή Παράκληση: αγαπάτε και προστατεύετε την περιουσία του εργαστηρίου, κρατάτε το καθαρό και τακτικό, και προσέχετε τι βάζετε μέσα στις τρύπες και πώς το βγάζετε μετά! (Τυχόν αδιαφορία σας στα θέματα αυτά θα τιμωρείται βαθμολογικά.)


Photograph of a LED LED circuit symbol 0.6   Οι Φωτοεκπομποί Δίοδοι (LED)

Η συχνότερη μορφή ενδεικτικής λυχνίας στις σύγχρονες ηλεκτρονικές συσκευές είναι η φωτοεκπομπός δίοδος (LED - light-emitting diode). Η πλακέτα εισόδων/εξόδων στη βάση πειραμάτων (§0.4) έχει κάμποσες τέτοιες στην κάτω αριστερή περιοχή της. Δεξιά φαίνεται μία LED σε φωτογραφία, και δίπλα το ηλεκτρονικό της σύμβολο. Σε αντίθεση με τις πηγές φωτός οικιακής χρήσης, οι LED λειτουργούν με χαμηλή τάση τροφοδοσίας και σε θερμοκρασία περιβάλοντος (αντίθετα από τις λυχνίες πυρακτώσεως), και εκπέμπουν το φώς μέσα από στερεό υλικό (αντίθετα από το αέριο των λυχνιών φθορισμού). Στο εργαστήριό μας θα χρησιμοποιείτε LED's σαν ενδείκτες της τάσης εξόδου των διαφόρων συσκευών, δηλαδή γιά να βλέπετε πότε το κύκλωμά σας βγάζει ψηλή τάση και πότε χαμηλή.

Η φωτεινή πηγή των LED είναι ένας ημιαγωγός που από ηλεκτρική άποψη συμπεριφέρεται σαν δίοδος, δηλαδή άγει ηλεκτρικό ρεύμα προς τη μία κατεύθυνση μόνο και όχι προς την άλλη (η ιδιότητα της μονόδρομης αγωγής ρεύματος δεν είναι κάτι που το επιδιώκουμε γιά τις φωτεινές πηγές --απλώς μας προέκυψε σαν παραπροϊόν των φυσικών ιδιοτήτων αυτού του συγκεκριμένου υλικού παραγωγής φωτός). Έτσι, το σύμβολο της LED στα κυκλώματα, όπως στο παραπάνω σχήμα, είναι το σύμβολο της διόδου --ένα βέλος με μία παύλα μπροστά του-- στο οποίο δίπλα προσθέτουμε ένα "σπινθήρα" γιά να θυμίζει την εκπομπή φωτός. Η δίοδος άγει ρεύμα μόνο κατά την κατεύθυνση του βέλους ("θετικό" ρεύμα συμβατικής φοράς --τα αρνητικώς φορτισμένα ηλεκτρόνια κινούνται προς την αντίθετη κατεύθυνση). Η LED παράγει φώς μόνον όταν διαρρέεται από ρεύμα, δηλαδή το ηλεκτρικό κύκλωμα της παρέχει ενέργεια· επομένως παράγει φώς μόνον όταν η διαφορά δυναμικού (ηλεκτρική τάση) μεταξύ των δύο ακροδεκτών της έχει την πολικότητα που φαίνεται στο σχήμα με τα σύμβολα "+" και "-". Στο εργαστήριο, αυτό σημαίνει ότι οι LED's ανάβουν μόνον όταν τις συνδέουμε με τη σωστή πολικότητα, και όχι ανάποδα! Την πολικότητα μιάς LED την αναγνωρίζουμε από το μήκος των ακροδεκτών της (αρκεί να μην τους έχει κόψει λάθος κανείς απρόσεκτος...): ο μακρύτερος ακροδέκτης πρέπει να είναι σε θετική τάση ως προς τον κοντύτερο, όπως στην παραπάνω φωτογραφία σε σχέση με το σχήμα.

Η LED, όπως και όλοι οι ημιαγωγοί, δεν είναι γραμμική ηλεκτρική αντίσταση, δηλαδή το ρεύμα που την διαρρέει δεν είναι γραμμική συνάρτηση της διαφοράς δυναμικού (τάσης) στα δύο άκρα της (ο λόγος R = V/I δεν είναι σταθερός γιά διάφορες τιμές του V και του I). Συγκεκριμένα, γιά τάσεις V χαμηλότερες από περίπου 1.5 Volt, το ρεύμα είναι σχεδόν μηδενικό και η LED παραμένει σβηστή (στις συνηθισμένες, μη φωτοεκπομπούς διόδους, αυτή η "τάση κατωφλίου" είναι περίπου 0.6 Volt)· φυσικά, το ίδιο ισχύει και γιά όλες τις αρνητικές τάσεις, λόγω της μονόδρομης ιδιότητας της διόδου, εκτός από τις υπερβολικά μεγάλες (κατ' απόλυτη τιμή) αρνητικές (και θετικές) τάσεις, οπότε η LED απλώς "καίγεται". Γιά τάσεις V μεταξύ περίπου 1.6 και 2.0 Volt, η LED διαρρέεται από ρεύμα από 1 έως περίπου 20 mA (milli-Ampere), οπότε και φωτοβολεί απο λίγο έως δυνατά. Με μεγαλύτερες τάσεις στα άκρα της, η LED υπερφορτώνεται: το ρεύμα που την διαρρέει είναι μεγάλο και η LED φθείρεται και "καίγεται", είτε σιγά-σιγά, είτε απότομα.

Photograph of a 220 Ohm resistor Επειδή στα δικά μας κυκλώματα η τάση τροφοδοσίας είναι 5 Volt, δεν μπορούμε να συνδέσουμε κατ' ευθείαν μιά LED στην τάση αυτή προκειμένου να την ανάψουμε, διότι αυτή θα υπερφορτωθεί και θα καεί (αμέσως ή σιγά-σιγά) (αν δείτε μιά κίτρινη LED να βγάζει κόκκινο φώς, και προλάβετε, σβήστε αμέσως το διακόπτη του τροφοδοτικού και ελέγξτε το κύκλωμά σας: μάλλον την έχετε υπερφορτώσει). Γιά να ανάψουμε σωστά λοιπόν μιά LED, συνδέουμε εν σειρά με αυτήν μιά κατάλληλη αντίσταση. Οι συνηθισμένες αντιστάσεις γιά αυτό το σκοπό μοιάζουν όπως στη φωτογραφία δεξιά· η αντίσταση που φαίνεται εδώ έχει τιμή 220 Ω (Ohm), όπως προκύπτει από τα χρώματα που έχει πάνω της: κόκκινο=2, κόκκινο=2, καφέ=101, χρυσό=5% ακρίβεια. (Ό κώδικας χρωμάτων των αντιστάσεων είναι μαύρο=0, καφέ=1, κόκκινο=2, πορτοκαλί=3, κίτρινο=4, πράσινο=5, μπλέ=6, μωβ=7, γκρί=8, άσπρο=9· γιά περισσότερες πληροφορίες δείτε π.χ. http://en.wikipedia.org/wiki/Electronic_color_code).

LED lighting up, driven through a resistor Circuit diagram: LED, fed through a resistor Πείραμα 0.7:   Το άναμα μιάς LED

Κατασκευάστε στο εργαστήριο το κύκλωμα που φαίνεται δεξιά, προκειμένου να τροφοδοτηθεί η LED με το σωστό ρεύμα και να ανάψει κανονικά. Πριν αρχίσετε την κατασκευή του κυκλώματος σβήστε την τάση τροφοδοσίας. Η παχειά τελεία με το "+" στην πάνω άκρη του κυκλώματος συμβολίζει τον θετικό πόλο της τροφοδοσίας (κόκκινες γραμμές στην πλακέτα), ενώ το σύμβολο με τη διαγράμμιση στην κάτω άκρη του κυκλώματος δείχνει την "γείωση", δηλαδή εδώ τον αρνητικό πόλο της τροφοδοσίας (μπλέ και μαύρο χρώμα στην πλακέτα και τα σύρματα). Δεδομένου ότι η τάση τροφοδοσίας είναι 5 Volt και ότι η πτώση τάσης πάνω στην LED είναι περίπου 2 V, μένουν περίπου 3 V πάνω στην αντίσταση των 220 Ω, άρα το ρεύμα I που περνάει από το κύκλωμα θα είναι περίπου 3 V / 220 Ω δηλαδή περίπου 14 mA. Το κύκλωμα φτιάχνεται απλά, όπως δείχνει το σχήμα κάτω και η φωτογραφία, τοποθετόντας τους ακροδέκτες της αντίστασης και της LED σε κατάλληλες τρύπες της πλακέτας συνδέσεων. Προσέξτε το μακρύ πόδι της LED να είναι απο την θετική ("επάνω") πλευρά, και τα πόδια της LED και της αντίστασης που προορίζονται να συνδεθούν μεταξύ τους να είναι στην ίδια κατακόρυφη πεντάδα τρυπών. Όταν τελειώστε την κατασκευή, ανάψτε την τροφοδοσία και ελέξτε ότι η LED ανάβει κανονικά (και όχι υπερβολικά ώστε να καεί).

Photograph of an SPDT button-type switch Circuit symbol of the SPDT button-type switch Πείραμα 0.8:   LED υπό τον Έλεγχο Διακόπτη

Τα ψηφιακά συστήματα, όπως θα πούμε την επόμενη βδομάδα, κατασκευάζονται με κυκλώματα που λειτουργούν σαν διακόπτες. Στα υπόλοιπα σημερινά πειράματα θα χρησιμοποιήσετε διακόπτες σαν αυτόν της φωτογραφίας δεξιά. Πρόκειται γιά διακόπτη τύπου κουμπιού (μπουτόν - button): όταν τον πατάμε αλλάζει κατάσταση, αλλά μόλις τον αφήσουμε ένα ελατήριο τον επαναφέρει στην αρχική του κατάσταση --δηλαδή δεν έχει "μνήμη". Επίσης, πρόκειται γιά διακόπτη με τρείς ακροδέκτες, τύπου SPDT - Single Pole - Double Throw (απλός πόλος - διπλή επαφή)· το ηλεκτρικό σύμβολό του και η λειτουργία του φαίνονται στο σχήμα: όταν πιέζουμε, ο διακόπτης περιστρέφεται γύρω από έναν πόλο, αποκολλάται από μιάν επαφή, και ακουμπάει σε μιάν άλλη. Ο αριστερός ακροδέκτης, P, είναι ο "κοινός" πόλος, και αυτός κάνει συνήθως επαφή με τον ακροδέκτη T0 (δεξιά στη φωτογραφία), ενώ δεν κάνει επαφή με τον T1· όταν όμως πατιέται ο διακόπτης, τότε ο κοινός πόλος P διακόπτει με τον T0 και κάνει επαφή με τον τρίτο ακροδέκτη, T1, στη μέση.

Photograph of switch controlling a LED Circuit for the switch controlling the LED Φτιάξτε στο εργαστήριο το κύκλωμα που φαίνεται στη φωτογραφία δεξιά· πριν αρχίσετε, σβήστε την τροφοδοσία. Παρατηρήστε ότι ο διακόπτης Δ είναι τοποθετημένος "οριζόντια" στην πλακέτα συνδέσεων, ούτως ώστε οι ακροδέκτες του να μπαίνουν σε τρύπες διαφορετικών πεντάδων καθένας· αν τον βάζαμε "κατακόρυφα", οι ακροδέκτες του θα έμπαιναν στην ίδια πεντάδα και οι τρείς, με αποτέλεσμα να βραχυκυκλώνονται μεταξύ τους. Οι αποστάσεις των ακροδεκτών του διακόπτη είναι τέτοιες ώστε αυτοί να μπαίνουν "τρύπα-παρά-τρύπα" στην πλακέτα. Ο πόλος P του Δ, στην αριστερή πεντάδα τρυπών, συνδέεται (με ένα μικρό κόκκινο σύρμα) με την θετική τάση τροφοδοσίας· κατά συνέπεια, ανάλογα με την κατάσταση του διακόπτη, η θετική αυτή τάση τροφοδοσίας θα φτάνει άλλοτε στον ακροδέκτη T0 του διακόπτη και άλλοτε στον T1. Σε αυτό εδώ το πείραμα, το υπόλοιπο κύκλωμα συνδέεται στον T1 και μόνο, στην δεύτερη πεντάδα δεξιά από τον πόλο P· πρόκειται απλώς γιά το κύκλωμα του παραπάνω πειράματος 0.7 γιά το άναμα της LED. Όταν τελειώστε την κατασκευή, ανάψτε την τροφοδοσία και βεβαιωθείτε αμέσως ότι η LED δεν ανάβει υπερβολικά ώστε να καεί.

Photograph of depressed switch lighting up a LED Circuit state with depressed switch lighting up the LED Στο παραπάνω κύκλωμα, αφήνοντας το διακόπτη Δ ελεύθερο (όχι πατημένο), η λυχνία δεν ανάβει, διότι ο πόλος P που έχει την θετική τροφοδοσία δεν κάνει επαφή με τον ακροδέκτη T1 που τροφοδοτεί τη λυχνία (ο P κάνει επαφή με τον T0, αλλά αυτός δεν τροφοδοτεί τίποτα). Αν όμως πατηθεί ο διακόπτης, όπως στη νέα φωτογραφία δεξιά, τότε ανάβει η λυχνία, διότι οι ηλεκτρικές επαφές αλλάζουν όπως φαίνεται στο νέο σχήμα: ο πόλος P τώρα κάνει επαφή με τον ακροδέκτη T1, και μέσω αυτού και της αντίστασης τροφοδοτεί με ρεύμα I την LED· η ένταση I ρυθμίζεται από την αντίσταση των 220 Ω, όπως και παραπάνω (§0.7), αφού ο διακόπτης Δ που μπαίνει εν σειρά με αυτήν έχει μηδαμινή αντίσταση σε σχέση με τα 220 Ω. Συνολικά λοιπόν, σε αυτό το κύκλωμα, βλέπουμε ότι η ενδεικτική λυχνία LED ανάβει όποτε πατιέται ο διακόπτης Δ· επομένως, οι φράσεις "LED ανάβει" και "Δ πατημένος" είναι ισοδύναμες, δηλαδή είναι πάντα ή και οι δύο αληθείς ή και οι δύο ψευδείς --ας το συμβολίσουμε απλά ως εξής:

(LED ανάβει) = (Δ πατημένος)
Idle-side contact of switch lights up a LED Circuit for pin T0 of the switch lighting up the LED

Πείραμα 0.9:   Ακροδέκτης T0 - Λογικό ΟΧΙ

Αφού πρώτα σβήστε την τροφοδοσία, αλλάξτε το προηγούμενο κύκλωμα της §0.8 ούτως ώστε η LED να τροφοδοτείται (πάντα μέσω της γνωστής αντίστασης) από τον ακροδέκτη T0 του διακόπτη αντί από τον T1 όπως πριν. Όπως φαίνεται στη φωτογραφία δεξιά, γιά να το κάνετε αυτό αρκεί να μετακινήστε τον επάνω ακροδέκτη της αντίστασης δύο τρυπίτσες δεξιά. Ανάψτε την τροφοδοσία: τώρα η LED ανάβει με ελεύθερο (όχι πατημένο) το διακόπτη Δ, διότι η τάση τροφοδοσίας, από τον πόλο P, περνά στον ακροδέκτη T0, και από εκεί μέσω της αντίστασης προκαλεί ρεύμα I που διαρρέει και ανάβει την LED.
Idle-side contact of depressed switch Circuit for depressed switch feeding LED through pin T0 Αν τώρα πατηθεί ο διακόπτης Δ, όπως στην επόμενη φωτογραφία, τότε η λυχνία σβήνει, διότι, όπως δείχνει το νέο σχήμα, ο πόλος P αποσυνδέεται από το T0 (και συνδέεται στο T1), κι έτσι δεν υπάρχει ρεύμα προς την LED. Συνολικά λοιπόν, σε αυτό το κύκλωμα, βλέπουμε ότι, αντίστροφα από το προηγούμενο, η ενδεικτική λυχνία LED ανάβει όποτε δεν πατιέται ο διακόπτης Δ. Αυτή είναι η υλοποίηση της πρώτης από τις τρείς βασικές λογικές πράξεις της ψηφιακής σχεδίασης: του Λογικού ΟΧΙ. Τώρα, οι φράσεις "LED ανάβει" και "ο Δ δεν είναι πατημένος" είναι ισοδύναμες, δηλαδή είναι πάντα ή και οι δύο αληθείς ή και οι δύο ψευδείς· μπορούμε να το συμβολίσουμε ως εξής:

(LED ανάβει) = ΟΧΙ (Δ πατημένος)

Πείραμα 0.10:   Διακόπτες εν Σειρά - το Λογικό ΚΑΙ


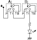
Photo: Two switches in series, both undepressed Circuit for 2 switches in series, both undepressed, & LED Κατασκευάστε το διπλανό κύκλωμα (σβήνοντας πρώτα την τροφοδοσία): επαναφέρετε την αντίσταση στον ακροδέκτη T1 του διακόπτη (έστω ότι είναι ο διακόπτης B στο κύκλωμα), και προσθέστε έναν άλλο διακόπτη, A, εν σειρά με τον B --δηλαδή γιά να περάσει ρεύμα μέσα από το συνδυασμό των δύο διακοπτών πρέπει να περάσει στη σειρά και από τον A και από τον B. Μεταφέρτε την θετική τροφοδοσία (κόκκινο συρματάκι) στον πόλο P του διακόπτη A, και συνδέστε (κίτρινο σύρμα στη φωτογραφία) τον ακροδέκτη T1 του διακόπτη A στον πόλο P του διακόπτη B. Ανάψτε την τροφοδοσία και ελέξτε τη λειτουργία του κυκλώματος.

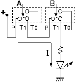
Photo: Two switches in series, only one depressed Circuit for 2 switches in series, one depressed, and LED Όταν οι δύο διακόπτες είναι ελεύθεροι (όχι πατημένοι), όπως στην παραπάνω φωτογραφία, η λυχνία δεν ανάβει, διότι δεν μπορεί να περάσει ρεύμα και να την τροφοδοτήσει, ούτε προς τον ακροδέκτη T1 του διακόπτη A, ούτε αντίστοιχα και στον B. Στη συνέχεια, πατήστε έναν από τους δύο διακόπτες --μόνο τον A, ή, όπως στη δεύτερη φωτογραφία, δεξιά, μόνο τον B· η LED συνεχίζει να μην ανάβει, διότι ναι μεν μπορεί να περάσει ρεύμα απο τον έναν διακόπτη, όμως δεν μπορεί να περάσει από τον άλλον, όπως δείχνει το σχήμα.

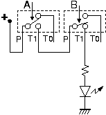
Photo: Two switches in series, both depressed Circuit for 2 switches in series, both depressed, and LED Γιά να περάσει ρεύμα μέσα από την LED και αυτή να ανάψει, υπάρχει ένας και μοναδικός δρόμος, ο οποίος περνάει μέσα από τις επαφές T1 και των δύο διακοπτών, επομένως μπορεί να αποκατασταθεί μόνον όταν πατηθούν και οι δύο διακόπτες, A και B, όπως δείχνει η τρίτη φωτογραφία και το αντίστοιχο σχήμα.

Επομένως, βλέπουμε ότι το κύκλωμα αυτό υλοποιεί τη δεύτερη από τις τρείς βασικές λογικές πράξεις της ψηφιακής σχεδίασης --το Λογικό ΚΑΙ:

(LED ανάβει) = (Α πατημένος) ΚΑΙ (Β πατημένος)

Πότε σβήνει η LED;
Παρατηρήστε ότι στο κύκλωμα αυτό δεν ανάβει η LED όποτε υπάρχει τουλάχιστον ένας διακόπτης που δεν είναι πατημένος, δηλαδή όποτε ή ο A ή ο B (ή και οι δύο) είναι "όχι πατημένος(οι)":

ΟΧΙ (LED ανάβει) =
ΟΧΙ [(Α πατημένος) ΚΑΙ (Β πατημένος)] = [ΟΧΙ (Α πατημένος)] Ή [ΟΧΙ (Β πατημένος)]

Την ιδιότητα αυτή θα την ξαναδούμε αργότερα στο μάθημα με τα ονόματα "Θεώρημα DeMorgan" και "Αρχή του Δυϊσμού". Η λογική πράξη Ή είναι η μορφή της διάζευξης "ή" που σημαίνει "ή ο ένας ή ο άλλος ή και οι δύο", και θα την δούμε στο αμέσως επόμενο πείραμα.

Πείραμα 0.11:   Διακόπτες εν Παραλλήλω - το Λογικό Ή


Photo: Two switches in parallel, both undepressed Circuit for 2 switches in parallel, both undepressed Αλλάξτε τώρα το κύκλωμα (ή φτιάξτε ένα δεύτερο) (αφού κλείστε την τροφοδοσία) ώστε οι δύο διακόπτες, A και B, να συνδέονται εν παραλλήλω, όπως φαίνεται στη φωτογραφία και στο σχήμα δεξιά: το ρεύμα μπορεί να περάσει "παράλληλα" ή από τον έναν, ή από τον άλλον, ή και από τους δύο διακόπτες. Η θετική πηγή, μέσω των δύο κόκκινων καλωδίων, τροφοδοτεί τους πόλους P και των δύο διακοπτών· οι ακροδέκτες T1 των δύο διακοπτών ενώνονται μεταξύ τους με το κίτρινο σύρμα, και επίσης ενώνονται και τροφοδοτούν (ή ο ένας, ή ο άλλος, ή και οι δύο) την αντίσταση και στη συνέχεια την LED. Οι ακροδέκτες T0 είναι ασύνδετοι και δεν χρησιμοποιούνται.

Ανάψτε την τροφοδοσία και ελέξτε τη λειτουργία του κυκλώματος: με τους δύο διακόπτες ελέυθερους (όχι πατημένους), η LED δεν ανάβει --γιά να άναβε θα έπρεπε να περνούσε ρεύμα προς τους ακροδέκτες T1, αλλά με ελεύθερους τους διακόπτες δεν μπορεί να περάσει, ούτε από τον A ούτε από τον B.

Photo: Two switches in parallel, one depressed Circuit for 2 switches in parallel, one depressed Εάν τώρα πατήσουμε έναν διακόπτη, π.χ. τον A όπως στη φωτογραφία και το σχήμα δίπλα, η LED ανάβει, διότι περνάει ρεύμα από τον πόλο P του A προς τον T1 του A και από εκεί προς την αντίσταση και την LED. Το ίδιο συμβαίνει και αν πατήσουμε τον B, διότι περνάει ρεύμα από τον πόλο P του B προς τον T1 του B και από εκεί πάλι προς την LED. Αρκεί να πατηθεί ένας οποιοσδήποτε από τους διακόπτες γιά να ανάψει η LED, επειδή αυτοί συνδέονται εν παραλλήλω: οιοσδήποτε από τους δύο κλείνει κύκλωμα από την θετική τροφοδοσία προς την αντίσταση και την LED. Φυσικά, αν πατηθούν και οι δύο διακόπτες, επίσης θα ανάψει η LED, διότι περνάει ρεύμα και από τους δύο διακόπτες, εν παραλλήλω, προς την LED.

Επομένως, βλέπουμε ότι το κύκλωμα αυτό υλοποιεί την τρίτη από τις τρείς βασικές λογικές πράξεις --το Λογικό Ή, όπου η διάζευξη "ή" σημαίνει "ή ο ένας ή ο άλλος ή και οι δύο":

(LED ανάβει) = (Α πατημένος) Ή (Β πατημένος)

Πότε σβήνει η LED;
Παρατηρήστε ότι στο κύκλωμα αυτό δεν ανάβει η LED μόνον όταν δεν είναι πατημένος κανένας διακόπτης, δηλαδή όταν είναι ελεύθεροι (όχι πατημένοι) και ο A και ο B:

ΟΧΙ (LED ανάβει) =
ΟΧΙ [(Α πατημένος) Ή (Β πατημένος)] = [ΟΧΙ (Α πατημένος)] ΚΑΙ [ΟΧΙ (Β πατημένος)]

Η ιδιότητα αυτή είναι το δεύτερο (δυϊκό) ήμισυ του θεωρήματος DeMorgan ή της αρχής του Δυϊσμού που λέγαμε παραπάνω και που θα δούμε αργότερα στο μάθημα.


[Up - Table of Contents]
 
[printer version - PDF]
[1. Switch Logic - Next]

Up to the Home Page of CS-120
 
© copyright University of Crete, Greece.
last updated: 24 Sep. 2012, by M. Katevenis.