ΗΥ-121: Ηλεκτρικά Κυκλώματα
Άνοιξη 2012
Τμ. Επ. Υπολογιστών
© Πανεπιστήμιο Κρήτης

Εργαστήριο 11: Schmitt Trigger

14 - 17 Μαΐου 2012 (βδομάδα 12)
[Up - Table of Contents]
[Prev - 10. Operational Amplifiers]
[printer version - PDF]
[12. Transmission Lines - Next]

Διάβασμα: Διαβάστε την ενότητα § 15.8 (σελ. 869-872) από το βιβλίο Agarwal & Lang. Επίσης, μπορείτε να διαβάσετε και το λήμμα "Schmitt trigger" της Wikipedia: http://en.wikipedia.org/wiki/Schmitt_trigger Schmitt trigger using an LM358 op-amp

Πείραμα 11.1:   Schmitt Trigger

Χρησιμοποιώντας τον ίδιο τελεστικό ενισχυτή όπως στο εργαστήριο 8, LM358 (http://www.ti.com/lit/ds/symlink/lm158-n.pdf), κατασκευάστε το κύκλωμα Schmitt Trigger του σχήματος. Όπως λέγαμε και στο εργ. 10.1, πρέπει να είστε πολύ προσεκτικοί στη σωστή πολικότητα των τάσεων τροφοδοσίας, καθώς και στο ότι καμία τάση εισόδου δεν επιτρέπεται να είναι ποτέ αρνητική, κάτω από -0.3 Volt --γι' αυτό, (α) να προσέχετε πολύ το πλάτος και το DC offset της παλμογεννήτριας όταν την χρησιμοποιείτε σαν τάση εισόδου, και (β) συνδέστε τη δίοδο περιορισμού-συγκράτησης που δείχνει το σχήμα (clamp diode - σελ. 151-157 βιβλίου) στην εξωτερική είσοδο του τελεστικού (η είσοδος ανάδρασης, από την κατασκευή του κυκλώματος, δεν κινδυνεύει ποτέ να δεχτεί αρνητικές τάσεις).

Το δίκτυο ανάδρασης είναι σχεδιασμένο με την εξής λογική: Το αριστερό ποτενσιόμετρο αποτελεί ένα διαιρέτη τάσης που "κατασκευάζει" (σαν ισοδύναμο Thevenin) οιαδήποτε ενδιάμεση τάση μεταξύ των δύο τάσεων τροφοδοσίας. Η τάση αυτή ορίζει το "κέντρο" της ζώνης υστέρησης του Schmitt trigger (το "κέντρο" αυτό δεν είναι το μέσον της ζώνης υστέρησης --είναι το σταθμισμένο μέσο, σε σχέση με την απόστασή του από τις ακραίες τάσεις εξόδου). Το δεξιό ποτενσιόμετρο αποτελεί ένα δεύτερο διαιρέτη τάσης, που ορίζει το πόσο ισχυρή ή ασθενής είναι η ανάδραση: ισχυρή ανάδραση προκαλεί φαρδιά ζώνη υστέρησης, ασθενής ανάδραση προκαλεί στενή ζώνη υστέρησης. Η μεσαία λήψη του ποτενσιόμετρου (τάση ανάδρασης) ορίζει την τάση με την οποία συγκρίνεται εκάστοτε η είσοδος vin. Η τάση αυτή λοιπόν προκύπτει σαν ενδιάμεση ανάμεσα στην τάση "κέντρου" που ορίζει το αριστερό ποτενσιόμετρο, και στις δύο ακραίες τάσεις εξόδου --ψηλή και χαμηλή-- του τελεστικού ενισχυτή· έτσι ορίζονται οι δύο τάσεις κατωφλίου (τα άκρα της ζώνης υστέρησης) του Schmitt trigger.

Εφαρμόστε ένα ημιτονοειδές σήμα εισόδου πάνω σε ένα DC-offset που του εξασφαλίζει πάντα θετικές τιμές, και πάντα ανάμεσα στις δύο τάσεις τροφοδοσίας. Παρατηρήστε την κυματομορφή εξόδου σε σχέση με την κυματομορφή εισόδου. Στρίψτε το δεξιό ποτενσιόμετρο και δείτε πώς αλλάζει το πλάτος της ζώνης υστέρησης. Στρίψτε το αριστερό ποτενσιόμετρο και δείτε πώς "ανεβοκατεβαίνει" η ζώνη υστέρησης. Αλλάξτε λίγο και προσεκτικά το DC-offset και το πλάτος της πηγής, προσέχοντας η είσοδος να είναι πάντα θετική και πάντα ανάμεσα στις δύο τάσεις τροφοδοσίας· τι παρατηρείτε γιά την έξοδο; Οι αλλαγές της εξόδου μεταξύ των δύο ακραίων τάσεων που παίρνει, πόσο γρήγορα γίνονται και τι σχήμα έχουν· (ξανά) μετρήστε το slew rate του ενισχυτή (που το είχατε μετρήσει και στο εργαστήριο 10). Εξηγήστε όλα όσα βλέπετε και μετράτε στο βοηθό του εργαστηρίου. RC oscillator using a Schmitt trigger

Πείραμα 11.2:   Ταλαντωτής RC με χρήση Schmitt Trigger

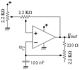
Τροποποιήστε το κύκλωμα του προηγουμένου πειράματος, 11.1, όπως φαίνεται στο σχήμα. Εδώ, η έξοδος vout του Schmitt trigger φορτίζει ή εκφορτίζει τον πυκνωτή 100 nF μέσα από μία αντίσταση μεταβλητή από 220 Ω έως 2.42 kΩ (βάζουμε την αντίσταση 220 Ω εν σειρά με το ποτενσιόμετρο γιά να μην κινδυνεύει ποτέ η έξοδος του τελεστικού ενισχυτή να βραχυκυκλωθεί με τον πυκνωτή και άρα να υπερφορτώνεται σε ρεύμα τη στιγμή που αλλάζει κατάσταση). Όταν η έξοδος είναι ψηλή, ο πυκνωτής φορτίζεται μέχρι να φτάσει η τάση του στην άνω τάση κατωφλίου του Schmitt trigger· τότε, η έξοδος αλλάζει στην χαμηλή της κατάσταση, και ο πυκνωτής εκφορτίζεται μέχρι να φτάσει η τάση του στην κάτω τάση κατωφλίου του Schmitt trigger, οπότε η έξοδος ξαναλλάζει στην ψηλή της κατάσταση, κ.ο.κ. Άρα, το κύκλωμα αυτό αποτελεί έναν ταλαντωτή με ρυθμιζόμενη συχνότητα και ρυθμιζόμενη αναλογία ψηλού-χαμηλού (duty cycle).

Κατασκευάστε το κύκλωμα αυτό στο εργαστήριο, και παρακολουθήστε στον παλμογράφο την τάση του πυκνωτή (και τάση εισόδου), vC, και την τάση εξόδου, vout. Αλλάζοντας τη ρύθμιση καθενός από τα τρία ποτενσιόμετρα, παρατηρήστε και εξηγήστε τι επηρεάζει το καθένα, πώς, και γιατί. Ελέξτε αν οι καμπύλες φόρτισης-εκφόρτισης του πυκνωτή ακολουθούν τη σταθερά χρόνου RC που εσείς υπολογίζετε βάσει των τιμών R και C. Εξηγήστε όλα όσα βλέπετε και μετράτε στο βοηθό του εργαστηρίου.


[Up - Table of Contents]
[Prev - 10. Operational Amplifiers]
[printer version - PDF]
[12. Transmission Lines - Next]

Up to the Home Page of CS-121
 
© copyright University of Crete, Greece.
last updated: 8 May 2012, by M. Katevenis.