| ΗΥ-225: Οργάνωση Υπολογιστών
Ανοιξη 2001 |
Τμ. Επ. Υπολογιστών Πανεπιστήμιο Κρήτης |
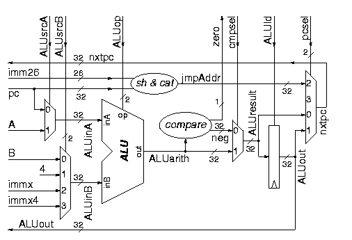
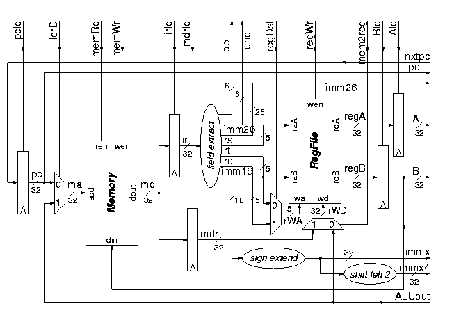
Σε αυτήν την άσκηση θα περιγράψετε και θα προσομοιώσετε σε Verilog το datapath του επεξεργαστή του μαθήματος για την υλοποίηση πολλαπλών κύκλων ρολογίου. Η περιγραφή θα γίνει σε μορφή "structural", δηλαδή ενώνοντας μεταξύ τους έτοιμα δομικά στοιχεία που δίδονται στη βιβλιοθήκη. Το datapath δίδεται στο σχήμα που υπάρχει πιό κάτω --σε δύο κομάτια-- με όλα τα ονόματα των σημάτων που θα χρησιμοποιήσετε. Τα σήματα που έρχονται από επάνω είναι σήματα ελέγχου. Ο έλεγχος θα υλοποιηθεί στην επόμενη σειρά ασκήσεων --προς το παρόν, τα σήματα αυτά θα είναι απλώς είσοδοι στο δικό σας module.
Τα έτοιμα δομικά στοιχεία που θα χρησιμοποιήσετε είναι καταχωρητές, πολυπλέκτες, ALU, μνήμη, και register file. Όλα αυτά ορίζονται στη βιβλιοθήκη που συνοδεύει αυτές τις ασκήσεις:
1. Ορισμοί Συρμάτων:
Προσέξτε ότι κάθε καινούριο σύρμα
πρέπει να ορίζεται σαφώς πριν χρησιμοποιηθεί.
Αν π.χ. έχετε έναν πολυπλέκτη που η έξοδός του λέγεται "ma",
η σύνταξη σε Verilog θα πρέπει να είναι:
wire [31:0] ma;
Mux2 #32 muxaddr (ma, pc, ALUout, IorD);
Αν δεν ορίσετε πρώτα το ma,
μπορεί ο interpreter να μην παραπονεθεί,
και να θεωρήσει το ma σύρμα 1 bit!
Ομοίως, τα σύρματα που έρχονται από έξω απο το module σας
πρέπει να οριστούν σαφώς με εντολές input ή output.
Οι εντολές input και output ισοδυναμούν με τη wire.
Δεν χρειάζεται να πείτε τίποτα παραπάνω από τα εξής
για να ορίσετε τα σύρματα IorD και op:
input IorD;
output [5:0] op;
2. Εξαγωγή Πεδίων από bits:
Γιά το υποσύστημα "field extract" θα χρησιμοποιήσετε
το μηχανισμό επιλογής bits της Verilog
για να δημιουργήσετε καινούρια σύρματα
με τα επιμέρους πεδία του ir.
Υπενθυμίζεται ότι η σύνταξή της είναι:
wire [4:0] rs;
assign rs = ir[25:21];
Αν ορίσετε πρώτα ένα σύρμα, με εντολή wire ή input ή output,
θα το περιγράψετε μετά με μιάν εντολή assign όπως παραπάνω.
Ειδικά στην περίπτωση της wire, όμως,
μπορείτε να κάνετε και και τις δύο δουλειές με μία εντολή,
ως εξής:
wire [4:0] rs = ir[25:21];
3. Επέκταση Προσήμου:
Το υποσύστημα "sign extend" κάνει επέκταση προσήμου,
δηλαδή αντιγραφή του περισσότερο σημαντικού bit ενός αριθμού
σε όλα τα επιπλέον bits ενός μεγαλύτερου (σε πλάτος bits) αριθμού.
Παραδείγματος χάριν,
ο αριθμός "4'b0101" γίνεται "8'b00000101",
ενώ ο "4'b1101" γίνεται "8'b11111101".
Για να το πετύχετε αυτό, θα χρησιμοποιήσετε
τη συγκόλληση πεδίων (concatenation) της Verilog,
που ενώνει μικρότερα σύρματα σε ένα μεγαλύτερο.
wire [3:0] unsigned;
wire [7:0] signed;
assign signed = {unsigned[3], unsigned[3], unsigned[3], unsigned[3],
unsigned[3:0]};
Έτσι θα γίνει η πράξη "hardwired", χωρίς καθυστερήσεις.
Εναλλακτικά, μπορείτε να χρησιμοποιήσετε έναν πολυπλέκτη,
που να ελέγχεται απο το περισσότερο σημαντικό bit του signed
("πληρώνοντας" την καθυστέρηση του πολυπλέκτη)....
4. Ολίσθηση:
Το υποσύστημα "shift left" που κάνει
αριστερή όλίσθηση κατά σταθερό πλήθος bits (π.χ. 2 θέσεις),
είναι πρακτικά η επιλογή
όλων των λιγότερο σημαντικών bits του αριθμού εκτός από τα πρώτα δύο,
και η δημιουργία ενός καινούριου σύρματος
που τα έχει ως περισσότερο σημαντικά bits,
και στα 2 LS bits του έχει 0:
wire [7:0] quantity;
wire [7:0] quantity4 = {quantity[5:0], 2'b00};
5. Συγκρίσεις:
Στην έξοδο της ALU υπάρχουν δύο μικρά κυκλώματα που αφορούν συγκρίσεις.
Μία πύλη NOR 32 εισόδων (από τη βιβλιοθήκη)
παράγει το σήμα "zero"
που ενεργοποιείται όποτε η έξοδος της ALU είναι μηδενική.
Το σήμα "neg" (negative, αρνητικό) είναι ένα σήμα 32 bits
που ισούται με 000...001 όταν η έξοδος της ALU είναι αρνητική,
αλλοιώς ισούται με μηδέν.
Το σήμα αυτό θα το υλοποιείστε με επιλογές bits και συγκολλήσεις,
χρησιμοποιώντας το bit προσήμου της εξόδου της ALU,
δηλαδή το περισσότερο σημαντικό bit της.
~hy225/verilog/test/test6.vΤο αρχείο αυτό δεν είναι έτοιμο να "τρέξει" --απλά περιέχει το "σκελετό" ενός test bench που θα φτιάξετε εσείς. Εκεί θα βρείτε οδηγίες γιά το πώς θα εκτελέσετε μερικούς κύκλους στο datapath σας, φορτώνοντας τη μνήμη με αρχικές τιμές και οδηγώντας τα σήματα ελέγχου για λίγους κύκλους.
Ο στόχος αυτής της σειράς ασκήσεων είναι να γράψετε το datapath, και να βεβαιωθείτε ότι δεν έχουν γίνει "τραγικά" λάθη --δεν χρειάζεται να είναι τελείως σωστό, αφού αυτό θα είναι ένας από τους στόχους της επόμενης άσκησης.
Παραδώστε, όπως και στις προηγούμενες ασκήσεις, τον κώδικά σας "datapath6.v", το test bench "test6.v" όπως τελικά το διαμορφώσατε εσείς, και ένα χαρακτηριστικό στιγμιότυπο από το Signalscan της άσκησης 6.2 σε μορφή jpeg ή gif, πακεταρισμένα στο αρχείο "ask6.tar.gz", μέσω:
tar -cvf ask6.tar datapath6.v test6.v signals6.gif
gzip ask6.tar
~hy225/bin/submit 6
| Up to the Home Page of CS-225 |
© copyright University of Crete, Greece.
Originally written by S. Lyberis. Last updated: 25 Mar. & 26 Apr. 2001, by M. Katevenis. |