ΗΥ-120: Ψηφιακή Σχεδίαση
Φθινόπωρο 2003
Τμ. Επ. Υπολογιστών
© Πανεπιστήμιο Κρήτης

Εργαστήριο 2:
Πολυπλέκτες, Ηλεκτρονόμοι, Ανάδραση

27 Οκτωβρίου - 1 Νοεμβρίου 2003
[Τα τμήματα της Τρίτης 28/10 μεταφέρονται στο Σάββατο 1/11, ίδιες ώρες, εκτός των 7-9 που πάνε στις 11-1]

Πολυπλέκτες: Επιλογή Πληροφοριών

Πολυπλέκτης (multiplexer, ή εν συντομία mux) είναι ένα κύκλωμα που επιλέγει μία από τις πολλές εισόδους του, και μεταφέρει (αντιγράφει) την τιμή (κατάσταση) της στην έξοδό του. Οι πολλαπλές υποψήφιες είσοδοι, των οποίων η εκάστοτε τιμή (ή κατάσταση, ή δεδομένα - data) μεταφέρονται και εμφανίζονται στην έξοδο, όταν και αν αυτές επιλεγούν, λέγονται είσοδοι δεδομένων (data inputs). Το ποιά είσοδος επιλέγεται μπορεί να αλλάζει δυναμικά, την ώρα της λειτουργίας του κυκλώματος, και γιά να γίνεται η επιλογή αυτή ο πολυπλέκτης έχει άλλες, επιπλέον εισόδους, τις εισόδους ελέγχου (control inputs) ή εισόδους επιλογής (select inputs). Το σύμβολο του πολυπλέκτη είναι ένα τραπέζιο, όπως φαίνεται δεξιά --εδώ φαίνεται, συγκεκριμένα, ένας πολυπλέκτης 4-σε-1 (4-to-1 mux). Γιά να επιλεγεί μία από τις 4 εισόδους δεδομένων, χρειαζόμαστε 2 δυαδικές εισόδους επιλογής, αφού 2 δυαδικές τιμές (2 bits), ειδωμένες σαν ζευγάρι, βρίσκονται πάντα σε έναν από τους 4 δυνατούς συνδυασμούς τους. Γιά συντομία, στο συμβολισμό δεξιά, φαίνεται ένα μόνο σήμα επιλογής, αλλά η πλάγια γραμμούλα και ο αριθμός "2" δίπλα της υποδεικνύουν ότι το σήμα αυτό αποτελείται στην πραγματικότητα από 2 σύρματα (2 bits).

Οι πολυπλέκτες παίζουν κεντρικό ρόλο στα ψηφιακά συστήματα. Σημαντικές εφαρμογές τους είναι στην καρδιά κάθε δικτύου επικοινωνίας, εκεί όπου επιλέγεται το ποιός θα μιλήσει με ποιόν κάθε στιγμή. Αυτό μπορεί να είναι στο εσωτερικό ενός υπολογιστή ή άλλου ψηφιακού συστήματος, ή σ' έναν δρομολογητή (router) ή μεταγωγέα (switch) ενός δικτύου υπολογιστών ή τηλεπικοινωνιών. Στο σχήμα δεξιά φαίνεται ένα απλό παράδειγμα μεταγωγέα 4x4 τύπου crossbar (διασταυρούμενες ράβδοι) εμπνευσμένου από την κλασσική τηλεφωνία. Είναι κατασκευασμένος από 4 πολυπλέκτες, καθένας μεγέθους 4-σε-1. Μπορούμε να φανταστούμε ότι οι 4 είσοδοι, In0 έως In3, είναι τα μικρόφωνα των τηλεφώνων τεσσάρων σπιτιών, οι δε 4 έξοδοι, T0 έως T3, τροφοδοτούν τα ακουστικά τεσσάρων άλλων τηλεφώνων. Ελέγχοντας κατάλληλα τα σήματα επιλογής των πολυπλεκτών πραγματοποιούμε τις τηλεφωνικές συνδέσεις που μας ζητώνται. Στο παράδειγμα, η είσοδος In2 έχει ζητήσει να μιλήσει στην έξοδο T0, και η In3 στην T2. Η είσοδος In0 μεταδίδεται σε περισσότερους από έναν ακροατές --στους T1 και T3-- κάτι γνωστό σαν "multicasting" στα δίκτυα. Η είσοδος In1 είναι αδρανής προς στιγμήν --ή τουλάχιστο κανείς δεν την ακούει.

Μιά άλλη σημαντική εφαρμογή των πολυπλεκτών είναι στις μνήμες, όπως θα δούμε αργότερα. Οι μνήμες αποτελούνται από ένα μεγάλο πλήθος στοιχείων αποθήκευσης, που το καθένα τους "θυμάται" μία πληροφορία. Η ανάγνωση από τη μνήμη γίνεται μέσω ενός τεραστίου πολυπλέκτη ο οποίος έχει μιά είσοδο δεδομένων συνδεδεμένη σε κάθε στοιχείο αποθήκευσης· έτσι, π.χ. αν η μνήμη έχει 1024 στοιχεία αποθήκευσης, ο πολυπλέκτης αυτός θα είναι μεγέθους 1024-σε-1. Όταν θέλουμε να διαβάσουμε μία από τις πληροφορίες που βρίσκονται στη μνήμη, ρυθμίζουμε κατάλληλα τις εισόδους επιλογής του πολυπλέκτη ούτως ώστε αυτός να μας μεταφέρει στην έξοδο του την επιθυμητή πληροφορία.

Ακόμα μία εφαρμογή των πολυπλεκτών είναι στη "σειριακή" μετάδοση δεδομένων, στα δίκτυα επικοινωνίας. Στο πρώτο σχήμα παραπάνω, έστω ότι έχουμε τις τέσσερεις δυαδικές τιμές In0, In1, In2, και In3 (δηλαδή έχουμε 4 bits), και θέλουμε να τις στείλουμε σε κάποιον μακρυά, μέσω ενός και μόνο σύρματος, του Out (τα 4 σύρματα θα κόστιζαν υπερβολικά, λόγω απόστασης). Γιά να το πετύχουμε, αρκεί να αλλάξουμε διαδοχικά τα σήματα επιλογής του πολυπλέκτη από το 0 στο 1, στο 2, και στο 3, οπότε τα 4 bits από τις 4 εισόδους θα τοποθετηθούν διαδοχικά πάνω στο σύρμα Out και θα μεταδοθούν σειριακά (με τη σειρά) στον παραλήπτη.

Πείραμα 2.1: Πολυπλέκτης 4-σε-1

Μπορούμε να φτιάξουμε ένα πολυπλέκτη χρησιμοποιώντας ένα "δέντρο" από διακόπτες, όπως φαίνεται δεξιά, ανάλογο εκείνου με το οποίο φτιάξαμε τον αποκωδικοποιητή του πειράματος 1.3. Η αναλογία δεν είναι τυχαία: κι εδώ χρειάζεται να αποκωδικοποιηθούν τα σήματα επιλογής, S1 και S0, στους 4 συνδυασμούς τους, και να ενεργοποιηθεί ο αντίστοιχος ένας από τους τέσσερεις δρόμους μέσα από το "δεντρο", ώστε η επιθυμητή είσοδος να τροφοδοτήσει την έξοδο. Παρατηρήστε ότι, και εδώ, πάντα ένας, και μόνον ένας από τους 4 δρόμους είναι ενεργοποιημένος (συνδεδεμένος).

Πριν φτάσετε στο εργαστήριο, σχεδιάστε έναν πολυπλέκτη 16-σε-1 κατ' ανάλογο τρόπο. Πόσες εισόδους (bits) επιλογής χρειάζεστε; Πόσους και ποιούς διακόπτες ελέγχει η κάθε είσοδος επιλογής; Ονομάστε τις εισόδους με τη σειρά από In0 έως In15, και δείξτε τη θέση των διακοπτών και τις τιμές των εισόδων επιλογής προκειμένου να επιλεγεί η είσοδος In9.

Στο εργαστήριο, κατασκευάστε το κύκλωμα του πολυπλέκτη 4-σε-1 που δίδεται εδώ, στο παραπάνω σχήμα. Χρησιμοποιήστε διακόπτες DPDT τύπου μεταγωγού γιά τον πολυπλέκτη, ούτως ώστε η επιλογή S1.S0 να παραμένει ως έχει όταν δεν την αλλάζετε. Κατασκευάστε τις 4 εισόδους δεδομένων, In0 ως In3, μέσω 4 διακοπτών τύπου κουμπιού. Δοκιμάστε το κύκλωμά σας ως εξής: προσποιηθείτε ότι στα 4 κουμπιά βρίσκονται 4 άνθρωποι που μεταδίδουν ο καθένας το δικό του μήνυμα μέσω κώδικα Μορς (αν δυσκολεύεστε να κινείτε 4 δάκτυλα με διαφορετικό τρόπο καθένα, ζητήστε να σας βοηθήσει ο διπλανός σας). Η φωτοδίοδος (Probe LED) βρίσκεται στο "κέντρο λήψης εκτάκτων αναγκών"· ο υπεύθυνος υπηρεσίας λαμβάνει ένα από τα μηνύματα (ένα μόνο μπορεί να βλέπει κάθε φορά χωρίς να... αλλοιθωρίζει), και στη συνέχεια αλλάζει τους διακόπτες S1-S0 γιά να επιλέξει το επόμενο μήνυμα που θα παρακολουθήσει.

Ηλεκτρικά Ελεγχόμενοι Διακόπτες:

Μέχρι τώρα, όλες οι είσοδοι των ψηφιακών κυκλωμάτων που φτιάξαμε ήταν διακόπτες που τους πατούσε ή τους κινούσε ένα ανθρώπινο χέρι. Προφανώς, δεν μπορεί κανείς να συνεχίσει έτσι γιά πολύ, εξ αιτίας ενός πλήθους δυσκολιών: (i) έχουμε λίγα (σχετικά) δάκτυλα· (ii) είμαστε αργοί σε σχέση με τα ηλεκτρονικά κυκλώματα· (iii) πολλά κυκλώματα χρειάζονται την ίδια είσοδο σε πολλά μέρη --π.χ. στους πολυπλέκτες, όπως παραπάνω, η είσοδος S0 ελέγχει ένα διακόπτη, η είσοδος S1 ελέγχει 2 διακόπτες, η είσοδος S2 (όταν υπάρχει) ελέγχει 4 διακόπτες, κ.ο.κ.-- και υπάρχει ένα προφανές μηχανικό όριο στο πόσους διακόπτες μπορεί να κινήσει ένα δάκτυλο· και το σημαντικότερο: (iv) δεν μπορούμε να πάρουμε την έξοδο ενός κυκλώματος - υποσυστήματος και να την χρησιμοποιήσουμε σαν είσοδο σε ένα άλλο κύκλωμα - υποσύστημα, και κατά συνέπεια (v) δεν μπορούμε ούτε να πάρουμε μιά πληροφορία αποθηκευμένη σε μιά ηλεκτρονική μνήμη και να την χρησιμοποιήσουμε σαν είσοδο ενός κυκλώματος επεξεργασίας της.

Αυτό που χρειάζεται λοιπόν γιά να προχωρήσουμε είναι ηλεκτρικά ελεγχόμενοι διακόπτες, δηλαδή διακόπτες που να μπορεί να τους ανοιγοκλείνει ένα ηλεκτρικό σήμα, χωρίς την παρέμβαση ανθρώπινου χεριού· γιά την ακρίβεια, θέλουμε η έξοδος ενός διακόπτη να μπορεί να ανάψει ή να σβήσει έναν ή περισσότερους άλλους παρόμοιους διακόπτες. Στη σημερινή μικροηλεκτρονική τεχνολογία, αυτό επιτυγχάνεται χρησιμοποιώντας transistors σαν τέτοιους ηλεκτρικά ελεγχόμενους διακόπτες. Τα transistors είναι συνδυασμός ημιαγωγών με κατάλληλες προσμίξεις άλλων στοιχείων --συνήθως πυρίτιο (silicon - τετρασθενές) με προσμίξεις τρισθενών και πεντασθενών στοιχείων-- που του προσδίδουν ιδιότητες ενισχυτή και διακόπτη όταν χρησιμοποιηθούν υπό κατάλληλες τάσεις σε κατάλληλο κύκλωμα. Η εξέταση του τρόπου κατασκευής και λειτουργίας του transistor είναι μάλλον θέμα Φυσικής της στερεάς κατάστασης, και ξεφεύγει από τα πλαίσια του παρόντος μαθήματος.

Οι υπολογιστές κατασκευάζονται με transistors από περίπου τη δεκαετία του '60 και πέρα. Οι πρώτοι υπολογιστές, τις δεκαετίες '40 και '50, ήταν κατασκευασμένοι με ηλεκτρονικές λυχνίες κενού (vacuum tubes), και ένας από αυτούς, ο Mark-II (στο Harvard την εποχή του πολέμου), με ηλεκτρομηχανικούς διακόπτες σαν αυτούς που θα περιγράψουμε παρακάτω. [Στις 9/9/1945, που ο Mark-II δεν δούλευε καλά, ψάχνοντας οι τεχνικοί βρήκαν την αιτία: ένα ζουζούνι (bug) --μία πεταλουδίτσα γιά την ακρίβεια-- είχε μπεί στο διακόπτη F.70, και δεν τον άφηνε να κάνει καλά επαφή· έβγαλαν το ζουζούνι, και μαθεύτηκε σύντομα ότι είχαν κάνει "debugging" (απεντόμωση) της μηχανής --από τότε, ο όρος αυτός χρησιμοποιείται ευρύτατα στους υπολογιστές... (γιά περισσότερες πληροφορίες, δείτε εδώ)]. Εν τω μεταξύ, τα τηλεφωνικά κέντρα χρησιμοποιούσαν ηλεκτρομηχανική τεχνολογία ήδη από το πρώτο μισό του 20ου αιώνα· τέτοια "αναλογικά" τηλεφωνικά κέντρα επεβίωσαν μέχρι πρόσφατα σε μερικές χώρες όπως και η δική μας, και τα αναγνώριζε κανείς από το χαρακτηριστικό ήχο "κρου-κρου-κρου-κρου" που έκαναν μέχρι να σε συνδέσουν.

Ηλεκτρονόμοι (Relays - "Ρελέδες"):

Οι ηλεκτρομηχανικοί διακόπτες, γνωστοί σαν ηλεκτρονόμοι, Αγγλικά relays, και στην αργκώ των ηλεκτρολόγων γνωστοί σαν ρελέδες, εκτός από τα παλαιά τηλεφωνικά κέντρα και τον υπολογιστή Mark-II της δεκαετίας του '40, χρησιμοποιούνται ευρύτατα και σήμερα σε όλες τις ηλεκτρικές και βιομηχανικές εγκαταστάσεις, λόγω της αντοχής τους στις υψηλές τάσεις (εκατοντάδες ή χιλιάδες Volt), σε αντίθεση με τους ημιαγωγούς που καίγονται εύκολα από υπερτάσεις. Εμείς, εδώ, θα τους χρησιμοποιήσουμε στα επόμενα μερικά εργαστήριά μας εξ αιτίας της εξαιρετικής εποπτείας που προσφέρουν: βλέπεις και ακούς το διακόπτη να ανοιγοκλείνει μπροστά σου, κι έτσι νοιώθεις τη λειτουργία του ψηφιακού κυκλώματος πολύ καλύτερα απ' όσο με τα transistors, όπου δεν μπορεί κανείς να δει τι συμβαίνει με τα ηλεκτρόνια μέσα τους.

Η αρχή λειτουργίας του ηλεκτρονόμου είναι απλή: ένας ηλεκτρομαγνήτης, δηλαδή ένας σιδηρούς πυρήνας με ένα ηλεκτρικό πηνίο τυλιγμένο γύρω του, έλκει τον οπλισμό του, δηλαδή ένα κινητό σιδερένιο μοχλό, όταν περνάει ηλεκτρικό ρεύμα μέσα από το πηνίο. Μόλις διακοπεί το ηλεκτρικό ρεύμα, ο μαγνήτης παύει να έλκει τον οπλισμό του, και ένα ελατήριο επαναφέρει τον τελευταίο στην αρχική του θέση, μακρυά από τον σιδερένιο πυρήνα. Συνδέουμε τον οπλισμό μ' ένα διακόπτη, και καθώς ο οπλισμός κινείται υπό την επίδραση του ηλεκτρομαγνήτη, αυτός κάνει το διακόπτη να ανοιγοκλείνει.

Ηλεκτρονόμοι υπάρχουν σε όλα τα μεγέθη, από μικροί, κατάλληλοι γιά να τους ελέγχει μιά χαμηλή τάση (5 - 12 Volt), π.χ. από ένα ηλεκτρονικό όργανο, και αυτοί με τη σειρά τους να αναβοσβήνουν μερικά φώτα (250 V, 5 A) ή ένα μικρό κινητήρα (π.χ. αντλία νερού), μέχρι πολύ μεγάλοι, κατάλληλοι γιά να ανοιγοκλείνουν τις μηχανές ολόκληρων εργοστασίων ή υποσταθμών της ΔΕΗ. Εμείς, φυσικά, θα χρησιμοποιήσουμε ένα τύπο ηλεκτρονόμου από τους μικρότερους, με ποδαράκια (ηλεκτρικές επαφές) κατάλληλα γιά την εργαστηριακή μας πλακέτα (σε αντίθεση με άλλους που είναι κατάλληλοι γιά να βιδώνονται σε ηλεκτρικούς πίνακες).

Στην φωτογραφία δεξιά φαίνεται ένας ηλεκτρονόμος παρόμοιος με αυτούς του εργαστηρίου μας, στις δύο καταστάσεις του: αδρανής (αριστερά), και ενεργός (δεξιά) (πατήστε εδώ ή στη φωτογραφία γιά μεγέθυνση (180 KBytes)). Το ηλεκτρικό πηνίο διέγερσης (εκατοντάδες σπείρες λεπτού, ξανθού, μονωμένου σύρματος, τυλιγμένες γύρω από τον πυρήνα) βρίσκεται στο αριστερό μέρος του ηλεκτρονόμου. Οι εξωτερικοί ακροδέκτες του πηνίου είναι δύο ποδαράκια στην αριστερή άκρη του ηλεκτρονόμου· στη φωτογραφία φαίνεται μόνο το μπροστινό --το άλλο είναι ακριβώς πίσω του. Ο πυρήνας του ηλεκτρομαγνήτη περνάει μέσα από το πηνίο, βγαίνει από κάτω, και ανεβαίνει προς τα επάνω ακριβώς δίπλα και δεξιά από το πηνίο (γκρί γυαλιστερό σίδερο). Το μαγνητικό κύκλωμα συνεχίζει με το επάνω ήμισυ του οπλισμού, που βρίσκεται πάνω από τον ηλεκτρομαγνήτη. Ο οπλισμός είναι το σίδερο σε σχήμα "Γ" με ελαφρώς αμβεία γωνία που βρίσκεται πάνω και δεξιά από το πηνίο. Στην αριστερή φωτογραφία, δεν περνάει ρεύμα από το πηνίο και ο οπλισμός βρίσκεται ψηλά, όπου τον συγκρατεί το κατακόρυφο ελατήριο που ίσα-ίσα φαίνεται. Στη δεξιά φωτογραφία, περνάει ρεύμα από το πηνίο και ο οπλισμός έχει χαμηλώσει και έχει κολλήσει στον πυρήνα, ελκόμενος από τον ενεργό ηλεκτρομαγνήτη. Με την κίνηση αυτή, το κάτω-δεξί άκρο του οπλισμού έχει κινηθεί δεξιά, και έχει παρασύρει ένα μαύρο, οριζόντιο, πλαστικό έμβολο, το οποίο με τη σειρά του έχει παρασύρει τη μεσαία επαφή του διακόπτη.

Ο διακόπτης είναι στη δεξιά πλευρά του ηλεκτρονόμου. Το μέρος του διακόπτη που φαίνεται στη φωτογραφία έχει έναν πόλο --το μεσαίο, χάλκινο, κατακόρυφο, λεπτότερο έλασμα-- και δύο επαφές --τα δύο παχύτερα κατακόρυφα χάλκινα ελάσματα, ένα αριστερά και ένα δεξιά. Άρα, αυτό το κομάτι, που φαίνεται στη φωτογραφία, είναι ένας διακόπτης SPDT. Οι εξωτερικοί ακροδέκτες του διακόπτη είναι τα τρία ποδαράκια που φάινονται κάτω από αυτόν, με την ίδια σειρά με την οποία βρίσκονται και τα αντίστοιχα ελάσματα μέσα στο διακόπτη. Από την πίσω πλευρά, που δεν φαίνεται στη φωτογραφία, υπάρχει άλλος ένας διακόπτης SPDT, ηλεκτρικά μονωμένος από τον πρώτο, που όμως κινείται από το ίδιο οριζόντιο μαύρο έμβολο, άρα ανοιγοκλείνει ταυτόχρονα με τον πρώτο. Επομένως, συνολικά, αυτός ο ηλεκτρονόμος ελέγχει και κινεί ένα διακόπτη DPDT. Οι 3 ακροδέκτες του πίσω διακόπτη είναι ακριβώς πίσω από τους ακροδέκτες του μπροστινού, και κρύβονται από αυτούς στη φωτογραφία.

Παρατηρήστε ότι ο διακόπτης είναι ηλεκτρικά πλήρως μονωμένος από τον ηλεκτρομαγνήτη και το πηνίο του: επικοινωνούν μόνο μηχανικά, μέσω του οριζόντιου μαύρου πλαστικού εμβόλου. Έτσι επιτυγχάνουμε τα δύο ηλεκτρικά κυκλώματα, το ελέγχον (πηνίο) και το ελεγχόμενο (διακόπτης), να είναι εντελώς ανεξάρτητα, με δυνατότητα να υπάρχει μεγάλη (και μεταβαλόμενη) διαφορά δυναμικού μεταξύ των δύο· π.χ. το ένα μπορεί να ανήκει σε ένα ευαίσθητο ηλεκτρονικό όργανο, ενώ το άλλο μπορεί να συνδέεται σε ένα θορυβώδη ηλεκτρικό κινητήρα, τροφοδοτούμενο από άλλη φάση τριφασικής παροχής. Αυτό είναι ένα πλεονέκτημα των ηλεκτρονόμων που δεν το έχουν οι ηλεκτρονικοί διακόπτες (transistors).

Από την άλλη μεριά, φυσικά, γιά να αλλάξει κατάσταση ο ηλεκτρονόμος πρέπει να κινηθούν μηχανικά τμήματα, άρα απαιτείται χρόνος πολλών χιλιοστών του δευτερολέπτου (millisecond - ms), τη στιγμή που οι ηλεκτρονικοί διακόπτες (transistors) αναβοσβήνουν σε χρόνο σημαντικά κάτω του δισεκατομμυριοστού του δευτερολέπτου (nanosecond - ns), σήμερα, δηλαδή είναι δεκάδες εκατομμύρια φορές γρηγορότεροι. Επίσης, γιά να κολλήσει ο οπλισμός ενός ηλεκτρονόμου του εργαστηρίου μας απαιτείται ρεύμα 100 mA, άρα ισχύς 500 mW (στα 5 V που δουλεύουμε). Σε αντίθεση με αυτό, ένας σημερινός ηλεκτρονικός διακόπτης (transistor) μπορεί να ανοιγοκλείνει σε πλήρη ταχύτητα καταναλώνοντας κάτω από 50 μW, και αναλογικά λιγότερο σε χαμηλότερες ταχύτητες, δηλαδή είναι δεκάδες χιλιάδες φορές οικονομικότερος στη μπαταρία (και στην παραγόμενη θερμότητα). Τέλος, ένα σημερινό transistor με τα γύρω κυκλώματά του καταλαμβάνει εμβαδό γύρω στο ένα τετραγωνικό μm (μικρόμετρο), συγκρινόμενο προς τα 300 τετραγωνικά mm (χιλιοστόμετρα) του ηλεκτρονόμου μας (χωρίς να παίρνουμε υπ' όψη και τη διαφορά ύψους), δηλαδή ο ηλεκτρονικός διακόπτης είναι γύρω στο ένα δισεκατομμύριο φορές μικρότερος!

Σαν σύμβολο του ηλεκτρονόμου στα κυκλώματά μας θα χρησιμοποιούμε αυτό που φαίνεται δεξιά. Στο επάνω μέρος είναι ο ηλεκτρικά ελεγχόμενος διακόπτης, που στην περίπτωση του δικού μας εργαστηρίου είναι διακόπτης DPDT. Στο κάτω μέρος υπάρχει ένα σύμβολο πηνίου, που συμβολίζει τον ηλεκτρομαγνήτη. Τα δύο μέρη ενώνονται με μία διακεκομένη γραμμή, που συμβολίζει ότι το πηνίο ελέγχει το διακόπτη. Η διακεκομένη γραμμή έχει ένα βέλος προς το πηνίο, που συμβολίζει τη σύμβαση πολικότητάς μας: όταν το πηνίο είναι αδρανές (δεν διαρρέεται από ρεύμα), οι διακόπτες είναι στην επάνω κατάστασή τους· όταν το πηνίο ενεργοποιείται (διαρρέεται από ρεύμα), έλκει τους διακόπτες προς την φορά του βέλους, δηλαδή τους φέρνει στην κάτω κατάστασή τους. Παρατηρήστε ότι το πηνίο δεν έχει συγκεκριμένη πολικότητα, δηλαδή ενεργοποιείται με ρεύμα είτε της μίας φοράς είτε της άλλης. Επίσης παρατηρήστε ότι το πηνίο είναι ηλεκτρικά μονωμένο από τους διακόπτες, άρα δεν μπορεί να περάσει ρεύμα ανάμεσα στους ακροδέκτες του πηνίου και αυτούς των διακοπτών, ούτε η διαφορά τάσης μεταξύ τους έχει καμία επίδραση στον ηλεκτρονόμο.

Οι Πλάκες Γενικών Συνδέσεων (Breadboards) στο Εργαστήριο:

Οι πλακέτες του εργαστηρίου έχουν, στη μέση, δύο άσπρες πλάκες με πολλές τρύπες, που είναι γνωστές στα Αγγλικά σαν bredboards, και που προορίζονται γιά την τοποθέτηση και σύνδεση μικροηλεκτρονικών ολοκληρωμένων κυκλωμάτων (integrated circuits -IC's). Στις πλάκες αυτές χωράνε και συνδέονται και οι ηλεκτρονόμοι που θα χρησιμοποιήσουμε. Στο σχήμα δεξιά φαίνεται ο σχηματισμός τρυπών που έχουν αυτές οι πλάκες, ξεκινώντας από την πάνω αριστερή γωνία. Κάθε τετράγωνο, παριστάνει μιά τρύπα. Η κουκίδα μέσα στο τετράγωνο παριστάνει την ηλεκτρική υποδοχή που υπάρχει μέσα σε κάθε τρύπα.

Οι γραμμές που ενώνουν τις κουκίδες παριστάνουν τις ηλεκτρικές συνδέσεις που υπάρχουν στο εσωτερικό της πλάκας-breadboard μεταξύ των υποδοχών στις τρύπες. Έτσι, αν εισάγει κανείς τον ακροδέκτη μιάς συσκευής (π.χ. ηλεκτρονόμου) στην τρύπα f1 και ένα σύρμα σε οιαδήποτε από τις επάνω τρύπες g1 ή h1 ή i1 ή j1, ο ακροδέκτης και το σύρμα θα είναι ηλεκτρικά συνδεδεμένα μεταξύ τους. Μπορεί να εισάγει κανείς μέχρι 3 ακόμη σύρματα στις υπόλοιπες 3 από αυτές τις τρύπες, και θα έχει μιάν ηλεκτρική σύνδεση ανάμεσα σε όλα τα προηγούμενα. Ομοίως, οι τρύπες a1, b1, c1, d1, και e1 είναι ενωμένες μεταξύ τους --αλλά όχι με τις f1 έως j1, ούτε με τις a2 έως e2, κ.ο.κ. Στη μέση των δύο πλακών-breadboards υπάρχουν δύο μακρυές, οριζόντιες σειρές από τρύπες. Η μία σειρά τρύπες, σημειωμένη με μιά γαλάζια γραμμή "-", είναι όλες συνδεδεμένες μεταξύ τους, απ' άκρη σ' άκρη (5x10 = 50 τρύπες). Η άλλη σειρά από επίσης 50 τρύπες, σημειωμένη με μιά κόκκινη γραμμή "+", είναι επίσης όλες συνδεδεμένες μεταξύ τους, απ' άκρη σ' άκρη (αλλά όχι συνδεδεμένες με τις πρώτες 50 τρύπες). Τις σειρές αυτές συνιστάται να τις χρησιμοποιείτε γιά τη διανομή γείωσης (δηλ. αρνητικού πόλου της τροφοδοσίας) και θετικής τροφοδοσίας, αντίστοιχα, στα κυκλώματά σας (αφού, φυσικά, τις συνδέσετε, με δικά σας καλώδια, στις σχετικές παροχές στο επάνω μέρος της πλακέτας).

Θερμή Παράκληση: Παρακαλούμε πολύ προσέχετε τι βάζετε μέσα στις τρύπες των πλακών-breadboards: οι υποδοχές που υπάρχουν εκεί μέσα είναι ευαίσθητες και χαλάνε εύκολα! Βάζετε μόνον σύρματα της προκαθορισμένης διαμέτρου που υπάρχουν γιά το σκοπό αυτό στο εργαστήριο, και προσέχετε τα σύρματα αυτά να είναι εντελώς ευθύγραμμα στο μέρος τους που μπάινει μέσα στην τρύπα --όχι τσακισμένα, λυγισμένα, ή στριμένα. Εισάγετε τα σύρματα ευθύγραμμα προς τα κάτω, και όχι υπό γωνία (σκαλώνουν στις παρειές της υποδοχής). Επίσης, μην βάζετε χονδρύτερα σύρματα διότι καταστρέφετε τις υποδοχές. Όταν τραβάτε ένα σύρμα γιά να το βγάλετε, τραβάτε το απαλά και κατακόρυφα, και κυρίως προσέχετε να μην σας κοπεί και μείνει μέσα στην τρύπα το μισό, διότι αχρηστεύεται εκείνη η τρύπα. Αποφύγετε να βάζετε και να βγάζετε τους ηλεκτρονόμους από τις πλάκες --αφήστε τους στη θέση που ήδη βρίσκονται: τα ποδαράκια τους φθείρονται από τις συχνές και άτσαλες εισαγωγές/εξαγωγές, και το ίδιο συμβαίνει και με τις υποδοχές στις πλάκες.

Θέσεις Ακροδεκτών των Ηλεκτρονόμων:

Πάνω στις πλάκες γενικών συνδέσεων (breadboards), οι ηλεκτρονόμοι του εργαστηρίου μας τοποθετούνται στις σειρές e και f, δηλαδή τις πλησιέστερες στο κεντρικό "αυλάκι". Προτιμάμε να τους τοποθετούμε με το πηνίο αριστερά. Τότε, οι ακροδέκτες ενεργοποίησης του πηνίου βρίσκονται στις δύο αριστερότερες τρύπες που καλύπτει πλήρως ο ηλεκτρονόμος, όπως φαίνεται στο σχεδιάγραμμα δεξιά. Οι ακροδέκτες των διακοπτών βρίσκονται στη δεξιά άκρη του ηλεκτρονόμου, στήλη παρά στήλη. Στην επάνω σειρά (f) είναι ο ένας διακόπτης, και στην κάτω σειρά (e) είναι ο άλλος. Ο πόλος του κάθε διακόπτη είναι στο μεσαίο από τους 3 ακροδέκτες. Η επαφή αδρανείας είναι κοντά στο πηνίο, ενώ η επαφή ενεργοποίησης είναι στη δεξιά άκρη του ηλεκτρονόμου, στην δεξιότερη τρύπα που καλύπτει ο ηλεκτρονόμος. Όταν ξέρουμε την (οριζόντια) συντεταγμένη των ακροδεκτών του πηνίου, οι συντεταγμένες των ακροδεκτών των διακοπτών προκύπτουν προσθέτοντας τους αριθμούς 6 (επαφή αδρανείας), 8 (πόλος), και 10 (επαφή ενεργοποίησης).

Πείραμα 2.2: Λειτουργία του Ηλεκτρονόμου

Κατασκευάστε στο εργαστήριο το κύκλωμα που φαίνεται δίπλα, και χρησιμοποιήστε το γιά να διαπιστώστε πειραματικά τον τρόπο λειτουργίας του ηλεκτρονόμου. Προσέξτε ότι πρέπει να συνδέσετε σεις οι ίδιοι τη μία άκρη του πηνίου στην αρνητική τροφοδοσία ("γείωση"): σε αντίθεση με τις φωτοεκπομπές διόδους, που βρίσκονται κατευθείαν πάνω στην πλακέτα και των οποίων ο αρνητικός ακροδέκτης είναι ήδη συνδεδεμένος στη "γή" στο πίσω μέρος της πλακέτας, τα στοιχεία που βάζουμε πάνω στο breadboard δεν έχουν καμία έτοιμη σύνδεση με τροφοδοσίες. Πατώντας το διακόπτη A, τροφοδοτείτε με ρεύμα το πηνίο, οπότε αυτό ενεργοποιείται. Παρατηρήστε προσεκτικά τη μηχανική κίνηση που κάνει ο οπλισμός του ηλεκτρομαγνήτη, και οι δύο διακόπτες μέσα στον ηλεκτρονόμο. Δείτε ποιές φωτοδίοδοι ανάβουν κάθε φορά και επιβεβαιώστε τη λειτουργία των διακοπτών που περιγράψαμε στο μάθημα. Όταν τελειώσετε, μην χαλάσετε τις συνδέσεις από τον ηλεκτρονόμο στις λυχνίες, διότι θα τις χρειαστείτε ακριβώς τις ίδιες και στο επόμενο πείραμα.

Πείραμα 2.3: Αποκωδικοποιητής 3-σε-8

Στο πείραμα 1.3 είδαμε έναν αποκωδικοποιητή 2-σε-4 με διακόπτες. Το κύκλωμα εκείνο μπορεί να επεκταθεί κατά προφανή τρόπο σε περισσότερες εξόδους, προσθέτοντας περισσότερα επίπεδα στο δέντρο του αποκωδικοποιητή· όμως, καθώς το κάνουμε αυτό, πληθαίνουν και οι διακόπτες οι οποίοι πρέπει να ελέγχονται κατά όμοιο τρόπο από ορισμένα από τα bits εισόδου. Εδώ, θα επεκτείνουμε τον αποκωδικοποιητή σε τρία bits εισόδου και 8 εξόδους. Στο τρίτο επίπεδο του δέντρου χρειαζόμαστε 4 διακόπτες SPDT, ελεγχόμενους όλους από το τρίτο bit εισόδου, το C. Επειδή δεν έχουμε τετραπλό διακόπτη στην πλακέτα μας, θα χρησιμοποιήσουμε στη θέση του 2 ηλεκτρονόμους, αφού καθένας τους προσφέρει 2 διακόπτες. Όπως φαίνεται στο κύκλωμα δεξιά, ελέγχουμε και τους δύο ηλεκτρονόμους με τον ίδιο τρόπο, από το ίδιο σημείο, χρησιμοποιώντας ένα διακόπτη C. Το αποτέλεσμα είναι ότι και οι 4 διακόπτες των ηλεκτρονόμων, που αποτελούν το 3ο επίπεδο του δέντρου αποκωδικοποίησης, θα βρίσκονται πάντα στην ίδια κατάσταση.

Στο εργαστήριο, κατασκευάστε το κύκλωμα αυτό (τον επάνω ηλεκτρονόμο τον έχετε έτοιμο από το προηγούμενο πείραμα), και ελέγξτε την ορθή λειτουργία του. Χρησιμοποιήστε 3 διακόπτες (A, B, C) τύπου μεταγωγού ώστε οι τιμές εισόδου να παραμένουν σταθερές όταν δεν ακουμπάτε τους διακόπτες. Παρατηρήστε ποιός συνδυασμός διακοπτών ανάβει ποιά λάμπα.

Στο γραπτό που θα ετοιμάσετε πριν το εργαστήριο, σχεδιάστε το κύκλωμα με το οποίο θα φτιάχνατε, κατά ανάλογο τρόπο, τον πολυπλέκτη 16-σε-1 που σχεδιάσατε παραπάνω, στην προετοιμασία του πειράματος 2.1. Πόσους ηλεκτρονόμους χρειάζεστε γιά να υλοποιήστε το 1ο και 2ο (αριστερά) επίπεδο του δέντρου πολύπλεξης, και πώς θα τους συνδέσετε; Το κύκλωμα που θα σχεδιάσετε πρέπει να είναι έτοιμο γιά κατασκευή --όμως δεν θα το κατασκευάσετε στο εργαστήριο, ελλείψει χρόνου.

Ανάδραση: Ευσταθή, Ασταθή, και Δισταθή Συστήματα

Πολλά φυσικά και τεχνητά συστήματα εμπεριέχουν ανάδραση (feedback). Έστω ότι το σύστημα έχει μιάν είσοδο και μιάν έξοδο. Όταν δεν υπάρχει ανάδραση, η είσοδος επιδρά στην έξοδο με ορισμένο τρόπο --ιδιαίτερα μας ενδιαφέρει η πολικότητα, η ένταση, και η καθυστέρηση της επίδρασης. Όταν προστεθεί ανάδραση, η έξοδος συνδέεται πίσω στην είσοδο --είτε κατευθείαν είτε μέσω ενός άλλου συστήματος-- ούτως ώστε η έξοδος να επιδρά με τη σειρά της στην είσοδο. Το προκύπτον σύνθετο σύστημα έχει μιά νέα συμπεριφορά, που προκύπτει από την ανάδραση. Πρώτ' απ' όλα, η ανάδραση διακρίνεται σε αρνητική και σε θετική.

Αρνητική λέμε την ανάδραση όταν η πολικότητά της είναι αντίθετη σε σχέση με το τι έκανε το σύστημα, δηλαδή όταν ή έξοδος αλλάζει προς μιά κατεύθυνση Α, η ανάδραση είναι τέτοια ώστε να το κάνει να κινηθεί στην αντίθετη κατεύθυνση, Β. Όταν η αρνητική ανάδραση είναι ήπια και η επίδρασή της μέσω της εισόδου του συστήματος επανεμφανίζεται στην έξοδο αρκούντως γρήγορα, τότε αυτή προκαλεί σταθεροποίηση του συστήματος και έλεγχο της συμπεριφοράς του, οπότε και μιλάμε γιά ευσταθές σύστημα. Ένα τέτοιο παράδειγμα από την καθημερινή ζωή είναι όταν είμαι κάτω από το ντους και ρυθμίζω τη θερμοκρασία του ανοιγοκλείνοντας με ήπιο και αργό τρόπο τις βρύσες του ζεστού και του κρύου. Όταν όμως η αρνητική ανάδραση είναι απότομη ή η επίδρασή της αργεί να επανεμφανιστεί στην έξοδο, τότε προκύπτει ασταθές σύστημα, το οποίο ταλαντούνται συνεχώς μεταξύ ακραίων καταστάσεων. Γιά παράδειγμα, πάλι στο ντούς, αν η αντίδραση στο ελαφρώς ζεστό νερό είναι να ανοίξω απότομα και εντελώς το κρύο, και αντίστροφα γιά το ελαφρώς κρύο νερό, τότε μάλλον θα υποφέρω συνεχώς από εναλλάξ κρύο και καυτό νερό.

Θετική λέμε την ανάδραση όταν η πολικότητά της είναι ίδια με το τι έκανε το σύστημα, δηλαδή αν ή έξοδος άλλαξε προς μιά κατεύθυνση Α, η ανάδραση είναι τέτοια ώστε να το κάνει να κινηθεί ακόμα περισσότερο στην ίδια κατεύθυνση Α. Η θετική ανάδραση έχει αποκλίνοντα αποτελέσματα στο σύστημα: το πηγαίνει στα άκρα, και το αφήνει εκεί. Δεδομένου ότι πολλά συστήματα έχουν δύο ακραίες καταστάσεις, η θετική ανάδραση συνήθως τα πηγαίνει και τα αφήνει στη μία ή στην άλλη από αυτές, και τότε μιλάμε γιά δισταθή συστήματα, δηλαδή συτήματα με δύο, διαφορετικές, ευσταθείς καταστάσεις ισορροπίας (συχνά υπάρχει και μία μεσαία κατάσταση ασταθούς ισορροπίας). Τα δισταθή συστήματα μπορούμε να τα χρησιμοποιήσουμε γιά αποθήκευση πληροφορίας: έχουν "μνήμη" και "θυμούνται" σε ποιάν από τις καταστάσεις ευσταθούς ισορροπίας τους τα αφήσαμε. Τα ασταθή συστήματα μπορούμε να τα χρησιμοποιήσουμε γιά τη δημιουργία "ρολογιών" μέτρησης του χρόνου (όταν η περίοδος ταλάντωσής τους είναι αρκούντως προβλέψιμη ή ελέγξιμη).

Πείραμα 2.4: Ταλαντωτής με Ηλεκτρονόμο

Ο ηλεκτρονόμος στο κύκλωμα δεξιά ελέγχει τον εαυτό του χρησιμοποιώντας αρνητική ανάδραση: όταν το πηνίο είναι αδρανές, ο διακόπτης του ηλεκτρονόμου τροφοδοτεί το πηνίο με ρεύμα, ενεργοποιώντας το έτσι· όταν όμως το πηνίο ενεργοποιηθεί, ο διακόπτης του ηλεκτρονόμου διακόπτει το ρεύμα του πηνίου, προκαλώντας έτσι την αδρανοποίησή του. Δεδομένου ότι η "διόρθωση" που προκαλεί η αρνητική ανάδραση είναι ψηφιακή, δηλαδή ακραία, και όχι ήπια και προοδευτική (αναλογική), το κύκλωμα αυτό είναι ασταθές, δηλαδή ταλαντούται, μ' άλλα λόγια το πηνίο θα αναβοσβήνει συνεχώς, και ο διακόπτης θα ανοιγοκλείνει, αντίστοιχα συνεχώς. Προσοχή: επειδή ο ηλεκτρονόμος αναβοσβήνει πολύ γρήγορα, φθείρεται αντίστοιχα γρήγορα. Γιά να αποφευχθεί σημαντική φθορά του, μην τον αφήνετε να ταλαντούται επί πολλή ώρα. Γιά το σκοπό αυτό προσθέσαμε το διακόπτη "GO": ο ηλεκτρονόμος ταλαντούται μόνο όταν ο "GO" είναι πατημένος· μην πατάτε επί πολλή ώρα τον "GO". Στο εργαστήριο, κατασκευάστε το κύκλωμα αυτό, και δοκιμάστε το εν συντομία.

Πριν το εργαστήριο, κάντε μιά γραφική αναπαράσταση της συμπεριφοράς του ηλεκτρονόμου. Βάλτε στον οριζόντιο άξονα τον χρόνο, και στον κατακόρυφο άξονα το ρεύμα του πηνίου. Το ρεύμα του πηνίου είναι 100 mA όταν ο διακόπτης του ηλεκτρονόμου κάνει επαφή επάνω, και 0 όταν αυτός δεν κάνει επαφή επάνω. Όταν ανάβει το πηνίο (περνάει ρεύμα μέσα από αυτό), η επαφή διακόπτεται μετά από καθυστέρηση 6 ms. Όταν σβήνει το πηνίο (δεν περνάει ρεύμα), η επαφή αποκαθίσταται μετά από καθυστέρηση 4 ms. Οι καθυστερήσεις αυτές οφείλονται στην αδράνεια των κινουμένων μερών του ηλεκτρονόμου (οι αριθμητικές τιμές είναι πλασματικές, και όχι οι αληθινές· θεωρούμε ότι οι δύο καθυστερήσεις διαφέρουν μεταξύ τους διότι διαφέρουν οι δυνάμεις (ηλεκτρομαγνήτης - ελατηρίο επαναφοράς) και διαφέρουν οι διαδρομές του εμβόλου μέχρι την αλλαγή κατάστασης του διακόπτη). Θεωρήστε ότι ο διακόπτης GO πατιέται τη χρονική στιγμή t=0, και δείξτε τη συμπεριφορά του ηλεκτρονόμου σαν συνάρτηση του χρόνου, από το χρόνο 0 μέχρι το χρόνο t = 32 ms. Ποιά είναι η περίοδος και ποιά η συχνότητα ταλάντωσης του ηλεκτρονόμου;

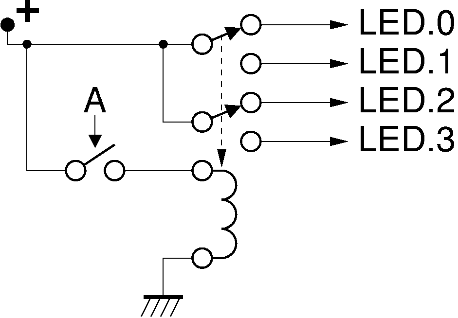
Πείραμα 2.5: Μνήμη "RS Flip-Flop" με Ηλεκτρονόμο

Ο ηλεκτρονόμος στο κύκλωμα δεξιά ελέγχει τον εαυτό του χρησιμοποιώντας θετική ανάδραση: όταν το πηνίο είναι αδρανές, ο διακόπτης του ηλεκτρονόμου δεν τροφοδοτεί το πηνίο με ρεύμα, κι έτσι το πηνίο παραμένει αδρανές· όταν το πηνίο ενεργοποιηθεί (εξωτερικά), ο διακόπτης του ηλεκτρονόμου τροφοδοτεί το πηνίο με ρεύμα, κι έτσι το πηνίο παραμένει ενεργοποιημένο. Έτσι, το κύκλωμα αυτό είναι δισταθές: αν ήταν αδρανές παραμένει αδρανές, και αν ήταν ενεργό παραμένει ενεργό. Κατά συνέπεια, το κύκλωμα αυτό αποτελεί ένα στοιχείο μνήμης χωρητικότητας ενός bit: μπορεί να αποθηκεύσει και να θυμάται μία δυαδική ψηφιακή τιμή (αδρανές ή ενεργό). Το ισοδύναμο αυτού του κυκλώματος, αλλά φτιαγμένο από transistors, λέγεται "flip-flop". Όλα αυτά ισχύουν όσο δεν υπάρχει εξωτερική επίδραση, δηλαδή όσο δεν πατιέται κανένας από τους διακόπτες "SET" και "RESET".

Εάν ο ηλεκτρονόμος είναι αδρανής και πατηθεί το κουμπί SET, τότε παρακάμπτεται ο διακόπτης του ηλεκτρονόμου, και τροφοδοτείται με ρεύμα το πηνίο, με συνέπεια να ενεργοποιηθεί ο ηλεκτρονόμος. Μόλις ενεργοποιηθεί, ο διακόπτης του ηλεκτρονόμου αρχίζει να παρέχει και αυτός ρεύμα στο πηνίο, οπότε πλέον δεν είναι ανάγκη να παραμένει πατημένο το SET προκειμένου να παραμείνει ενεργός ο ηλεκτρονόμος. Άρα, το κουμπί SET "θέτει" (set) το στοιχείο μνήμης στην ενεργή κατάσταση, δηλαδή γράφει στο στοιχείο αυτό τη μία από τις τιμές που αυτό μπορεί να κρατήσει --ας πούμε την τιμή "1".

Εάν ο ηλεκτρονόμος είναι ενεργός και πατηθεί το κουμπί RESET, τότε διακόπτεται η τροφοδοσία ρεύματος στον ηλεκτρονόμο, και επομένως αυτός πηγαίνει στην αδρανή κατάσταση, και παραμένει εκεί ακόμα κι αν αφεθεί το κουμπί RESET (αρκεί να μην είναι πατημένο ταυτόχρονα και το SET). Άρα, το κουμπί RESET "επαναφέρει" (reset) το στοιχείο μνήμης στην αδρανή κατάσταση, δηλαδή γράφει στο στοιχείο αυτό την άλλη από τις τιμές που αυτό μπορεί να κρατήσει --ας πούμε την τιμή "0". Από τα αρχικά των λέξεων RESET και SET, το flip-flop αυτό λέγεται τύπου "RS".

Πριν το εργαστήριο, εξηγήστε γραπτά τι θα συμβεί εάν πατηθούν ταυτόχρονα τα κουμπιά SET και RESET: ποιό υπερισχύει; γιατί; Εάν αφεθεί πρώτο το SET και μετά το RESET, σε ποιά κατάστση θα μείνει το στοιχείο μνήμης; Εάν αφεθούν με αντίστροφη σειρά, τι θα γίνει;

Στο εργαστήριο, κατασκευάστε το κύκλωμα και ελέγξτε τη λειτουργία του. Μετά, πατήστε και το SET και το RESET, και προσπαθήστε να τα αφήσετε και τα δύο "ταυτόχρονα": τι θα συμβεί; μπορείτε να πετύχετε πραγματικά τον απόλυτο "ταυτοχρονισμό";


Up to the Home Page of CS-120
 
© copyright University of Crete, Greece.
Last updated: 22 Oct. 2003, by M. Katevenis.