ΗΥ-120: Ψηφιακή Σχεδίαση
Φθινόπωρο 2003
Τμ. Επ. Υπολογιστών
© Πανεπιστήμιο Κρήτης

Εργαστήριο 3:
Συνδυαστικά Κυκλώματα, Πύλες, IC's

3 - 7 Νοεμβρίου 2003

[Βιβλίο: προαιρετικά μπορείτε να διαβάσετε τις σελίδες 93-95 (παραγράφοι 3.1 και μέρος της 3.2), τις παραγράφους 2.7 και 2.8 (σελ. 75-88), και τις παραγράφους 10.7 και 10.8 (σελίδες 528-536)].

3.1   Σύνθεση Συνδυαστικών Κυκλωμάτων από τον Πίνακα Αληθείας τους:

Συνδυαστικά λέγονται τα ψηφιακά κυκλώματα των οποίων οι έξοδοι είναι συναρτήσεις μόνο της παρούσας τιμής των εισόδων, και όχι οιασδήποτε παρελθούσας τιμής, δηλαδή τα ψηφιακά κυκλώματα που δεν έχουν "μνήμη". Η λογική συμπεριφορά των συνδυαστικών κυκλωμάτων (δηλαδή οι ψηφιακές τιμές των εξόδων τους, αγνοώντας θέματα καθυστέρησης, θορύβου, κλπ) περιγράφεται και προδιαγράφεται πλήρως από τον Πίνακα Αληθείας τους, δηλαδή από τον πίνακα που λέει τι τιμή παίρνουν οι έξοδοί τους γιά καθ' ένα από τους δυνατούς συνδυασμούς τιμών των εισόδων τους. Μέχρι τώρα, οι λογικές συναρτήσεις (AND, OR, NOT) που θέλαμε να υλοποιήσουμε δίνονταν έτοιμες, όπως αυτές προέκυπταν από τη διατύπωση του προς επίλυση προβλήματος. Τώρα θα δούμε τι κάνουμε όταν η διατύπωση του προβλήματος ξεκινά με δοσμένο τον πίνακα αληθείας μόνο, ή όταν επιδιώκουμε την απλοποίηση δοσμένων λογικών συναρτήσεων.

Θα χρησιμοποιήσουμε, αρχικά, το παράδειγμα συνδυαστικού κυκλώματος δύο εισόδων και επτά εξόδων που φαίνεται εδώ. Οι έξοδοι οδηγούν τις 7 φωτοεκπομπούς διόδους της ένδειξης 7 τμημάτων που είδαμε στο εργαστήριο 0, σε τρόπον ώστε να εμφανίζονται σε αυτήν τα "γράμματα" A, b, c, και d, όταν οι είσοδοι είναι 00, 01, 10, και 11, αντίστοιχα. Γιά να επιτευχθούν τα σχήματα αυτά της οθόνης, πρέπει η κάθε έξοδος να έχει τις τιμές που δείχνει ο παρακάτω πίνακας στον καθένα από τους 4 συνδυασμούς τιμών των εισόδων· τιμή 1 προκαλεί άναμα της αντίστοιχης LED, ενώ τιμή 0 σημαίνει LED σβηστή:

    A  B    a  b  c  d  e  f  g

    0  0    1  1  1  0  1  1  1
    0  1    0  0  1  1  1  1  1
    1  0    0  0  0  1  1  0  1
    1  1    0  1  1  1  1  0  1
Αυτό που φτιάξαμε είναι οι 7 πίνακες αληθείας των 7 συνδυαστικών κυκλωμάτων που θα παράγουν τις 7 εξόδους a, b, ..., g, σαν ψηφιακές δυαδικές συναρτήσεις των 2 εισόδων A και B. Η επόμενη δουλειά μας είναι, με βάση αυτούς τους πίνακες, να φτιάξουμε τα αντίστοιχα κυκλώματα, χρησιμοποιώντας τις λογικές πράξεις AND, OR, NOT, και τις υλοποιήσεις τους με διακόπτες που ξέρουμε από το εργαστήριο 1. Αυτό θα το κάνουμε αναγνωρίζοντας, από τον κάθε πίνακα αληθείας, τη λογική συνάρτηση που αυτός αναπαριστά· όμως, γιά να πετύχουμε "με το μάτι" και ευκολότερα αυτή την αναγνώριση, θα προτιμήσουμε να γράφουμε τις τιμές της συνάρτησης σε ένα διδιάστατο πίνακα, όπως θα πούμε παρακάτω, αντί σε μία κατακόρυφη στήλη όπως παραπάνω.

3.2   Διαγράμματα Venn Δύο Μεταβλητών (και Χάρτες Karnaugh):

Οι λογικές συναρτήσεις 2 εισόδων καθορίζονται πλήρως από τις 4 τιμές που αυτές παίρνουν στον καθένα από τους 4 (=22) συνδυασμούς των 2 εισόδων τους (γι' αυτό και υπάρχουν ακριβώς 16 (=24) διαφορετικές τέτοιες λογικές συναρτήσεις 2 εισόδων). Άρα, ο πίνακας αληθείας τους περιέχει 4 δυαδικές τιμές. Γιά εύκολη αναγνώριση "με το μάτι" των λογικών αυτών συναρτήσεων μας βολεύει να διατάξουμε τις 4 αυτές τιμές σ' ένα διδιάστατο πίνακα 2x2, όπου οι γραμμές αντιστοιχούν στην τιμή της μιάς μεταβλητής εισόδου και οι στήλες αντιστοιχούν στην άλλη μεταβλητή εισόδου, όπως φαίνεται στο σχήμα. Η παράσταση αυτή, ανάλογα πώς την βλέπει και πώς την χρησιμοποιεί κανείς, λέγεται είτε Χάρτης Karnaugh (Καρνώ) είτε Διάγραμμα Venn.

Το διάγραμμα Venn έχει το εξής νόημα: θεωρούμε ότι η μεταβλητή εισόδου A προσδιορίζει κατά πόσον είμαστε μέσα στην "περιοχή A" (κάτω γραμμή) ή έξω από αυτήν (1 = μέσα, 0 = έξω). Ομοίως, η είσοδος B μας λέει αν είμαστε μέσα (1) στην περιοχή B (δεξιά στήλη) ή έξω (0) από αυτήν. Όταν μας δίνουν μιά λογική συνάρτηση (δηλαδή άσσους και μηδενικά στα 4 τετραγωνάκια), εμείς κοιτάζουμε σε ποιά περιοχή η συναρτηση αυτή γίνεται αληθής (τιμή = 1), και περιγράφουμε αυτή την περιοχή σαν συνάρτηση των τιμών των εισόδων A και B. Αν η συνάρτηση γίνεται αληθής μόνο στο κάτω δεξιό τετράγωνο, τότε γίνεται αληθής όταν είμαστε "μέσα" στο A (A=1) και "μέσα" στο B (B=1), δηλαδή όταν είναι αληθές το A και αληθές το B, δηλαδή όταν "A ΚΑΙ B" ("A AND B"). Κατ' αναλογία, όταν μιά λογική συνάρτηση 2 μεταβλητών γίνεται αληθής μόνο στο κάτω αριστερό τετράγωνο, τότε αυτή γίνεται αληθής όταν είμαστε μέσα στο A (A=1) και "έξω" από το B (B=0), δηλαδή όταν είναι αληθές το A και ψευδές (όχι αληθές) το B, δηλαδή όταν "A ΚΑΙ (ΟΧΙ B)" ("A AND (NOT B)"). Ομοίως, η λογική συνάρτηση που γίνεται αληθής μόνο στο πάνω δεξιό τετράγωνο είναι η "(NOT A) AND B", ενώ η συνάρτηση που γίνεται αληθής μόνο στο πάνω αριστερό τετράγωνο είναι η "(NOT A) AND (NOT B)". Στην περίπτωση του παραπάνω παραδείγματος με την ένδειξη 7 τμημάτων, η έξοδος a τυχαίνει να είναι ακριβώς αυτή η τελευταία συνάρτηση, όπως διαπιστώνουμε εύκολα αν σχεδιάσουμε τον πίνακα αληθείας της στη μορφή που φαίνεται στο σχήμα.

Όταν μιά λογική συνάρτηση γίνεται αληθής (τιμή = 1) σε δύο διπλανά τετράγωνα, τότε αυτή μπορεί να περιγραφεί σαν "μέσα" ή "έξω" από την περιοχή της μιάς από τις δύο μεταβλητές εισόδου. Έτσι, στο παραπάνω παράδειγμα, η έξοδος f, που γίνεται 1 στα δύο τετράγωνα της επάνω γραμμής, μπορεί να περιγραφεί σαν "έξω" από το A, δηλαδή ΟΧΙ A, όπως φαίνεται στο παραπάνω σχήμα. Αντίστοιχα, μιά συνάρτηση που θα γίνονταν 1 στην κάτω γραμμή θα ήταν ίση με A, αν γίνονταν 1 στη δεξιά στήλη θα ήταν ίση με B, και αν γίνονταν 1 στην αριστερή στήλη θα ήταν ίση με NOT B.

Μιά λογική συνάρτηση που γίνεται αληθής σε τρία τετράγωνα μπορεί να περιγραφεί όπως φαίνεται στο σχήμα δεξιά. Στο επάνω μέρος του σχήματος φαίνονται τρείς εναλλακτικές περιγραφές γιά τη συνάρτηση που οδηγεί το τμήμα d της ένδειξης 7 τμημάτων. Στην πρώτη περιγραφή, η περιοχή αληθείας της d ορίζεται σαν η ένωση τριών περιοχών μεγέθους ενός τετραγώνου η καθεμία. Καθώς παραπάνω η τομή περιοχών αντιστοιχούσε στο λογικό και, η ένωση περιοχών, εδώ, αντιστοιχεί στο λογικό ή, αφού η συνάρτηση είναι αληθής όποτε είναι αληθής ή ο ένας όρος, ή ο δεύτερος, ή ο τρίτος (ή περισσότεροι ταυτόχρονα). Έτσι, οι τρείς περιοχές του πρώτου σχήματος μας δίνουν την περιγραφή της συνάρτησης που φαίνεται από πάνω, η οποία είναι το λογικό ή τριών όρων που ο καθένας τους είναι ένα λογικό και.

Η δεύτερη περιγραφή της λογικής συνάρτησης d οδηγεί σε απλούστερη έκφραση, διότι χρησιμοποιεί λιγότερες και μεγαλύτερες βασικές περιοχές. Όσο μεγαλύτερη είναι μιά βασική περιοχή γειτονικών τετραγώνων, τόσο λιγότερους όρους "και" έχει η αντίστοιχη λογική έκφραση· και όσο λιγότερες περιοχές χρειάζεται να ενώσουμε γιά να καλύψουμε την περιοχή αληθείας της συνάρτησής μας, τόσο λιγότερα κομμάτια θα ενώνουν οι πράξεις ή. Τελικά, η οικονομικότερη περιγραφή της λογικής συνάρτησης d είναι η τρίτη, δεξιά, διότι χρησιμοποιεί τις μεγαλύτερες δυνατές βασικές περιοχές, δηλαδή τους απλούστερους όρους· η εν μέρει επικάλυψη των περιοχών δεν έχει καμία σημασία, αφού η λογική πράξη ή είναι αληθής όταν είναι αληθείς είτε μία είτε περισσότερες από τις εισόδους της. Κατ' ανάλογο τρόπο, η εξοδος c που ζητάμε γιά το κύκλωμα του παραδείγματός μας είναι η λογική συνάρτηση "(NOT A) OR B", όπως φαίνεται στο παραπάνω σχήμα, κάτω αριστερά. Η μέθοδος αυτή της απλοποίησης λογικών συναρτήσεων μέσω συνένωσης γειτονικών τετραγώνων λέγεται "μέθοδος του Χάρτη Καρνώ" (Karnaugh Map).

Η έξοδος b του κυκλώματός μας πρέπει να ανάβει στα δύο τετράγωνα που φαίνονται στο παραπάνω σχήμα (κάτω μέση), τα οποία όμως, δυστυχώς, δεν είναι γειτονικά. Γιά το λόγο αυτό, τα δύο αυτά τετράγωνα δεν μπορούν να συνενωθούν όπως παραπάνω, και δεν μπορεί να γίνει καμιά ιδιαίτερη απλοποίηση της σχετικής συνάρτησης --αυτή παραμένει αναγκαστικά η ένωση δύο ανεξάρτητων τετραγώνων: b = [(NOT A) AND (NOT B)] OR [A AND B]. Πρόκειται γιά τη συνάρτηση ισότητας που είδαμε στο εργαστήριο 1. Η άλλη λογική συνάρτηση 2 μεταβλητών που δεν απλοποιείται είναι η συνάρτηση αποκλειστικού Ή (exclusive OR, ή "XOR"), που επίσης είδαμε στο εργαστήριο 1, και που φαίνεται στο παραπάνω σχήμα, κάτω δεξιά.

3.3   Λογικές Πύλες, Συμβολισμοί Πράξεων:

Όπως είπαμε ήδη, μιλώντας γιά τους ηλεκτρικά ελεγχόμενους διακόπτες, χρειαζόμαστε ψηφιακά κυκλώματα που να μπορούμε να τα συνδέουμε ελεύθερα το ένα με το άλλο, δηλαδή η κάθε έξοδός τους να μπορεί να τροφοδοτήσει κατευθείαν μία ή περισσότερες εισόδους άλλων τέτοιων κυκλωμάτων, προκειμένου έτσι να φτιάχνουμε ολοένα και συνθετότερα ψηφιακά συστήματα. Τα ψηφιακά αυτά κυκλώματα που υλοποιούν τις στοιχειώδεις λογικές πράξεις ΚΑΙ, Ή, ΟΧΙ (καθώς και μερικές άλλες παρεμφερείς) τα λέμε Λογικές Πύλες, και τα συμβολίζουμε με τα σχήματα που φαίνονται στο σχήμα. Ειδικά γιά τη λογική αντιστροφή, το κατ' εξοχή σύμβολό της είναι ο μικρός κύκλος στη μύτη του τριγώνου --το τρίγωνο βασικά συμβολίζει ενισχυτή. Τα σύμβολα αυτά υποδεικνύουν πάντα κυκλώματα με μονόδρομη ροή της πληροφορίας από τις εισόδους τους (αριστερά στο σχήμα) προς τις εξόδους τους (δεξιά στο σχήμα), και ποτέ αντίστροφα. Με άλλα λόγια, στα (συνδυαστικά) αυτά κυκλώματα, η τιμή της εξόδου τους καθορίζεται από τις τιμές των εισόδων τους (και μόνο), ενώ οι τιμές των εισόδων τους ουδόλως επηρρεάζονται από το τι συμβαίνει στις εξόδους τους. Θα δούμε παρακάτω (παράγραφος 3.7) ότι αυτό έχει συνέπειες γιά τους τρόπους με τους οποίους επιτρέπεται να υλοποιούνται οι λογικές πράξεις μέσω κυκλωμάτων.

Όταν γράφουμε τις λογικές πράξεις σε μορφή κειμένου ή εξισώσεων, επειδή οι λέξεις και, ή, όχι πιάνουν πολύ χώρο, έχουν υιοθετηθεί στη διεθνή βιβλιογραφία άλλα, συντομότερα σύμβολα γιά τις πράξεις αυτές, όπως φαίνεται στο σχήμα, δεξιά από τα σύμβολα των πυλών. Στη γλώσσα προγραμματισμού C, καθώς και στη γλώσσα περιγραφής υλικού Verilog, η πράξη (bitwise) AND συμβολίζεται με "&", η πράξη (bitwise) OR συμβολίζεται με "|", και η πράξη (bitwise) ΝΟΤ συμβολίζεται με "~". Σε βιβλία και κείμενα θεωρίας ψηφιακής σχεδίασης, η πράξη AND συμβολίζεται με μία τελεία --ή και χωρίς αυτήν-- όπως ο πολλαπλασιασμός, η δε πράξη OR συμβολίζεται με ένα σταυρό, όπως και η πρόσθεση. Τη συνήθεια αυτή πρέπει να τη δεί κανείς σαν απλό συμβολισμό, χωρίς κανένα περαιτέρω νόημα ότι δήθεν υπάρχει ομοιότητα ή ταύτιση των λογικών πράξεων AND/OR με τις αριθμητικές πράξεις πολλαπλασιασμού/πρόσθεσης --πρόκειται γιά εντελώς διαφορετικά πράγματα, και απλώς υιοθετούμε το ίδιο σύμβολο γιά λόγους τυπογραφίας και μόνο. Η λογική ΝΟΤ συμβολίζεται με μία μπάρα πάνω από το όρισμά της· όταν τυπογραφικοί λόγοι καθιστούν δύσκολη τη χρήση μπάρας, χρησιμοποιείται εναλλακτικά ο συμβολισμός "τονούμενο" (prime).

3.4   Το Κύκλωμα γιά τις Ενδείξεις A, b, c, d:

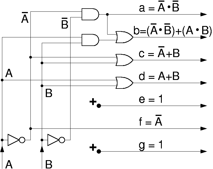
Το συνδυαστικό κύκλωμα που ζητούσαμε στην παράγραφο 3.1 φαίνεται, τελικά, στο σχήμα δεξιά. Από τις δύο εισόδους, A και B, κάτω αριστερά, δημιουργούμε πρώτα και τα "συμπληρωματικά" του σήματα (τα αντίστροφά τους - τις αρνήσεις τους), A' και B' (ή συμβολισμένα με μπάρες, όπως στο σχήμα). Στη συνέχεια, τα 4 αυτά σήματα τροφοδοτούν τις κατάλληλες πύλες AND και OR, σύμφωνα με τις εξισώσεις που βρήκαμε από τους χάρτες Karnaugh (παράγραφος 3.2). Παρατηρήστε ότι η λογική συνάρτηση [(NOT A)AND(NOT B)] (απλούστερα γραμμένη: A'B') που αποτελεί την έξοδο a, αποτελεί ταυτόχρονα και μέρος της συνάρτησης της εξόδου b, κι έτσι η έξοδος της επάνω πύλης ΚΑΙ χρησιμοποιείται και σαν είσοδος της πρώτης πύλης Ή. Οι έξοδοι e και g, που είναι πάντα 1, γεννιούνται με κατευθείαν σύνδεση στην τροφοδοσία υψηλής τάσης (1), χωρίς να χρειάζεται λογική πύλη. Θυμηθείτε ότι σε αυτά τα διαγράμματα κυκλωμάτων, όταν δύο γραμμές τέμνονται χωρίς κουκκίδα σημαίνει ότι τα αντίστοιχα σύρματα διασταυρώνονται χωρίς επαφή· οι διακλαδώσεις συρμάτων με επαφή προτιμάμε να έχουν σχήμα "Τ" (μονή διακλάδωση) και όχι σταυρού (διπλή διακλάδωση από το ίδιο σημείο).

Άσκηση 3.5:   Οι Αριθμοί 0-3 στην Οθόνη 7 Τμημάτων

Σχεδιάστε (πριν φτάσετε στο εργαστήριο) ένα κύκλωμα ανάλογο αυτού της παραγράφου 3.4, που όμως να εμφανίζει στον ενδείκτη 7 τμημάτων τους αριθμούς 0, 1, 2, και 3, όπως φαίνεται δεξιά, αντί των γραμμάτων A, b, c, και d που ενεφάνιζε το προηγούμενο κύκλωμα (παράγραφος 3.1): (i) φτιάξτε τον πίνακα αληθείας των 7 εξόδων που σας ζητώνται· (ii) φτιάξτε χάρτες Karnaugh γιά τις 7 αυτές εξόδους· (iii) απλοποιήστε τις συναρτήσεις των 7 εξόδων από τους χάρτες αυτούς, και γράψτε τις εξόδους σαν συναρτήσεις των εισόδων χρησιμοποιώντας τα σύμβολα των λογικών πράξεων που είδαμε παραπάνω· και (iv) σχεδιάστε τα κυκλώματα που υλοποιούν αυτές τις συναρτήσεις χρησιμοποιώντας τα σύμβολα των πυλών που είδαμε παραπάνω.

3.6   Υλοποίηση Λογικών Πυλών με Ηλεκτρονόμους:

Οι λογικές πύλες ΟΧΙ, ΚΑΙ, Ή που είδαμε στην παράγραφο 3.3 μπορούν να υλοποιηθούν με ηλεκτρονόμους (εργαστήριο 2), αν και σήμερα σπανιότατα χρησιμοποιούνται τέτοιες υλοποιήσεις. Ξέρουμε ότι η βασική ιδέα γιά την υλοποίηση της πράξης ΚΑΙ είναι η χρήση διακοπτών εν σειρά, ενώ γιά την πράξη Ή θέλουμε διακόπτες εν παραλλήλω. Όμως, η απλή αυτή ιδέα πρέπει να συμπληρωθεί κατάλληλα: το νόημα των λογικών πυλών είναι ότι μπορούμε να τις συνδέουμε μεταξύ τους, ώστε να φτιάχνουμε μεγαλύτερα κυκλώματα. Γιά να μπορούν να συνδέονται μεταξύ τους, πρέπει η σύμβαση αναπαράστασης των ψηφιακών τιμών να είναι ίδια στις εισόδους και στις εξόδους --οι είσοδοι δεν μπορούν να είναι ανθρώπινα δάκτυλα που πιέζουν διακόπτες, όπως είπαμε στο εργαστήριο 2. Γιά υλοποιήση των λογικών πυλών μέσω ηλεκτρονόμων, η αναπαράσταση των ψηφιακών τιμών είναι: "0" = ανοικτό κύκλωμα (μηδέν ρεύμα), και "1" = ψηλή τάση με δυνατότητα παροχής επαρκούς ρεύματος. Με βάση αυτή τη σύμβαση, οι τρείς βασικές λογικές πύλες μπορούν να υλοποιηθούν με ηλεκτρονόμους όπως δείχνει το σχήμα δίπλα. Παρατηρήστε ότι και τα τρία αυτά κυκλώματα εγγυώνται τη μονόδρομη ροή της πληροφορίας που προδιαγράψαμε στην παράγραφο 3.3, αφού το κύκλωμα των διακοπτών των ηλεκτρονόμων (έξοδος πύλης) είναι αδύνατον να επηρρεάσει την τάση ή το ρεύμα του πηνίου τους (είσοδοι πύλης).

3.7   Οικονομικότερες Υλοποιήσεις και συναφείς Κίνδυνοι:

Όταν θέλουμε να υλοποιήσουμε με ηλεκτρονόμους ένα σύστημα αποτελούμενο από πολλές συνδεδεμένες πύλες, η "τυφλή" υλοποίηση της κάθε πύλης σύμφωνα με τα κυκλώματα που είδαμε αμέσως πιό πάνω ναι μεν είναι ασφαλής --δηλαδή δίνει πάντα ένα σωστό κύκλωμα-- πλην όμως μπορεί συχνά να είναι σπάταλη. Συνήθως υπάρχουν εναλλακτικές υλοποιήσεις που χρησιμοποιούν λιγότερους ηλεκτρονόμους, όπως θα εξηγηθεί σε αυτή και την επόμενη παράγραφο. (Σημειώνεται ότι οι τεχνικές αυτές είναι επικουρικής και όχι κεντρικής σημασίας γιά την κατανόηση των εννοιών αυτού του μαθήματος). Η εξοικονόμηση ηλεκτρονόμων προκύπτει γενικά από την εφαρμογή των εξής βελτιστοποιήσεων:
  1. Κάθε ηλεκτρονόμος (από αυτούς που έχουμε στο εργαστήριο) ελέγχει δύο διακόπτες. Επομένως, όποτε ένα σήμα αποτελεί είσοδο σε δύο πύλες, αρκεί η χρήση ενός ηλεκτρονόμου (ελεγχόμενου από αυτό το σήμα), ο οποίος θα συμμετέχει με τον ένα του διακόπτη στη μία πύλη και με τον άλλο του διακόπτη στην άλλη πύλη· παράδειγμα: βλ. επόμενη παράγραφο.
  2. Κάθε διακόπτης ηλεκτρονόμου (από αυτούς που έχουμε στο εργαστήριο) έχει τόσο επαφή ενεργοποίησης όσο και επαφή ηρεμίας. Επιλέγοντας κατάλληλα το ποιά από τις δύο αυτές επαφές θα χρησιμοποιήσουμε, μπορούμε να έχουμε μιά λογική συνάρτηση όπου συμμετέχει είτε αυτός καθεαυτός ο όρος εισόδου, είτε το αντίστροφο (η άρνηση) τού όρου εισόδου· παράδειγμα: βλ. επόμενη παράγραφο.
  3. Δύο (ή περισσότερες) πύλες, όπου η έξοδος της πρώτης χρησιμοποιείται μόνο σαν είσοδος της δεύτερης και πουθενά αλλού, μπορούν συχνά να υλοποιηθούν σαν ένα ενιαίο, σύνθετο δίκτυο διακοπτών εν σειρά και εν παραλλήλω, όπως φαίνεται στο παράδειγμα του σχήματος. Το αριστερό κύκλωμα είναι μιά σωστή υλοποίηση της συνάρτησης AB+C, αφού η έξοδος Out παίρνει ψηλή τάση όταν και μόνον όταν είναι ενεργοί οι διακόπτες A και B, ή όταν είναι ενεργός ο διακόπτης C, ή και τα δύο.
Στο σημείο αυτό, όμως, απαιτείται προσοχή: εάν την έξοδο της πρώτης πύλης την χρειαζόμαστε και κάπου αλλού, τότε η σύνθεση των δύο πυλών συνήθως δεν επιτρέπεται να γίνει, όπως δείχνει το ίδιο αυτό παράδειγμα. Το εσωτερικό σημείο "internal point" στο αριστερό κύκλωμα ναι μεν ορίζεται σαφώς από το διάγραμμα πυλών σαν το λογικό ΚΑΙ των A και B, πλην όμως δεν υλοποιείται πουθενά στο κύκλωμα με τους ηλεκτρονόμους: όταν A=0 και C=1, τότε το εσωτερικό αυτό σημείο θα έπρεπε να είναι AB=0, όμως το αντίστοιχο σημείο στο κύκλωμα θα είναι 1, επειδή ο ηλεκτρονόμος που ελέγχεται από το C θα είναι ενεργός και θα παρέχει ψηλή τάση τόσο στην έξοδο Out (σώστο), όσο και στο "internal point" (λάθος). Το "λάθος" αυτό οφείλεται στο ότι τα σύρματα και οι διακόπτες επιτρέπουν αμφίδρομη και όχι μονόδρομη ροή πληροφορίας, όπως λέγαμε στην παράγραφο 3.3: η πληροφορία Out = AB+C οδεύει όχι μόνο στην έξοδο αλλά και "πίσω" προς το σημείο που θα θέλαμε να ήταν ίσο με A ΚΑΙ B (αλλά δεν είναι). Στην περίπτωση λοιπόν που χρειαζόμαστε και την έξοδο της πύλης ΚΑΙ, τότε πρέπει να χρησιμοποιηθεί το δεξιό κύκλωμα --όπου δεν έχει γίνει καμιά εξοικονόμηση ηλεκτρονόμων. Εδώ, η πληροφορία Out2 = AB+C δεν μπορεί να οδεύσει "πίσω" και να επηρρεάσει τον κόμβο Out1, διότι εμποδίζεται από τον ηλεκτρονόμο "απομόνωσης" που προσετέθη, ο οποίος επιβάλει την μονόδρομη ροή της πληροφορίας· έτσι τώρα, Out1 = AB, όπως δηλαδή θέλαμε.

3.8   Οι Ενδείξεις A, b, c, d με Ηλεκτρονόμους:

Το κύκλωμα γιά τις ενδείξεις A, b, c, d που ζητούσαμε στην παράγραφο 3.1, και το οποίο υλοποιείται με τις λογικές πύλες της παραγράφου 3.4, μπορεί να κατασκευαστεί με ηλεκτρονόμους βάσει των όσων είπαμε στις δύο προηγούμενες παραγράφους. Χρησιμοποιώντας τις τεχνικές εξοικονόμησης της προηγουμένης παραγράφου προκύπτει το κύκλωμα που φαίνεται στο σχήμα. Οι συναρτήσεις e και g είναι τετριμένες: αρκεί οι δύο αυτές LED να συνδεθούν μονίμως στην θετική τροφοδοσία. Γιά να υλοποιηθούν οι υπόλοιπες συναρτήσεις χρειάζονται 6 διακόπτες ελεγχόμενοι από την είσοδο A και 5 διακόπτες ελεγχόμενοι από την B, δεδομένου ότι ο όρος A εμφανίζεται 6 φορές στις επιθυμητές λογικές συναρτήσεις, ο δε όρος B εμφανίζεται 5 φορές. Μία επιπλέον οικονομία μπορεί να γίνει αν υλοποιήσουμε τη συνάρτηση ισότητας, b, με το "κόλπο" που είδαμε στο εργαστήριο 1, οπότε πέφτουμε στους 5 διακόπτες γιά το A και 4 γιά το B. Δεδομένου ότι δεν έχουμε 5-πλούς ή 4-πλούς διακόπτες, χρησιμοποιούμε ηλεκτρονόμους γιά να ελέγξουμε με ταυτόσημο τρόπο τους 5 διακόπτες A και τους 4 διακόπτες B από τους απλούς διακόπτες εισόδου A και B. Υποθέτουμε ότι όταν A=1 πατιέται ο κάτω αριστερά διακόπτης SPST, και όταν B=1 πατιέται ο κάτω δεξιά διακόπτης SPST.

Όταν πατιέται ο διακόπτης A, τροφοδοτούνται με ρεύμα οι 3 αριστεροί ηλεκτρονόμοι, κι έτσι έλκονται προς τα κάτω οι 5 διακόπτες SPDT αυτών των ηλεκτρονόμων· άρα, οι 5 αυτοί διακόπτες αποτελούν "αντίγραφα" του διακόπτη A. Ομοίως, οι 4 διακόπτες των 2 δεξιά ηλεκτρονόμων κινούνται πανομοιότυπα με τον διακόπτη B. Η έξοδος a τροφοδοτείται από τη θετική τροφοδοσία μέσω 2 διακοπτών εν σειρά, άρα ακολουθεί λογική "και"· επειδή χρησιμοποιήσαμε τις επάνω επαφές των διακοπτών, ρεύμα περνάει όταν οι διακόπτες είναι επάνω, δηλαδή όχι πατημένοι, κι έτσι προκύπτει η επιθυμητή λογική "όχι". Η έξοδος c τροφοδοτείται μέσω 2 διακοπτών εν παραλλήλω, άρα ακολουθεί λογική "ή"· χρησιμοποιούμε την επάνω επαφή του A (όχι πατημένος) γιά να πετύχουμε λογική "όχι", και την κάτω επαφή του B (πατημένος) γιά να έχουμε θετική πολικότητα. Η έξοδος d τροφοδοτείται παρόμοια, αλλά εδώ χρησιμοποιούμε την κάτω επαφή και στους δύο διακόπτες, κι έτσι η πολικότητα είναι θετική ως προς και τις δύο εισόδους. Τέλος, η έξοδος f τροφοδοτείται μέσω ενός διακόπτη, ελεγχόμενου από την είσοδο A, και χρησιμοποιεί την "όχι πατημένη" επαφή, άρα ισούται με όχι A.

Πείραμα 3.9:   Οι Αριθμοί 0-3 με Ηλεκτρονόμους

Σχεδιάστε (πριν το εργαστήριο) και κατασκευάστε και ελέγξτε (στο εργαστήριο) το κύκλωμα της άσκησης 3.5 χρησιμοποιώντας ηλεκτρονόμους, κατ' αναλογία του ό,τι κάναμε στην προηγούμενη παράγραφο 3.8 γιά το κύκλωμα της παραγράφου 3.1. Τροφοδοτήστε με τις 7 εξόδους του κυκλώματός σας τα 7 τμήματα του ενδείκτη 7 τμημάτων της πλακέτας.

3.10   Λογικές Πύλες σε Τεχνολογία CMOS

Φυσικά, οι υπολογιστές δεν φτιάχνονται πιά με ηλεκτρονόμους αλλά με ολοκληρωμένα κυκλώματα. Τα περισσότερα ολοκληρωμένα κυκλώματα, σήμερα, φτιάχνονται με την τεχνολογία CMOS (complementary MOS - συμπληρωματικά MOS). Τη βάση της τεχνολογίας αυτής αποτελούν τα transistors τύπου "MOS FET" (metal - oxide - semiconductor field-effect transistor): transistor επίδρασης πεδίου τύπου μέταλλο - οξείδιο - ημιαγωγός. Κάθε transistor έχει ένα ηλεκτρόδιο ελέγχου ("πύλη") και δύο ηλεκτρόδια που είναι οι άκρες ενός ημιαγώγιμου "καναλιού". Προσοχή να μην συγχέουμε την "πύλη" του transistor με τις "λογικές πύλες" της παραγράφου 3.3 --πρόκειται γιά δύο άσχετες μεταξύ τους χρήσεις του ίδιου όρου. Η πύλη βρίσκεται "πάνω" από το κανάλι, και επιδρά στην αγωγιμότητά του μέσω ηλεκτρικού πεδίου, χωρίς να κάνει ηλεκτρική επαφή με το κανάλι· γι' αυτό η πύλη δεν διαρρέεται ποτέ από ρεύμα, κι έτσι η τεχνολογία CMOS μπορεί να δώσει chips χαμηλής κατανάλωσης ενέργειας.

Η τεχνολογία CMOS έχει δύο "συμπληρωματικά" είδη transistors: τα τύπου NMOS (negative-channel MOS) με "αρνητικό" κανάλι, και τα τύπου PMOS (positive-channel MOS) με "θετικό" κανάλι. Στα NMOS, το κανάλι δημιουργείται από ελεύθερα ηλεκτρόνια (αρνητικούς φορείς) τα οποία προσελκύει εκεί η τάση της πύλης· επειδή τα ηλεκτρόνια έλκονται από θετικές τάσεις, οι ψηλές τάσεις πύλης αυξάνουν την αγωγιμότητα των καναλιών NMOS. Στα PMOS, το κανάλι δημιουργείται από ελεύθερες "οπές" (έλλειψη ηλεκτρονίων - θετικοί φορείς)· επειδή οι οπές έλκονται από αρνητικές τάσεις, η αγωγιμότητα των καναλιών PMOS αυξάνει με χαμηλές τάσεις πύλης, ενώ μειώνεται με τις ψηλές.

Στα ψηφιακά κυκλώματα, τα transistors χρησιμοποιούνται σαν διακόπτες, όπως φαίνεται στο σχήμα. Τα NMOS συμπεριφέρονται σαν "θετικοί" διακόπτες: με ψηλές τάσεις πύλης το κανάλι τους άγει, ενώ με χαμηλές τάσεις πύλης το κανάλι τους γίνεται σαν ανοικτό κύκλωμα. Αντίθετα, τα PMOS συμπεριφέρονται σαν "αρνητικοί" διακόπτες: το κανάλι τους άγει με χαμηλές τάσεις πύλης, και δεν άγει με ψηλές τάσεις. Το σύμβολο του PMOS, όπως φαίνεται στο σχήμα, έχει έναν μικρό κύκλο γιά να μας θυμίζει αυτή την "αρνητική" συμπεριφορά. Επομένως, τα transistors μπορούν να χρησιμοποιηθούν όπως και οι ηλεκτρονόμοι. Κάθε διακόπτης του ηλεκτρονόμου έχει δύο επαφές· το transistor NMOS παίζει το ρόλο της "κάτω" (θετικής) επαφής, και το PMOS της "επάνω" (αρνητικής) επαφής. Η διαφορά με τους ηλεκτρονόμους είναι στη σύμβαση αναπαράστασης των ψηφιακών τιμών: οι είσοδοι (πύλες) των transistors είναι ευαίσθητες στην τάση και όχι στο ρεύμα· έτσι, το μεν 1 παραμένει σαν "υψηλή τάση", αλλά το 0 πρέπει να γίνει "χαμηλή τάση", αντί "ανοικτό κύκλωμα" που ήταν. Κατά συνέπεια, κάθε λογική πύλη πρέπει να περιλαμβάνει όχι μόνο τα κυκλώματα που τροφοδοτούν την έξοδο με ψηλή τάση στις επιθυμητές προς τούτο περιπτώσεις --τα οποία ήδη υπήρχαν-- αλλά και κυκλώματα που να τροφοδοτούν την έξοδο με χαμηλή τάση στις υπόλοιπες περιπτώσεις.

Στο επόμενο σχήμα φαίνεται η κατασκευή ενός αντιστροφέα σε CMOS· αποτελείται από ένα transistor NMOS κι ένα PMOS, ελεγχόμενα και τα δύο από την τάση εισόδου. Χαμηλή τάση εισόδου προκαλεί άναμα του PMOS και σβήσιμο του NMOS, οπότε η έξοδος συνδέεται αγώγιμα με τη θετική τροφοδοσία και παίρνει ψηλή τάση. Αντίθετα, ψηλή είσοδος προκαλεί άναμα του NMOS και σβήσιμο του PMOS, οπότε η έξοδος συνδέεται αγώγιμα με τη γείωση και παίρνει χαμηλή τάση. Παρατηρήστε ότι η είσοδος δεν συνδέεται αγώγιμα με κανέναν άλλο κόμβο, αφού τροφοδοτεί αποκλειστικά και μόνο πύλες από transistors, και αφού αυτές, όπως είδαμε, είναι ηλεκτρικά μονωμένες από όλους τους γύρω τους ημιαγωγούς. Έτσι εξασφαλίζεται η μονόδρομη ροή πληροφορίας, από την είσοδο προς την έξοδο και ποτέ αντίστροφα, όπως προδιαγράψαμε στην παράγραφο 3.3.

Στο τρίτο σχήμα, στα αριστερά, φαίνεται η κατασκευή των πυλών "ΟΧΙ-ΚΑΙ" (NAND) και "ΟΥΤΕ" (NOR - ΟΧΙ-Ή) σε CMOS. Κάθε πύλη έχει ένα "δίκτυο καθέλκυσης" (pull-down net), αποτελούμενο από transistors τύπου NMOS, γιά να τροφοδοτεί την έξοδο με χαμηλή τάση, κι ένα δυϊκό "δίκτυο ανέλκυσης" (pull-up net), αποτελούμενο από transistors τύπου PMOS, γιά την τροφοδότηση με ψηλή τάση· ο δυϊσμός έγκειται στην ανταλλαγή μεταξύ συνδεσμολογίας σειράς (ΚΑΙ) και παράλληλης (Ή), καθώς και στην ανταλλαγή μεταξύ transistors τύπων NMOS και PMOS. Εάν χρησιμοποιούσαμε transistors NMOS γιά ανέλκυση και PMOS γιά καθέλκυση θα μπορούσαμε να φτιάξουμε πύλες AND και OR· όμως, δυστυχώς, τα NMOS λειτουργούν σαν καλοί διακόπτες μόνο όταν η τάση καναλιού τους είναι χαμηλή, δηλαδή μόνο στα δίκτυα καθέλκυσης, και τα PMOS μόνο με ψηλές τάσεις καναλιού, δηλαδή μόνο σε δίκτυα ανέλκυσης. Στο δεξί μέρος του σχήματος φαίνεται η συμπεριφορά των δύο κυκλωμάτων γιά τους 4 συνδυασμούς τιμών των δύο εισόδων, A και B, επιβεβαιώνοντας έτσι ότι αυτά υλοποιούν τις λογικές συναρτήσεις (AB)', δηλαδή NAND, και (A+B)', δηλαδή NOR. Όπως βλέπουμε, πάντα, ένα και μόνον ένα από τα δίκτυα ανέλκυσης και καθέλκυσης είναι αγώγιμο, καθορίζοντας έτσι την τάση εξόδου, ενώ το άλλο δίκτυο είναι αποκομμένο (ανοικτό κύκλωμα), ούτως ώστε να μην επηρρεάζει την έξοδο και να μην καταναλώνει ενέργεια (ρεύμα τροφοδοσίας).

Πείραμα 3.11:   Γνωριμία με Chips Λογικών Πυλών

Τα σημερινά chips περιέχουν εκατομμύρια (ή τουλάχιστο πολλές χιλιάδες) transistors το καθένα. Εντούτοις, αν ψάξει κανείς αρκετά στην αγορά, βρίσκει και μερικά "κλασσικά" chips της δεκαετίας του '60, με λίγες μόνο πύλες μέσα το καθένα, ή τουλάχιστο νεότερες, συμβατές παραλλαγές τους. Με τρία τέτοια κλασσικά chips θα κάνουμε την πρώτη μας γνωριμία με τις ηλεκτρονικές υλοποιήσεις των ψηφιακών κυκλωμάτων. Τα κλασσικά chips της δεκαετίας του '60 δεν ήταν κατασκευασμένα σε τεχνολογία CMOS --η CMOS είναι μεταγενέστερη τεχνολογία-- αλλά σε μιά παλιά τεχνολογία ονόματι "TTL"· όμως, υπάρχουν και νεότερες, συμβατές παραλλαγές των chips εκείνων σε τεχνολογία CMOS.

Τα chips αυτού του εργαστηρίου είναι μακρόστενα, και έχουν 14 ακροδέκτες ("ποδαράκια" - pins) το καθένα, κατά μήκος των δύο μαρυών πλευρών τους --7 στη μία και 7 στην άλλη ("περίβλημα δύο σειρών στη γραμμή" - dual in-line package - DIP). Τα chips αυτά μπαίνουν στην πλακέτα breadboard του εργαστηρίου κατά μήκος του κεντρικού αυλακιού της, όπως φαίνεται στο σχήμα δίπλα. Κάθε chip έχει, στη μία στενή πλευρά του, ένα χαρακτηριστικό σημαδάκι (εγκοπή, βαθούλωμα) το οποίο καθορίζει τον προσανατολισμό του chip και τη θέση του κάθε ακροδέκτη του. Όταν η εγκοπή αυτή τοποθετηθεί αριστερά (κοιτώντας το chip από επάνω), τότε η αρίθμηση των pins γίνεται όπως στο σχήμα. Γιά να λειτουργήσουν τα chips χρειάζονται ηλεκτρική τροφοδοσία --θετικό και αρνητικό πόλο. Τα τρία chips αυτού του εργαστηρίου, όπως και τα περισσότερα "κλασσικά" chips, παίρνουν τον αρνητικό πόλο της τροφοδοσίας (τη "γείωση") στον κάτω δεξιό ακροδέκτη και τον θετικό πόλο της τροφοδοσίας στον πάνω αριστερό ακροδέκτη, όταν η χαρακτηριστική εγκοπή είναι αριστερά. Τις συνδέσεις αυτές πρέπει να τις κάνετε εσείς, γιά καθένα από τα chips. Η τάση τροφοδοσίας τους είναι 5 Volt (σε αντίθεση με τα περισσότερα σύγχρονα chips που χρειάζονται χαμηλότερες τάσεις τροφοδοσίας --3.3, ή 2.5, ή 1.8 Volt ή άλλες). Τα chips των σημερινών πειραμάτων είναι τα:

Η θέση των ακροδεκτών των πυλών φαίνεται στο σχήμα δεξιά. Τροφοδοτήστε τις εισόδους μίας από τις πύλες σε κάθε chip με τάσεις που ελέγχονται από διακόπτες, όπως δείχνει το σχήμα. Επειδή οι ακροδέκτες εισόδου οδηγούν transistors --και όχι πηνία ηλεκτρονόμων-- πρέπει πάντα να έχουν πάνω τους μιάν έγκυρη ψηφιακή τάση: το ανοικτό κύκλωμα (σύνδεση με πουθενά), που ήταν δεκτό ως είσοδος 0 γιά τους ηλεκτρονόμους, δεν εξασφαλίζει ότι τα transistors θα δουν χαμηλή τάση (0)· γιά να επιτευχθεί αυτό, πρέπει η είσοδος να συνδεθεί με την αρνητική τροφοδοσία (γείωση). Γιά το λόγο αυτό, χρησιμοποιήστε δύο διακόπτες SPDT, με γείωση και θετική τροφοδοσία στις επαφές τους, αντί απλούς διακόπτες SPST με μόνο μία τροφοδοσία. Συνδέστε τις εξόδους σε ενδεικτικές λυχνίες, όπως δείχνει το σχήμα· αν θέλετε, μπορείτε να συνδέσετε και τις εισόδους A και B (εξόδους των διακοπτών) π.χ. στις λυχνίες LED3 και LED4 γιά να σιγουρεύεστε ότι λειτουργούν και αυτές σωστά.

Στο εργαστήριο, ελέγξτε τη σωστή λειτουργία των τριών πυλών, δίνοντας σε καθεμιά τους όλους τους δυνατούς συνδυασμούς τιμών εισόδων και παρατηρώντας την έξοδό τους γιά να δείτε αν παίρνει τη σωστή τιμή κάθε φορά. Όταν τελειώσετε, μην αποσυνδέστε το κύκλωμα, διότι θα το χρειαστείτε στο επόμενο πείραμα. Παρακαλούμε, δώστε μεγάλη προσοχή στα παρακάτω θέματα, προκειμένου να αποφευχθούν καταστροφές του υλικού του εργαστηρίου (τυχόν προκλητική αγνόηση των κανόνων αυτών θα σας στοιχίσει απώλεια πολλών βαθμών στο εργαστήριο):

  1. Οι ακροδέκτες στραβώνουν εύκολα: Αποφύγετε να βάζετε ή να βγάζετε τα chips μόνοι σας, διότι κινδυνεύουν να στραβώσουν τα ποδαράκια τους --αφήστε τα στη θέση που το βρήκατε· αν χρειαστεί να τα βάλετε ή να τα βγάλετε, κάντε το με πολύ μεγάλη προσοχή και με εντελώς κατακόρυφη δύναμη --όχι πλάγια!-- κατά προτίμηση χρησιμοποιώντας το ειδικό γιά το σκοπό αυτό εργαλείο.
  2. Οι επαφές των πλακετών χαλάνε με την απρόσεκτη χρήση: Βιδώνετε και ξεβιδώνετε τις βίδες με ήπιο τρόπο· μην πιέξετε το κατσαβίδι με υπερβολική δύναμη προς τα κάτω, μην σφίγγετε πολύ τις βίδες, και μην τις ξεβιδώνετε τελείως με αποτέλεσμα να πέφτουν κάτω. Στις τρύπες των breadboards: βάζετε μόνον σύρματα της προκαθορισμένης διαμέτρου, και προσέχετε τα σύρματα αυτά να είναι εντελώς ευθύγραμμα στο μέρος τους που μπάινει μέσα στην τρύπα --όχι τσακισμένα, λυγισμένα, ή στριμένα. Εισάγετε τα σύρματα ευθύγραμμα προς τα κάτω, και όχι υπό γωνία (σκαλώνουν στις παρειές της υποδοχής). Όταν τραβάτε ένα σύρμα γιά να το βγάλετε, τραβάτε το απαλά και κατακόρυφα, και κυρίως προσέχετε να μην σας κοπεί και μείνει μέσα στην τρύπα το μισό, διότι αχρηστεύεται εκείνη η τρύπα.
  3. Προσανατολισμός των chips: η χαρακτηριστική εγκοπή - σημάδι των chips να είναι πάντα αριστερά, προκειμένου να μην γίνονται λάθος οι συνδέσεις στους ακροδέκτες τους.
  4. Διακόπτετε την τροφοδοσία όταν κάνετε συνδέσεις: πριν κάνετε ή αλλάξετε συνδέσεις, βγάλτε την πρίζα του τροφοδοτικού προκειμένου να μην υπάρχουν τάσεις στην πλακέτα. Ανάψτε το τροφοδοτικό μόνον όταν όλο το κύκλωμά σας είναι εντελώς έτοιμο και σωστό.
  5. Στατικός ηλεκτρισμός του σώματος: Το σώμα μας και τα ρούχα μας μπορεί να έχουν στατικό ηλεκτρισμό αρκετών χιλιάδων Volt --έστω και με πολύ μικρά φορτία· οι τάσεις αυτές μπορεί να αποβούν ολέθριες γιά τα chips. Προσπαθήστε να κρατάτε το σώμα σας εκφορτισμένο (ιδιαίτερα τις ημέρες με ξηρασία ή όταν φοράτε πουλόβερ ή παπούτσια με λαστιχένια σόλα), π.χ. αγγίζοντας συχνά ένα γειωμένο μεταλλικό αντικείμενο.
  6. Τροφοδοσία στους σωστούς ακροδέκτες: κάνετε πάντα στην αρχή και πολύ προσεκτικά τις σωστές συνδέσεις τροφοδοσίας (γείωση, VDD) στα chips, διότι κινδυνεύετε να τα κάψετε αν αυτές λείπουν ή είναι λανθασμένες.
  7. Συνδέσεις εξόδων πυλών: Τα chips προσπαθούν να δώσουν στις εξόδους των πυλών τη σωστή κάθε φορά τάση, σύμφωνα με τις λογικές πράξεις που κάνουν. Αν συνδέστε (λανθασμένα!) δύο εξόδους τη μία με την άλλη (του ίδιου ή διφορετικού chip), όταν οι πύλες θέλουν να κάνουν την μία έξοδο 0 και την άλλη 1, προσπαθούν αλλά δεν τα καταφέρνουν, αφού οι δύο έξοδοι είναι βραχυκυκλωμένες μεταξύ τους! Το αποτέλεσμα είναι υπερθέρμανση και κάψιμο των chips! Το ίδιο θα συμβεί αν συνδέστε μιάν έξοδο σε μιά τάση τροφοδοσίας (γείωση ή VDD), κατευθείαν ή μέσω διακόπτη (π.χ. διακόπτης εισόδου): όταν ο διακόπτης κάνει επαφή και η πύλη θέλει να δώσει στην έξοδο την αντίθετη τάση από αυτήν όπου την έχετε συνδέσει, έχουμε βραχυκύκλωμα, υπερθέρμανση, και κάψιμο!

Πείραμα 3.12:   Μέτρηση Τάσεων Εξόδων Πυλών

Πάνω στο κύκλωμα του προηγουμένου πειράματος, μετρήστε και καταγράψτε (i) την τάση τροφοδοσίας του κυκλώματος, και (ii) την τάση εξόδου της καθεμιάς από τις 3 πύλες, σε καθεμιά από τις 2 καταστάσεις της, με ή χωρίς ενδεικτική λυχνία συνδεδεμένη επάνω της (1+12 = 13 μετρήσεις συνολικά). Τι παρατηρείτε; Είναι το λογικό 0 πάντα κάτω από 0.5 (ή 0.8) Volt; είναι το λογικό 1 πάντα πάνω από 2.0 (ή 3.0) Volt; H ενδεικτική λυχνία ζητά ρεύμα προκειμένου να ανάψει· όταν δίνει το ρεύμα αυτό η πύλη, πέφτει η τάση εξόδου της; Σημειώστε ότι οι τάσεις και αντιστάσεις των chips CMOS διαφέρουν από αυτές των TTL (τα chips "74HC..." είναι CMOS, και τα chips "74LS..." είναι TTL).

Μετρήστε τις τάσεις με τα ψηφιακά πολύμετρα που υπάρχουν στο εργαστήριο. Επιλέξτε με τον κυκλικό διακόπτη την κλίματα "20 DCV" (20 Direct Current Volts - 20 Volts Συνεχούς Ρεύματος). Ακουμπήστε τον μαύρο ακροδέκτη του πολύμετρου (τάση αναφοράς - γείωση) στον αρνητικό πόλο τροφοδοσίας (γείωση), και τον κόκκινο ακροδέκτη του πολύμετρου (τάση μέτρησης) στον εκάστοτε κόμβο που θέλετε να μετρήσετε.

Πείραμα 3.13:   Οι Αριθμοί 0-3 με Πύλες

Κατασκευάστε και ελέγξτε το κύκλωμα της άσκησης 3.5 χρησιμοποιώντας τις λογικές πύλες των chips του πειράματος 3.11. Κρατήστε τους 2 διακόπτες εισόδου, A και B, με τις τροφοδοσίες τους ως έχουν από το πείραμα 3.11, σαν εισόδους γιά το κύκλωμα της άσκησης 3.5. Τροφοδοτήστε με τις 7 εξόδους του κυκλώματός σας τα 7 τμήματα του ενδείκτη 7 τμημάτων της πλακέτας, όπως και στο πείραμα 3.9.


Up to the Home Page of CS-120
 
© copyright University of Crete, Greece.
Last updated: 30 Oct. 2003, by M. Katevenis.