ΗΥ-120: Ψηφιακή Σχεδίαση
Φθινόπωρο 2012
Τμ. Επ. Υπολογιστών
© Πανεπιστήμιο Κρήτης

Εργαστήριο 2:
Κώδικες και Αποκωδικοποιητές, Ηλεκτρονόμοι, Ανάδραση

10 - 12 Οκτωβρίου 2012 (βδομάδα 3)
[Up - Table of Contents]
[Prev - 1. Switch Logic]
[printer version - PDF]
[3. Combinational IC's - Next]

[Βιβλία: προαιρετικά μπορείτε να διαβάσετε: Wakerly: § 1.1 - 1.4 (σελ. 1-10)· ή Mano (4η έκδοση): § 1.1 (σελ. 1-3) και § 1.9 (σελ. 28-31)]

2.1   Τα Bits και η Κωδικοποίηση Μηνυμάτων

Two-bit (2-wire) transmitter and receiver Κυκλώματα σαν αυτά που είδαμε στα προηγούμενα εργαστήρια --ψηφιακά, όπως θα τα πούμε παράκατω-- χρησιμοποιούνται γιά την αποθήκευση, επεξεργασία, και αποστολή κωδικοποιημένων μηνυμάτων και πληροφοριών. Στο σχήμα φαίνεται ένα απλό σύστημα μετάδοσης πληροφοριών από έναν πομπό (transmitter) σε έναν δέκτη (receiver)· έχει δύο σύρματα, καθένα από τα οποία μπορεί να διαρρέεται ή όχι από ρεύμα.

Πληροφορία, εδώ, είναι το αν υπάρχει ή δεν υπάρχει ρεύμα στο κάθε σύρμα, πράγμα που ο πομπός το ρυθμίζει με τη θέση του κάθε διακόπτη, και ο δέκτης το καταλαβαίνει από το αν ανάβει ή όχι η κάθε LED. Κάθε σύρμα μεταδίδει μιά ποσότητα πληροφορίας ικανή να επιλέξει ένα από δύο πράγματα, καταστάσεις, ή μηνύματα. Γιά το λόγο αυτό, την ποσότητα αυτή πληροφορίας την ονομάζουμε δυαδικό ψηφίο (binary digit) ή δυφίο (bit) --όνομα που αποτελεί τον πιό γνωστό όρο της Επιστήμης Υπολογιστών! Το σύστημα του σχήματος μεταδίδει δύο bits πληροφορίας από τον πομπό στο δέκτη, το bit A και το bit B.

Κάθε bit μεταδιδόμενης πληροφορίας μπορεί να έχει δύο μόνο διαφορετικές τιμές· από ηλεκτρική άποψη αυτές είναι απουσία ή παρουσία ρεύματος γιά τα μέχρι στιγμής κυκλώματά μας, ή χαμηλή ή ψηλή ηλεκτρική τάση γιά τα συνηθισμένα chips τύπου CMOS των σημερινών μικροηλεκτρονικών συστημάτων. Η ερμηνεία όμως που δίδεται στις δύο αυτές διαφορετικές τιμές είναι θέμα σύμβασης (συμφωνίας) ανάμεσα στον πομπό και το δέκτη, και είναι εντελώς αυθαίρετη, καθώς και ανεξάρτητη από τις δύο ηλεκτρικές τιμές του bit· πολές φορές μάλιστα, η ερμηνεία αυτή είναι σκόπιμα κρυφή και μη αυτονόητη ώστε να αποφευχθούν υποκλοπές του μηνύματος, όπως π.χ. όταν χρησιμοποιούνται κώδικες κρυπτογραφίας. Προφανώς, γιά να υπάρξει επιτυχής επικοινωνία, πρέπει ο πομπός και ο δέκτης να έχουν προσυμφωνήσει στην ίδια ερμηνεία των ηλεκτρικών τιμών· πέραν των συμμετεχόντων στην επικοινωνία, όμως, δεν είναι ανάγκη κανείς άλλος να ξέρει ή να έχει συμφωνήσει με αυτή την ερμηνεία. Ο επόμενος πίνακας δίνει, σε δύο ζευγάρια στηλών, μερικά δημοφιλή ζευγάρια ερμηνείας των δύο τιμών ενός bit· τα δύο πρώτα ζευγάρια είναι οι συνηθισμένες ηλεκτρικές αναπαραστασεις που είπαμε παραπάνω, και τα υπόλοιπα είναι μερικές δημοφιλείς ερμηνείες τους.

ρεύμα
ψηλή τάση
πατημένος
ON
αναμένος
πάνω
όχι ρεύμα
χαμηλή τάση
ελεύθερος
OFF
σβηστός
κάτω
  ναι
αληθές
1
ενεργός
θετικός
αρνητικός
όχι
ψευδές
0
αδρανής
αρνητικός
θετικός

Απ' όλα αυτά τα ζευγάρια, το πιό σύντομο στη γραφή είναι το "1, 0", γι' αυτό πολύ συχνά υιοθετούμε αυτά τα σύμβολα γιά τις δύο δυνατές τιμές ενος bit πληροφορίας. Ένα άλλο σχόλιο αρμόζει στα δύο τελευταία ζευγάρια: μερικές φορές μπορεί το ON ή το 1 να το ερμηνεύουμε σαν "θετικός", και μερικές σαν "αρνητικός", και αντίστροφα γιά το OFF ή το 0. Όταν βλέπουμε την έννοια "θετικός" σαν συναφή με τις έννοιες "ενεργός" ή "αληθής", έρχεται φυσικό να τις συμβολίσουμε όλες αυτές με την ίδια τιμή του bit (την τιμή "1"). Από την άλλη, όπως θα δούμε στο εργαστήριο 6, όταν παριστάνουμε προσημασμένους ακεραίους αριθμούς με τον "κώδικα συμπληρώματος-ως-προς-2", τότε το "αριστερό" bit της αναπαράστασης είναι 1 γιά τους αρνητικούς αριθμούς και 0 γιά τους μεγαλύτερους ή ίσους του μηδενός. Αυτές οι δύο, αντίθετες μεταξύ τους ερμηνείες της τιμής ενός bit δείχνουν καθαρά το πόσο σχετική και αυθαίρετη είναι η ερμηνεία αυτή, και πόσο αυτή είναι θέμα απλής σύμβασης μεταξύ αυτών που χρησιμοποιούν το bit.

Με ένα μόνο bit, πολύ μικρή ποσότητα πληροφορίας μπορούμε να μεταφέρουμε --μπορούμε να επιλέξουμε ανάμεσα σε ίσα-ίσα δύο μόνο προκαθορισμένα μηνύματα· γιά περισσότερες επιλογές (περισσότερη πληροφορία) χρειαζόμαστε και περισσότερα bits. Στο σύστημα του σχήματος στην αρχή της παραγράφου, ο πομπός μετέδιδε στο δέκτη δύο (2) bits πληροφορίας· ας δούμε τώρα πώς μπορούμε να τα εκμεταλλευτούμε αυτά. Ο πρώτος τρόπος εκμετάλλευσης πολλαπλών bits πληροφορίας είναι το κάθε bit να έχει τη δική του, χωριστή ερμηνεία· ας δούμε δύο παραδείγματα. Σαν πρώτο παράδειγμα, ας πούμε ότι ο πομπός του παραπάνω σχήματος βρίσκεται σε ένα δωμάτιο ξενοδοχείου, ο δέκτης βρίσκεται στην κουζίνα του ξενοδοχείου, το bit A σημαίνει "πεινάω - παρακαλώ φέρτε μου το πιάτο της ημέρας", και το bit B σημαίνει "διψάω - παρακαλώ φέρτε μου το ποτό της ημέρας". Τότε, οι 4 δυνατοί συνδυασμοί καταστάσεων των δύο διακοπτών A και B μεταφέρουν ένα από τα εξής τέσσερα δυνατά μηνύματα στην κουζίνα:

Σαν δεύτερο παράδειγμα, ας πούμε ότι η επικοινωνία αυτή τη φορά είναι οπτική αντί ηλεκτρική όπως πρίν: πομπός είναι τα πίσω φώτα φρένων και όπισθεν ενός αυτοκινήτου, και δέκτης είναι ο οδηγός του από πίσω αυτοκινήτου που βλέπει τα φώτα. Ας ονομάσουμε bit A την κατάσταση των φρένων (1=πατημένα, 0=ελεύθερα), και bit B την κατάσταση του λεβιέ ταχυτήτων (1=όπισθεν, 0=άλλη θέση). Τότε, οι 4 δυνατοί συνδυασμοί καταστάσεων των δύο bits πληροφορίας που μεταφέρουν τα κόκκινα και άσπρα πίσω φώτα δίνουν στον πίσω οδηγό ένα από τα εξής τέσσερα δυνατά μηνύματα:

Ο δεύτερος τρόπος εκμετάλλευσης πολλαπλών bits πληροφορίας είναι η κάθε ερμηνεία να αντιστοιχεί σε όλα τα bits μαζί, σαν ομάδα· ας δούμε το ανάλογο των δύο προηγουμένων παραδειγμάτων σε αυτό το στυλ. Στην περίπτωση του ξενοδοχείου, μπορεί τα δύο bits να χρησιμοποιούνται γιά την παραγγελία ενός φαγητού από ένα μικρό μενού· ελλείψει περισσοτέρων bits, δεν υπάρχει δυνατότητα μεγαλύτερου μενού ή συνδυασμού πολλαπλών παραγγελιών (φαγητό, σαλάτα, ποτό, κλπ):

Όπως βλέπουμε εδώ, δεν υπάρχει ερμηνεία γιά το καθένα bit χωριστά από το άλλο: δεν μπορεί να ερμηνευτεί το bit A σαν μακαρονάδα και το bit B σαν σάντουιτς, διότι η πριζόλα δεν αποτελεί συνδυασμό... σάντουιτς με μακαρονάδα. Στο δεύτερο παράδειγμα, ας πούμε ότι τώρα το bit A είναι το πίσω αριστερό πορτοκαλί φώς (φλας) του αυτοκινήτου, και το bit B είναι το πίσω δεξί φλας. Σε αυτή την περίπτωση, η πληροφορία προς τον πίσω οδηγό είναι η παρακάτω (εδώ, "0" σημαίνει σβηστό φώς, και "1" σημαίνει ότι το φώς αναβοσβήνει). Όπως και στο τελευταίο παράδειγμα, το bit A δεν μπορεί να ερμηνευτεί πάντα σαν "στρίβω αριστερά" και το bit B σαν "στρίβω δεξιά", δίοτι ο συνδυασμός A=1, B=1 δεν σημαίνει "στρίβω αριστερά και δεξιά".

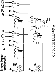
Τέλος, ας κάνουμε κι ένα πιό σύνθετο παράδειγμα: το ξενοδοχείο αποφασίζει να αναβαθμίσει τις υπηρεσίες εστιατορίου του και εγκαθιστά σε κάθε δωμάτιο 5 διακόπτες και 5 σύρματα προς την κουζίνα, μεταδίδοντας έτσι 5 bits πληροφορίας, A, B, C, D, και E. Τα 3 πρώτα bits, A, B, C χρησιμοποιούνται γιά την παραγγελία φαγητού, και τα 2 υπόλοιπα γιά την παραγγελία ποτού. Οι 8 συνδυασμοί τιμών των bits ABC αποφασίζεται να σημαίνουν: (000) δεν θέλω φαγητό, (001) σάντουιτς, (010) μακαρονάδα, (011) γεμιστά, (100) μουσακά, (101) ψάρι, (110) μπιφτέκια, (111) πριζόλα. Οι 4 συνδυασμοί τιμών των bits DE αποφασίζεται να σημαίνουν: (00) δεν θέλω ποτό, (01) μπύρα, (10) κρασί, (11) ούζο. Έτσι, όταν η κουζίνα βλέπει ABCDE = 00011 στέλνει ένα σκέτο ουζάκι, ενώ όταν βλέπει 10110 στέλνει ένα ψάρι με κρασί. Συνολικά, υπάρχουν 32 (=8x4) δυνατά μυνύματα: 1 μήνυμα ότι ο πελάτης δεν θέλει τίποτα (00000), 7 μηνύματα φαγητού χωρίς ποτό, 3 μηνύματα ποτού χωρίς φαγητό, και 21 (=7x3) συνδυασμοί κάποιου φαγητού με κάποιο ποτό.

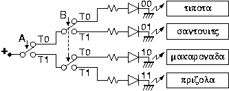
Πείραμα 2.2:   Αποκωδικοποιητής 2-σε-4

2-to-4 decoder using binary tree of SPDT switches Ο μάγειρας του προηγουμένου ξενοδοχείου δεν μπορούσε ποτέ να θυμηθεί ποιός από τους κώδικες 01, 10, και 11 αντιστοιχούσε στη μακαρονάδα, ποιός στην πριζόλα, και ποιός στο σάντουιτς (γιά να περιοριστούμε απλώς στα προ της αναβάθμισης). Γιά να τον βοηθήστε, φτιάξτε το κύκλωμα που φαίνεται δεξιά. Το κύκλωμα αυτό έχει δύο εισόδους, τα bits A και B· το bit A ελέγχει το διακόπτη A. Το bit B ελέγχει τους δύο δεξιούς διακόπτες που φαίνονται στο σχήμα: αυτοί πρέπει πάντα να αναβοσβήνουν και οι δύο μαζί. Παρ' ότι υπάρχουν και διπλοί διακόπτες (DPDT - double pole double throw), εμείς στο εργαστήριο δεν έχουμε τέτοιους, γι' αυτό θα χρησιμοποιήσετε δύο απλούς SPDT βαλμένους δίπλα-δίπλα όπως φαίνεται στη φωτογραφία ώστε να πατιόνται κι οι δύο μαζί μ' ένα δάκτυλο.
Photograph of 2-to-4 decoder using a tree of switches

Το κύκλωμα αυτό λέγεται αποκωδικοποιητής (decoder) και έχει τη βασική ιδιότητα ότι πάντα είναι αναμένη μία και μόνο μία από τις εξόδους του --εκείνη που αντιστοιχεί στο συνδυασμό τιμών που υπάρχουν στις εισόδους του την παρούσα στιγμή. Ο συγκεκριμένος αποκωδικοποιητής εδώ είναι μεγέθους 2-σε-4, δηλαδή αποκωδικοποιεί 2 εισόδους στους 4 συνδυασμούς τους, άρα έχει 4 εξόδους· το κύκλωμα εδώ έχει σαν εξόδους 4 LED's. Το κύκλωμα λειτουργεί ως εξής (βάσει της τοπολογίας "δυαδικού δέντρου αποφάσεων" (binary decision tree), όπως θα μάθετε σε άλλα μαθήματα): ο διακόπτης A "παραλαμβάνει" ρεύμα από την τροφοδοσία μέσω του πόλου του, και το διοχετεύει σε ακριβώς ένα από τα δύο μισά του κυκλώματος --το πάνω ή το κάτω-- ανάλογα με την παρούσα τιμή της εισόδου A. Στη φωτογραφία, όταν A=0 (ελεύθερος) το ρεύμα οδηγείται μέσω του T0 και του κίτρινου σύρματος στον επάνω διακόπτη B, ενώ όταν A=1 (πατημένος) το ρεύμα οδηγείται μέσω του Τ1 και του πράσινου σύρματος στον κάτω διακόπτη Β. Στη συνέχεια, οι διακόπτες B οδηγούν το ρεύμα σε ένα από τα δύο μισά του υπολοίπου κυκλώματος, ανάλογα με την παρούσα τιμή της εισόδου B· αφού ρεύμα υπάρχει σε ακριβώς ένα από τα δύο πρώτα μισά A, ο αντίστοιχος διακόπτης B το οδηγεί σε ακριβώς ένα από τα δύο μισά αυτού του μισού, δηλαδή σε ακριβώς ένα από τα τέσσερα σκέλη του κυκλώματος που αποτελούν και τις 4 τελικές εξόδους του. Η συνέπεια είναι ότι ανάβει η μία και μόνη LED που αντιστοιχεί στο συνδυασμό τιμών A και B, όπως δείχνουν τα σύμβολα 00, 01, 10, 11 στο σχήμα. Εάν πάνω από κάθε LED βάλουμε ένα ημιδιαφανές πλαστικό με γραμμένο επάνω το αντίστοιχο μήνυμα, όπως στο σχήμα δεξιά, θα έχουμε προσφέρει την επιθυμητή βοήθεια στο μάγειρα του ξενοδοχείου.

Πριν φτάσετε στο εργαστήριο, φτιάξτε τον πίνακα αληθείας γιά καθεμιά από τις 4 εξόδους του κυκλώματος. Επίσης, γιά την κάθε έξοδο παρατηρήστε το κύκλωμα που την τροφοδοτεί (δύο διακόπτες εν σειρά) και εκφράστε την με μιάν "εξίσωση" (π.χ. (A)ΚΑΙ(ΟΧΙ(B))), βάσει των όσων είπαμε στην §1.2. Στο εργαστήριο, φτιάξτε και ελέγξτε το κύκλωμα, και δείξτε το στον βοηθό σας.

2.3   Πλήθος Συνδυασμών (Μηνυμάτων) των n bits

Σε πόσους διαφορετικούς συνδυασμούς τιμών μπορεί να βρεθεί μιά ομάδα από n το πλήθος bits; Με άλλα λόγια, πόσα διαφορετικά μηνύματα μπορούμε να κωδικοποιήσουμε αν έχουμε στη διάθεσή μας n bits; Ή, έχοντας μιά ομάδα n bits, ανάμεσα σε πόσα πολλά διαφορετικά πράγματα μπορούμε να επιλέξουμε (υποδείξουμε) ένα; Ξέρουμε ήδη ότι ένα bit έχει δύο δυνατές τιμές. Επίσης ξέρουμε ότι δύο bits μπορούν να βρίσκονται σε έναν από 4 διαφορετικούς συνδυασμούς τιμών: γιά την κάθε μιά από τις 2 τιμές του πρώτου υπάρχουν 2 διαφορετικοί συνδυασμοί με τις 2 διαφορετικές τιμές του δεύτερου.

Γενικότερα, κάθε φορά που προσθέτουμε άλλο ένα bit στην ομάδα, διπλασιάζεται το πλήθος των συνδυασμών: γιά την τιμή 0 του νέου bit έχουμε τους συνδυασμούς - κώδικες - μηνύματα που είχαμε και πριν βάσει των υπολοίπων bits, και γιά την τιμή 1 του νέου bit έχουμε άλλους τόσους νέους συνδυασμούς, πάλι βάσει των υπολοίπων bits. Έτσι προκύπτει ότι τα n bits μπορούν να βρίσκονται σε 2n διαφορετικούς συνδυασμούς τιμών, ή με n bits μπορούμε να διαλέξουμε ένα ανάμεσα σε 2n πράγματα, ή να κωδικοποιήσουμε ένα ρεπερτόριο 2n διαφορετικών επιτρεπτών μηνυμάτων. Γι' αυτό, οι δυνάμεις του 2 παίζουν κεφαλαιώδη ρόλο στους υπολογιστές, και θα τις βρίσκουμε μπροστά μας συνεχώς:

Τα bits πληροφορίας, εκτός από το να τα μεταδίδουμε ή επεξεργαζόμαστε, τα αποθηκεύουμε επίσης, σε μνήμες (memories), γιά τις οποίες θα μιλήσουμε αργότερα. Όταν μιλάμε γιά τις μνήμες και τη χωρητικότητά τους, δεν πρέπει να συγχέουμε το πόσα bits χωράνε με το πόσους συνδυασμούς μπορεί να παραστήσει ένα πλήθος από bits. Γιά παράδειγμα, έστω ότι το πληροφοριακό σύστημα ενός Πανεπιστημίου κωδικοποιεί τον αριθμό μητρώου του κάθε φοιτητή με 24 bits. Αυτό σημαίνει ότι στο πληροφοριακό αυτό σύστημα δεν μπορούν να χωρέσουν πάνω από περίπου 16 εκατομμύρια (16 Μ) φοιτητές (παρελθόντων και παρόντων ετών) (16,777,216 φοιτητές, γιά την ακρίβεια). Αν τώρα ένας υπολογιστής στη γραμματεία αυτού του Πανεπιστημίου έχει μιά (μάλλον μικρή) μνήμη 16 Mbits, αυτό σημαίνει ότι στη μνήμη αυτή χωράνε να αποθηκευτούν μέχρι περίπου 16 εκατομμύρια διαφορετικά bits (16,777,216 bits γιά την ακρίβεια). Τα bits αυτά, αν τα βλέπαμε σαν μία μόνο ομάδα, μπορούν να βρεθούν σε ένα πλήθος συνδυασμών τόσο τεράστιο που ούτε καν να το φανταστούμε μπορούμε (κάπου γύρω στο 1.6-εκατομμυριάκις εκατομμύριο...). Όμως, τα bits αυτά δεν τα κοιτάμε ποτέ σαν μία μόνο ομάδα, αλλά σαν πολλές· γιά παράδειγμα, αν σε αυτά αποθηκεύσουμε αριθμούς μητρώου φοιτητών, "κολλητά" τον έναν με τον άλλον, τότε θα χωρέσουν γύρω στις 700 χιλιάδες τέτοιοι αριθμοί μητρώου (γιά την ακρίβεια, 16777216 / 24 = 699050.67 αριθμοί μητρώου).

Ένα σκέτο bit μπορεί να μεταφέρει πολύ μικρή ποσότητα πληροφορίας, γι' αυτό συχνά τα bits τα χρησιμοποιούμε κατά ομάδες, όπως είπαμε παραπάνω. Μεταξύ των διαφόρων δυνατών μεγεθών ομάδων, η πιό συνηθισμένη, σε όλους ανεξαίρετα τους σημερινούς υπολογιστές, είναι τα οκτώ (8) bits που ονομάζονται ένα Byte. Έτσι, η κωδικοποίηση του κάθε αριθμού μητρώου στο προηγούμενο παράδειγμα ήταν σε 3 Bytes (= 3x8 = 24 bits). Σαν σύντμηση, το "b" μικρό συμβολίζει το bit, και το "B" κεφαλαίο συμβολίζει το Byte.

Ας θεωρήσουμε τώρα έναν υπολογιστή που έχει μνήμη 256 MBytes· αυτό σημαίνει 256x8 = 2048 Mbits = 2 Gbits. Από τις μνήμες σαν αυτήν, θέλουμε να ζητάμε να διαβάσουμε ορισμένα κομάτια τους που μας ενδιαφέρουν κατ' επιλογή· συνήθως, το κομάτι που μας ενδιαφέρουν είναι ένα Byte, και όχι μεμονωμένα bits διότι αυτά θεωρούνται πολύ μικρά. Κάθε φορά που θέλουμε να διαβάσουμε λοιπόν από τη μνήμη μας των 2 Gb = 256 MB, πρέπει να της διευκρινίσουμε ποιό από τα 256 εκατομμύρια Bytes που αυτή περιέχει εμείς θέλουμε να διαβάσουμε. Πόσα bits χρειαζόμαστε γιά να επιλέξουμε ένα ανάμεσα σε 256 Μ πράγματα; Σύμφωνα με τα παραπάνω, χρειαζόμαστε 28 bits. Τα 28 αυτά bits που πρέπει να δώσουμε στη μνήμη τα λέμε διεύθυνση του Byte της το οποίο επιθυμούμε να επιλέξουμε: κάθε Byte της μνήμης έχει τη δική του διεύθυνση, σαν να είναι ένα σπιτάκι σε έναν πολύ μακρύ δρόμο.

Στις μονάδες της Φυσικής, ο πολλαπλασιαστής "k" (μικρό) σημαίνει 1000· π.χ. 1 kg = 1000 g, 1 km = 1000 m, 1 kHz = 1000 Hz. Όταν μιλάμε γιά bits ή γιά Bytes, ο πολλαπλασιαστής "Κ" (κεφαλαίο) σημαίνει 1024, όπως τον ορίσαμε παραπάνω· π.χ. 1 Kb = 1024 bits, 1 KB = 1024 Bytes. Εκεί που τα πράγματα είναι διφορούμενα, είναι με τους πολλαπλασιαστές "M" και "G" (κεφαλαία): αυτοί, άλλοτε σημαίνουν 1,000,000 και 1,000,000,000 αντίστοιχα, μπροστά από τις παραδοσιακές φυσικές μονάδες, και άλλοτε σημαίνουν 1,048,576 και 1,073,741,824 αντίστοιχα, μπροστά από τα bits και τα Bytes που αφορούν χωρητικότητα μνημών. Έτσι, 1 MHz = 106 Hz ενώ 1 Mb = 220 bits, και 1 GHz = 109 Hz ενώ 1 GB = 230 Bytes. (Τα πράγματα χειροτερεύουν όταν μιλάμε γιά ταχύτητες δικτύων υπολογιστών: συνήθως, 1 Mb/s = 106 bits/second και 1 Gb/s = 109 b/s, επειδή οι ταχύτητες αυτές πηγάζουν από ρολόγια του 1 MHz ή 1 GHz!...).

2.4   Αναλογικά και Ψηφιακά Ηλεκτρονικά Συστήματα

Ας σκεφτούμε το εξής παράδειγμα. Μία εταιρεία εμπορίας κατεψυγμένων ειδών θέλει να παρακολουθεί εξ' αποστάσεως τη θερμοκρασία του ψυγείου της, προκειμένου να εντοπίζει γρήγορα τυχόν βλάβες. Το ηλεκτρονικό θερμόμετρο που υπάρχει μέσα στο ψυγείο έχει περιοχή λειτουργίας από -25°C έως +25°C, και ακρίβεια ±0.1°C· επομένως, οι μετρήσεις του που έχει νόημα να μεταφέρονται είναι -25.0°C, -24.8°C, -24.6°C, ..., +24.8°C, +25.0°C. Η μέτρηση θα μεταφέρεται από το ψυγείο ως το γραφείο του φύλακα μέσω ηλεκτρικών καλωδίων. Υπάρχουν δύο (τουλάχιστο) τρόποι μετάδοσης αυτής της μέτρησης:

Η αναλογική (analog) μετάδοση λειτουργεί περίπου ως εξής: χρησιμοποιούμε ένα ηλεκτρικό σύρμα (συν την αναγκαία γείωση γιά να κλείνει κύκλωμα), και πάνω σε αυτό βάζουμε μιάν ηλεκτρική τάση ίση με τη θερμοκρασία επί έναν συντελεστή αναλογίας π.χ. 0.1 V/°C· επειδή η τάση που μεταδίδουμε είναι ανάλογη προς την θερμοκρασία, η μετάδοση λέγεται "αναλογική". Π.χ. αν η μέτρηση του θερμομέτρου είναι -18.4°C τότε στο σύρμα θα βάλουμε μιά τάση -1.84 Volt. Αφού το θερμόμετρο έχει περιοχή λειτουργίας από -25°C έως +25°C, τα ηλεκτρονικά κυκλώματα που οδηγούν το σύρμα θα πρέπει να μπορούν να ρυθμίζουν την τάση του από -2.5 V έως + 2.5 V. Προκειμένου να μην υπάρχει απώλεια ακρίβειας στη μετάδοση της μέτρησης, θα πρέπει το συνολικό σφάλμα των ηλεκτρονικών μετάδοσης να μην υπερβαίνει τα ±0.01 Volt (δηλ. ±10 mV). Παραδείγματος χάριν, έστω ότι η μέτρηση είναι -18.4°C, και θα έπρεπε να μεταδώσουμε -1.840 V, αλλά ο πομπός έχει σφάλμα +3 mV κι έτσι στην πραγματικότητα μεταδίδει -1.837 V· σε αυτό προστίθεται ηλεκτρικός θόρυβος +8 mV από παρεμβολές κατά μήκος του σύρματος μετάδοσης, κι έτσι στον δέκτη φτάνει τάση -1.829 V· ο δέκτης έχει σφάλμα +2 mV, κι έτσι νομίζει ότι βλέπει -1.827 V· ξέροντας ότι οι μετρήσεις είναι ακέραια πολλαπλάσια του 0.2°C, ο δέκτης ερμηνεύει την τάση που (νομίζει ότι) βλέπει σαν -18.2°C αντί του σωστού -18.4°C. Το λάθος συνέβη επειδή το συνολικό σφάλμα του συστήματος μετάδοσης είναι 3+8+2 = 13 mV που ξεπερνά την επιτρεπτή ανοχή του ±0.01 V που αντιστοιχεί στην ανοχή της μέτρησης θερμοκρασίας των ±0.1°C.

Η ψηφιακή (digital) μετάδοση λειτουργεί περίπου ως εξής: χρησιμοποιούμε οκτώ ηλεκτρικά σύρματα (συν την αναγκαία γείωση γιά να κλείνει κύκλωμα), και πάνω σε αυτά τα σύρματα βάζουμε 8 bits πληροφορίας που αποτελούν την κωδικοποίηση της θερμοκρασίας σύμφωνα με έναν κώδικα που εμείς αποφασίσαμε· επειδή ο κώδικας αποτελείται από "ψηφία" (digits), η μετάδοση λέγεται "ψηφιακή". Υπάρχουν 251 διαφορετικές δυνατές μετρήσεις θερμοκρασίας από το -25°C έως το +25°C ανά 0.2°C (50°C / 0.2°C = 250), επομένως ξέρουμε ότι 8 bits αρκούν γιά την κωδικοποίηση ενός τέτοιου ρεπερτορίου μηνυμάτων, αφού 8 bits έχουν 256 διαφορετικούς συνδυασμούς. Γιά τη μετάδοση του καθενός bit πληροφορίας, ας χρησιμοποιήσουμε μιάν ηλεκτρική τάση 0.0 V γιά την τιμή OFF και +5.0 V γιά την τιμή ON· η περιοχή αυτή τάσεων είναι η συνηθισμένη στα κυκλώματα του εργαστηρίου μας, και το εύρος της είναι 5 Volt, όσο δηλαδή και το εύρος λειτουργίας των αναλογικών ηλεκτρονικών στο προηγούμενο παράδειγμα (από -2.5 V έως + 2.5 V). Προκειμένου να μην υπάρξει λάθος στη μετάδοση, τώρα, πρέπει το συνολικό σφάλμα των ηλεκτρονικών μετάδοσης να μην υπερβαίνει τα ±2.50 Volt (δηλ. ±2500 mV). Παραδείγματος χάριν, έστω ότι το bit που θέλουμε να μεταδώσουμε είναι OFF, άρα πρέπει να μεταδώσουμε 0.0 V, αλλά ο πομπός έχει σφάλμα +400 mV κι έτσι στην πραγματικότητα μεταδίδει +0.4 V· σε αυτό προστίθεται ηλεκτρικός θόρυβος +1500 mV από παρεμβολές κατά μήκος του σύρματος μετάδοσης, κι έτσι στον δέκτη φτάνει τάση +1.9 V· ο δέκτης έχει σφάλμα +200 mV, κι έτσι νομίζει ότι βλέπει +2.1 V. Ξέροντας όμως ότι οι αναμενόμενες τιμές του bit είναι είτε 0.0 V είτε 5.0 V, και δεδομένου ότι τα +2.1 V που (νομίζει ότι) βλέπει είναι πιό κοντά στο 0 απ' ό,τι στο 5, ερμηνεύει σωστά το bit που λαμβάνει σαν OFF και όχι σαν ON.

Βλέπουμε ότι σε αυτό το παράδειγμα το ψηφιακό σύστημα στέλνει οκτώ (8) ηλεκτρικές τάσεις σαν πληροφορία, αντί της μίας (1) μόνο ηλεκτρικής τάσης που στέλνει το αναλογικό, αλλά το ψηφιακό σύστημα ανέχεται διακόσιες πενήντα (250) φορές περισσότερο θόρυβο και έλλειψη ακρίβειας στις τάσεις των ηλεκτρονικών κυκλωμάτων λειτουργίας του απ' όσο το αναλογικό (±2500 mV αντί ±10 mV). Η τεράστια εξάπλωση των ψηφιακών ηλεκτρονικών συστημάτων, σήμερα, οφείλεται στα εξής πλεονεκτήματά τους:

Transistors και Διακόπτες: Τα ψηφιακά συστήματα κατασκευάζονται σήμερα σε μορφή μικροηλεκτρονικών chips (IC - integrated circuit - ολοκληρωμένο κύκλωμα) που περιέχουν το καθένα χιλιάδες ή εκατομμύρια transistors. Τα transistors αυτά, όταν λειτουργούν ψηφιακά, συμπεριφέρονται σαν διακόπτες, που άλλοτε κάνουν επαφή (ανάβουν) και άλλοτε την διακόπτουν (σβήνουν). Φυσικά, δεν υπάρχει κανένα μαγικό χέρι που να αναβοσβήνει αυτούς τους διακόπτες --αυτοί ανοιγοκλείνουν υπο την επίδραση (ψηφιακών) ηλεκτρικών τάσεων. Γιά το λόγο αυτό, ξεκινήσαμε τη μελέτη των ψηφιακών συστημάτων μελετώντας απλούς, καθημερινούς διακόπτες.

2.5   Συνδέσεις με την Πλακέτα Εισόδων/Εξόδων

Στα περισσότερα πειράματα από εδώ και πέρα θα χρησιμοποιήσουμε εισόδους από τους διακόπτες και εξόδους προς τις ενδεικτικές λυχνίες της πλακέτας εισόδων - εξόδων, μέσω των καλωδιοταινιών που φαίνονται στο επάνω μέρος της φωτογραφίας, εδώ.
Photograph of laboratory setup with ribbon cables
Η πρώτη (μακρυά) καλωδιοταινία, που καταλήγει στην πάνω αριστερή γωνία της πλακέτας συνδέσεων, φέρνει εισόδους προς το κύκλωμα του χρήστη από τους διακόπτες Q, M, N, A, B, C, D, και E της πλακέτας εισόδων/εξόδων. Η δεύτερη (κοντή) καλωδιοταινία, που καταλήγει στην πάνω δεξιά γωνία της πλακέτας συνδέσεων, παραλαμβάνει εξόδους από το κύκλωμα του χρήστη και τις οδηγεί στις ενδεικτικές λυχνίες 0 έως 7 και a έως g και DP της πλακέτας εισόδων/εξόδων. Οι καλωδιοταινίες καταλήγουν σε ακροδέκτες τοποθετημένους στις υποδοχές της πλακέτας συνδέσεων. Κάθε ζευγάρι ακροδεκτών που βρίσκονται στην ίδια πεντάδα υποδοχών μεταφέρουν το ίδιο σήμα (είναι βραχυκυκλωμένοι μεταξύ τους)· ζευγάρια σε διαφορετικές πεντάδες μεταφέρουν διαφορετικά σήματα. Γιά να κάνουμε συνδέσεις στους διακόπτες και τις LED's μέσω των καλωδιοταινιών, χρησιμοποιούμε τις υπόλοιπες τρείς υποδοχές της κάθε πεντάδας, στην πλακέτα συνδέσεων. Μην πειράζετε τις καλωδιοταινίες και τους ακροδέκτες τους: φθείρονται εύκολα, λυγίζουν και σπάνε· γιά το σημερινό και τα επόμενα κάμποσα εργαστήρια οι καλωδιοταινίες δεν θα αλλάξουν θέση --δεν έχουν λόγο να αλλάξουν θέση!
 
Output connector with wire to LED 7 Input connector with wire from switch C Στις άκρες των καλωδιοταινιών υπάρχουν ετικέτες που δείχνουν σε ποιό σήμα αντιστοιχεί ο κάθε ακροδέκτης, περίπου όπως στις φωτογραφίες δεξιά. Στις φωτογραφίες αυτές έχουμε βάλει ένα σύρμα που συνδέει την είσοδο από τον διακόπτη C στην έξοδο προς την LED υπ' αριθμό 7. Στην καλωδιοταινία των διακοπτών υπάρχει μία αχρησιμοποιήτη θέση, αριστερά· στην ταινία των LED η αχρησιμοποιήτη θέση είναι στη μέση, σημειωμένη με "X" στη φωτογραφία. Ο κάθε διακόπτης τροφοδοτεί δύο σήματα, σε δύο πεντάδες: ένα με το ίδιο το σήμα του διακόπτη, π.χ. Q, και ένα με το αντίστροφό του, ΟΧΙ(Q), που σημειώνεται με το όνομα του διακόπτη με μία παύλα από πάνω· αυτά τα αντίστροφα των σημάτων εισόδου θα διευκολύνουν τα κυκλώματά μας σε επόμενα εργαστήρια.

Input switch and output LED closeup; sw.C-LED.7 conn. Η επόμενη φωτογραφία, δεξιά, δείχνει την περιοχή διακοπτών και ενδεικτικών λυχνιών στο εμπρός αριστερά μέρος της πλακέτας εισόδων/εξόδων που θα χρησιμοποιήσουμε σε αυτό και τα επόμενα μερικά εργαστήρια· δεν θα χρησιμοποιήσουμε ακόμα το μικρό πληκτρολόγιο 4x4 και την οθόνη υγρών κρυστάλλων στο δεξιό μέρος της πλακέτας. Οι κόκκινες LED οδηγούνται από τα ομώνυμά τους σήματα στην άκρη της καλωδιοταινίας που είδαμε παραπάνω: εάν υπάρχει το σύρμα από τον διακόπτη C στην LED 7 του προηγουμένου ζεύγους φωτογραφιών, τότε κάθε φορά που πατάμε τον διακόπτη C, όπως στην εδώ φωτογραφία, ανάβει η κόκκινη LED υπ' αριθμόν 7. Όσες κόκκινες LED έχουν το σήμα τους ασύνδετο παραμένουν σβηστές. Αμέσως πάνω από κάθε διακόπτη υπάρχει μία κίτρινη και μία πράσινη LED. Πάντα ανάβει μία και μόνο μία από αυτές, υποδεικνύοντας την τρέχουσα τιμή του αντίστοιχου bit: όταν ανάβει η κίτρινη LED το bit είναι 0, και όταν ανάβει η πράσινη το bit είναι 1. Στη φωτογραφία, Q=M=N=C=1 και A=B=D=E=0· αντίστροφα, το σήμα π.χ. ΟΧΙ(C), συμβολισμένο σαν C-παύλα, είναι 0 στη φωτογραφία, ενώ το ΟΧΙ(D) είναι 1. Οι τρείς πρώτοι διακόπτες, Q, M, και N, είναι διαφορετικοί από τους υπόλοιπους πέντε (A, B, C, D, και E): οι τρείς αριστεροί έχουν μνήμη, ενώ οι πέντε υπόλοιποι δεν έχουν. Όποτε πατάμε έναν από τους διακόπτες με μνήμη, το αντίστοιχο bit αλλάζει τιμή, και παραμένει στην νέα του τιμή (την θυμάται) μέχρι να ξαναπατηθεί ο διακόπτης. Οι υπόλοιποι διακόπτες, που δεν έχουν μνήμη, δίνουν στο bit τους την τιμή 1 όση ώρα πατιούνται, και επιστρέφουν στην τιμή 0 μόλις αφεθούν ελεύθεροι.

Seven-segment display lighting up Δεξιά από τις κόκκινες LED υπάρχει ένα αριθμητικό "ψηφίο", σαν αυτά των γνωστών μας αριθμομηχανών τσέπης ή ψηφιακών ρολογιών. Αυτό λέγεται ένδειξη 7 τμημάτων (7-segment display), διότι έχει 7 γραμμικές φωτοεκπομπούς διόδους και μία LED-κουκίδα (δεκαδική τελεία). Οι LED αυτές, που ονομάζονται a, b, c, d, e, f, g, και DP (decimal point), όπως δείχνει το μικρό σχηματάκι δεξιά τους, τροφοδοτούνται από τους ομώνυμους ακροδέκτες της καλωδιοταινίας που είδαμε νωρίτερα. Πειραματιστείτε συνδέοντας διάφορα καλώδια από διακόπτες προς LED's· γιά παράδειγμα, συνδέστε τον ακροδέκτη C, που είχαμε και πριν, αυτή τη φορά στην LED "d", και στη συνέχεια από την LED "d" επίσης στην LED "e" και από 'κει επίσης στην LED "g". Τώρα, όταν πατάμε τον διακόπτη C ανάβουν οι τρείς μικρές γραμμικές LED "d-e-g", εμφανίζοντας το σχήμα της φωτογραφίας δεξιά. Φυσικά, απαγορεύεται να βραχυκυκλώνετε δύο διακόπτες μεταξύ τους, είτε άμεσα, είτε έμμεσα --συνδέοντάς τους δηλαδή στην ίδια LED ή σε πολλαπλές LED που όμως είναι μεταξύ τους συνδεδεμένες: αν κάνετε ένα τέτοιο βραχυκύκλωμα και οι δύο διακόπτες είναι σε διαφορετική κατάσταση καθένας, τότε το ένα κύκλωμα οδήγησης προσπαθεί να δώσει στο κοινό σημείο ψηλή τάση και το άλλο κύκλωμα οδήγησης προσπαθεί να του δώσει χαμηλή τάση, με αποτέλεσμα το βραχυκύκλωμα να διαρρέεται από μεγάλο ρεύμα, οι οδηγητές να ζεσταίνονται, και η τάση του κοινού σημείου να είναι απροσδιόριστη!

2.6   Ηλεκτρικά Ελεγχόμενοι Διακόπτες

Μέχρι τώρα, όλες οι είσοδοι των ψηφιακών κυκλωμάτων που φτιάξαμε ήταν διακόπτες που τους πατούσε ένα ανθρώπινο χέρι. Προφανώς, δεν μπορεί κανείς να συνεχίσει έτσι γιά πολύ, εξ αιτίας ενός πλήθους δυσκολιών: (i) έχουμε λίγα (σχετικά) δάκτυλα· (ii) είμαστε αργοί σε σχέση με τα ηλεκτρονικά κυκλώματα· (iii) πολλά κυκλώματα χρειάζονται την ίδια είσοδο σε πολλά μέρη, όπως π.χ. στους δύο διακόπτες B του αποκωδικοποιητή 2-σε-4 της §2.2, και υπάρχει ένα προφανές μηχανικό όριο στο πόσους διακόπτες μπορεί να κινήσει ένα δάκτυλο· και το σημαντικότερο: (iv) δεν μπορούμε να πάρουμε την έξοδο ενός κυκλώματος - υποσυστήματος και να την χρησιμοποιήσουμε σαν είσοδο σε ένα άλλο κύκλωμα - υποσύστημα, και κατά συνέπεια (v) δεν μπορούμε ούτε να πάρουμε μιά πληροφορία αποθηκευμένη σε μιά ηλεκτρονική μνήμη και να την χρησιμοποιήσουμε σαν είσοδο ενός κυκλώματος επεξεργασίας της.

Αυτό που χρειάζεται λοιπόν γιά να προχωρήσουμε είναι ηλεκτρικά ελεγχόμενοι διακόπτες, δηλαδή διακόπτες που να μπορεί να τους ανοιγοκλείνει ένα ηλεκτρικό σήμα, χωρίς την παρέμβαση ανθρώπινου χεριού· γιά την ακρίβεια, θέλουμε η έξοδος ενός διακόπτη να μπορεί να ανάψει ή να σβήσει έναν ή περισσότερους άλλους παρόμοιους διακόπτες. Στη σημερινή μικροηλεκτρονική τεχνολογία, αυτό επιτυγχάνεται χρησιμοποιώντας transistors σαν τέτοιους ηλεκτρικά ελεγχόμενους διακόπτες. Τα transistors είναι συνδυασμός ημιαγωγών με κατάλληλες προσμίξεις άλλων στοιχείων --συνήθως πυρίτιο (silicon - τετρασθενές) με προσμίξεις τρισθενών και πεντασθενών στοιχείων-- που του προσδίδουν ιδιότητες ενισχυτή και διακόπτη όταν χρησιμοποιηθούν υπό κατάλληλες τάσεις σε κατάλληλο κύκλωμα. Ο τρόπος κατασκευής και λειτουργίας του transistor είναι κυρίως θέμα Φυσικής της στερεάς κατάστασης, και ξεφεύγει από τα πλαίσια του παρόντος μαθήματος.

Οι υπολογιστές κατασκευάζονται με transistors από περίπου τη δεκαετία του '60 και πέρα. Οι πρώτοι υπολογιστές, τις δεκαετίες '40 και '50, ήταν κατασκευασμένοι με ηλεκτρονικές λυχνίες κενού (vacuum tubes), και ένας από αυτούς, ο Mark-II (στο Harvard την εποχή του πολέμου), με ηλεκτρομηχανικούς διακόπτες σαν αυτούς που θα περιγράψουμε παρακάτω. [Στις 9/9/1945, που ο Mark-II δεν δούλευε καλά, ψάχνοντας οι τεχνικοί βρήκαν την αιτία: ένα ζουζούνι (bug) --μία πεταλουδίτσα γιά την ακρίβεια-- είχε μπεί στο διακόπτη F.70, και δεν τον άφηνε να κάνει καλά επαφή· έβγαλαν το ζουζούνι, και μαθεύτηκε σύντομα ότι είχαν κάνει "debugging" (απεντόμωση) της μηχανής --από τότε, ο όρος αυτός χρησιμοποιείται ευρύτατα στους υπολογιστές... (γιά περισσότερες πληροφορίες, δείτε εδώ)]. Εν τω μεταξύ, τα τηλεφωνικά κέντρα χρησιμοποιούσαν ηλεκτρομηχανική τεχνολογία ήδη από το πρώτο μισό του 20ου αιώνα· τέτοια "αναλογικά" τηλεφωνικά κέντρα επεβίωσαν μέχρι πριν λίγα χρόνια σε μερικές χώρες όπως και η δική μας, και τα αναγνώριζε κανείς από το χαρακτηριστικό ήχο "κρου-κρου-κρου-κρου" που έκαναν μέχρι να σε συνδέσουν.

2.7   Ηλεκτρονόμοι (Relays)

Οι ηλεκτρομηχανικοί διακόπτες, γνωστοί σαν ηλεκτρονόμοι (relays, και στην αργκώ των ηλεκτρολόγων: ρελέδες), εκτός από τα παλαιά τηλεφωνικά κέντρα και τον υπολογιστή Mark-II της δεκαετίας του '40, χρησιμοποιούνται ευρύτατα και σήμερα σε όλες τις ηλεκτρικές και βιομηχανικές εγκαταστάσεις, λόγω της αντοχής τους στις υψηλές τάσεις (εκατοντάδες ή χιλιάδες Volt), σε αντίθεση με τους ημιαγωγούς που καίγονται εύκολα από υπερτάσεις. Εμείς, εδώ, θα τους χρησιμοποιήσουμε σε μερικά εργαστήριά μας εξ αιτίας της εξαιρετικής εποπτείας που προσφέρουν: βλέπεις και ακούς το διακόπτη να ανοιγοκλείνει μπροστά σου, κι έτσι νοιώθεις τη λειτουργία του ψηφιακού κυκλώματος πολύ καλύτερα απ' όσο με τα transistors, όπου δεν μπορεί κανείς να δει τι συμβαίνει με τα ηλεκτρόνια μέσα τους.

Η αρχή λειτουργίας του ηλεκτρονόμου είναι απλή: ένας ηλεκτρομαγνήτης, δηλαδή ένας σιδηρούς πυρήνας με ένα ηλεκτρικό πηνίο τυλιγμένο γύρω του, έλκει τον οπλισμό του, δηλαδή ένα κινητό σιδερένιο μοχλό, όταν περνάει ηλεκτρικό ρεύμα μέσα από το πηνίο. Μόλις διακοπεί το ηλεκτρικό ρεύμα, ο μαγνήτης παύει να έλκει τον οπλισμό του, και ένα ελατήριο επαναφέρει τον τελευταίο στην αρχική του θέση, μακρυά από τον σιδερένιο πυρήνα. Συνδέουμε στον οπλισμό έναν ή περισσότερους διακόπτες, και καθώς ο οπλισμός κινείται υπό την επίδραση του ηλεκτρομαγνήτη αυτός κάνει τους διακόπτες να ανοιγοκλείνουν.

Ηλεκτρονόμοι υπάρχουν σε όλα τα μεγέθη, από μικροί, κατάλληλοι γιά να τους ελέγχει μιά χαμηλή τάση (5 - 12 Volt), π.χ. από ένα ηλεκτρονικό όργανο, και αυτοί με τη σειρά τους να αναβοσβήνουν μερικά φώτα (250 V, 5 A) ή ένα μικρό κινητήρα (π.χ. αντλία νερού), μέχρι πολύ μεγάλοι, κατάλληλοι γιά να ανοιγοκλείνουν τις μηχανές ολόκληρων εργοστασίων ή υποσταθμών της ΔΕΗ. Εμείς, φυσικά, θα χρησιμοποιήσουμε ένα τύπο ηλεκτρονόμου από τους μικρότερους, με ποδαράκια (ηλεκτρικές επαφές) κατάλληλα γιά την πλακέτα συνδέσεων (σε αντίθεση με άλλους που είναι κατάλληλοι γιά να βιδώνονται σε ηλεκτρικούς πίνακες).

Relay photograph in inactive (left) and active (right) state Στην φωτογραφία δεξιά φαίνεται ένας ηλεκτρονόμος παρόμοιος με αυτούς του εργαστηρίου μας, στις δύο καταστάσεις του: αδρανής (αριστερά), και ενεργός (δεξιά) (πατήστε εδώ ή στη φωτογραφία γιά μεγέθυνση (180 KBytes)). Το ηλεκτρικό πηνίο διέγερσης (εκατοντάδες σπείρες λεπτού, ξανθού, μονωμένου σύρματος, τυλιγμένες γύρω από τον πυρήνα) βρίσκεται στο αριστερό μέρος του ηλεκτρονόμου. Οι εξωτερικοί ακροδέκτες του πηνίου είναι δύο ποδαράκια στην αριστερή άκρη του ηλεκτρονόμου· στη φωτογραφία φαίνεται μόνο το μπροστινό --το άλλο είναι ακριβώς πίσω του. Ο πυρήνας του ηλεκτρομαγνήτη περνάει μέσα από το πηνίο, βγαίνει από κάτω, και ανεβαίνει προς τα επάνω ακριβώς δίπλα και δεξιά από το πηνίο (γκρί γυαλιστερό σίδερο). Το μαγνητικό κύκλωμα συνεχίζει με το επάνω ήμισυ του οπλισμού, που βρίσκεται πάνω από τον ηλεκτρομαγνήτη. Ο οπλισμός είναι το σίδερο σε σχήμα "Γ" με ελαφρώς αμβεία γωνία που βρίσκεται πάνω και δεξιά από το πηνίο. Στην αριστερή φωτογραφία, δεν περνάει ρεύμα από το πηνίο και ο οπλισμός βρίσκεται ψηλά, όπου τον συγκρατεί το κατακόρυφο ελατήριο που ίσα-ίσα φαίνεται. Στη δεξιά φωτογραφία, περνάει ρεύμα από το πηνίο και ο οπλισμός έχει χαμηλώσει και έχει κολλήσει στον πυρήνα, ελκόμενος από τον ενεργό ηλεκτρομαγνήτη. Με την κίνηση αυτή, το κάτω-δεξί άκρο του οπλισμού έχει κινηθεί δεξιά, και έχει παρασύρει ένα μαύρο, οριζόντιο, πλαστικό έμβολο, το οποίο με τη σειρά του έχει παρασύρει τη μεσαία επαφή του διακόπτη που φαίνεται στη φωτογραφία.

Στη δεξιά πλευρά του ηλεκτρονόμου υπάρχουν δύο διακόπτες, ένας εμπρός κι ένας πίσω· στη φωτογραφία φαίνεται μόνο ο μπροστινός. Ο διακόπτης που φαίνεται στη φωτογραφία έχει έναν πόλο --το μεσαίο, χάλκινο, κατακόρυφο, λεπτότερο έλασμα-- και δύο επαφές --τα δύο παχύτερα κατακόρυφα χάλκινα ελάσματα, ένα αριστερά και ένα δεξιά. Άρα, πρόκειται γιά έναν διακόπτη SPDT, σαν αυτούς της §0.8. Οι εξωτερικοί ακροδέκτες του διακόπτη είναι τα τρία ποδαράκια που φαίνονται κάτω από αυτόν, με την ίδια σειρά με την οποία βρίσκονται και τα αντίστοιχα ελάσματα μέσα στο διακόπτη. Από την πίσω πλευρά, που δεν φαίνεται στη φωτογραφία, υπάρχει άλλος ένας διακόπτης SPDT, ηλεκτρικά μονωμένος από τον πρώτο, που όμως κινείται από το ίδιο οριζόντιο μαύρο έμβολο, άρα ανοιγοκλείνει ταυτόχρονα με τον πρώτο. Οι 3 ακροδέκτες του πίσω διακόπτη είναι ακριβώς πίσω από τους ακροδέκτες του μπροστινού, και κρύβονται από αυτούς στη φωτογραφία.

Παρατηρήστε ότι ο διακόπτης είναι ηλεκτρικά πλήρως μονωμένος από τον ηλεκτρομαγνήτη και το πηνίο του: επικοινωνούν μόνο μηχανικά, μέσω του οριζόντιου μαύρου πλαστικού εμβόλου. Έτσι επιτυγχάνουμε τα δύο ηλεκτρικά κυκλώματα, το ελέγχον (πηνίο) και το ελεγχόμενο (διακόπτης), να είναι εντελώς ανεξάρτητα, με δυνατότητα να υπάρχει μεγάλη (και μεταβαλόμενη) διαφορά δυναμικού μεταξύ των δύο· π.χ. το ένα μπορεί να ανήκει σε ένα ευαίσθητο ηλεκτρονικό όργανο, ενώ το άλλο μπορεί να συνδέεται σε ένα θορυβώδη ηλεκτρικό κινητήρα, τροφοδοτούμενο από άλλη φάση τριφασικής παροχής. Αυτό είναι ένα πλεονέκτημα των ηλεκτρονόμων που δεν το έχουν οι ηλεκτρονικοί διακόπτες (transistors).

Από την άλλη μεριά, φυσικά, γιά να αλλάξει κατάσταση ο ηλεκτρονόμος πρέπει να κινηθούν μηχανικά τμήματα, άρα απαιτείται χρόνος πολλών χιλιοστών του δευτερολέπτου (millisecond - ms), τη στιγμή που οι ηλεκτρονικοί διακόπτες (transistors) αναβοσβήνουν σε χρόνο σημαντικά κάτω του δισεκατομμυριοστού του δευτερολέπτου (nanosecond - ns), σήμερα, δηλαδή είναι δεκάδες εκατομμύρια φορές γρηγορότεροι. Επίσης, γιά να κολλήσει ο οπλισμός ενός ηλεκτρονόμου του εργαστηρίου μας απαιτείται ρεύμα της τάξης των 100 mA, άρα ισχύς γύρω στα 500 mW (στα 5 V που δουλεύουμε). Σε αντίθεση με αυτό, ένας σημερινός ηλεκτρονικός διακόπτης (transistor) μπορεί να ανοιγοκλείνει σε πλήρη ταχύτητα καταναλώνοντας κάτω από 50 μW, και αναλογικά λιγότερο σε χαμηλότερες ταχύτητες, δηλαδή είναι δεκάδες χιλιάδες φορές οικονομικότερος στη μπαταρία (και στην παραγόμενη θερμότητα). Τέλος, ένα σημερινό transistor με τα γύρω κυκλώματά του καταλαμβάνει εμβαδό γύρω στο ένα τετραγωνικό μm (μικρόμετρο), συγκρινόμενο προς τα 300 τετραγωνικά mm (χιλιοστόμετρα) του ηλεκτρονόμου μας (χωρίς να παίρνουμε υπ' όψη και τη διαφορά ύψους), δηλαδή ο ηλεκτρονικός διακόπτης είναι γύρω στο ένα δισεκατομμύριο φορές μικρότερος!

Relay symbol Σαν σύμβολο του ηλεκτρονόμου στα κυκλώματά μας θα χρησιμοποιούμε αυτό που φαίνεται δεξιά. Στο επάνω μέρος είναι οι δύο ηλεκτρικά ελεγχόμενοι διακόπτες. Στο κάτω μέρος υπάρχει ένα σύμβολο πηνίου, που συμβολίζει τον ηλεκτρομαγνήτη. Τα δύο μέρη ενώνονται με μία διακεκομένη γραμμή, που συμβολίζει ότι το πηνίο ελέγχει το διακόπτη. Η διακεκομένη γραμμή έχει ένα βέλος προς το πηνίο, που συμβολίζει τη σύμβαση πολικότητάς μας: όταν το πηνίο είναι αδρανές (δεν διαρρέεται από ρεύμα), οι διακόπτες είναι στην επάνω κατάστασή τους· όταν το πηνίο ενεργοποιείται (διαρρέεται από ρεύμα), έλκει τους διακόπτες προς την φορά του βέλους, δηλαδή τους φέρνει στην κάτω κατάστασή τους. Παρατηρήστε ότι το πηνίο δεν έχει συγκεκριμένη πολικότητα, δηλαδή ενεργοποιείται με ρεύμα είτε της μίας φοράς είτε της άλλης. Επίσης παρατηρήστε ότι το πηνίο είναι ηλεκτρικά μονωμένο από τους διακόπτες, άρα δεν μπορεί να περάσει ρεύμα ανάμεσα στους ακροδέκτες του πηνίου και αυτούς των διακοπτών, ούτε η διαφορά τάσης μεταξύ τους έχει καμία επίδραση στον ηλεκτρονόμο.
2-to-4 tree decoder circuit using a relay in the 2nd stage

Πείραμα 2.8:   Σύνδεση και Λειτουργία του Ηλεκτρονόμου

Θα δοκιμάσουμε πρώτα τη σύνδεση και τη λειτουργία του ηλεκτρονόμου χρησιμοποιώντας τον γιά να αντικαταστήσει τους δύο διακόπτες B που έπρεπε να κινούνται μαζί στον αποκωδικοποιητή 2-σε-4 του πειράματος 2.2. Στο νέο κύκλωμα, δεξιά, αντικαθιστούμε τους δύο εκείνους διακόπτες με τους διακόπτες του ηλεκτρονόμου, οι οποίοι ούτως ή άλλως κινούνται πάντα μαζί. Γιά να κινηθεί ο ηλεκτρονόμος σύμφωνα με τις επιθυμίες του χρήστη, προσθέτουμε το νέο διακόπτη "V", κάτω. Όταν πατιέται ο V, τροφοδοτεί με ρεύμα το πηνίο του ηλεκτρονόμου, κι αυτό έλκει τον οπλισμό του και κατά συνέπεια "πατάει" τους δύο διακόπτες του, επάνω. Επομένως, τελικά, οι δύο διακόπτες του ηλεκτρονόμου θα βρίσκονται πάντα στην ακριβώς ίδια κατάσταση με τον διακόπτη V, δηλαδή πετύχαμε να "αντιγράψουμε" την κατάσταση του V στους δύο νέους διακόπτες του ηλεκτρονόμου.


Relay pin positions Στις πλακέτες συνδέσεων, οι ηλεκτρονόμοι του εργαστηρίου μας τοποθετούνται όπως φαίνεται στο σχεδιάγραμμα εδώ, στις σειρές e και f, δηλαδή τις πλησιέστερες στο κεντρικό "αυλάκι". Προτιμάμε να τους τοποθετούμε με το πηνίο αριστερά. Τότε, οι ακροδέκτες ενεργοποίησης του πηνίου βρίσκονται στις δύο αριστερότερες υποδοχές που καλύπτει πλήρως ο ηλεκτρονόμος. Οι ακροδέκτες των διακοπτών βρίσκονται στη δεξιά άκρη του ηλεκτρονόμου, στήλη παρά στήλη. Στην επάνω σειρά (f) είναι ο ένας διακόπτης, και στην κάτω σειρά (e) είναι ο άλλος. Ο πόλος του κάθε διακόπτη είναι στο μεσαίο από τους 3 ακροδέκτες. Η επαφή αδρανείας είναι κοντά στο πηνίο, ενώ η επαφή ενεργοποίησης είναι στη δεξιά άκρη του ηλεκτρονόμου, στην δεξιότερη υποδοχή που καλύπτει ο ηλεκτρονόμος. Όταν ξέρουμε την (οριζόντια) συντεταγμένη των ακροδεκτών του πηνίου, οι συντεταγμένες των ακροδεκτών των διακοπτών προκύπτουν προσθέτοντας τους αριθμούς 6 (επαφή αδρανείας), 8 (πόλος), και 10 (επαφή ενεργοποίησης).


Photograph of 2-to-4 decoder using relay Κατασκευάστε στο εργαστήριο το παραπάνω κύκλωμα, και χρησιμοποιήστε το γιά να διαπιστώστε πειραματικά τον τρόπο λειτουργίας του ηλεκτρονόμου. Αντί να συνδέουμε LED's μέσω αντιστάσεων, χρησιμοποιήστε τις LED 0, 1, 2, και 3 της πλακέτας εισόδων/εξόδων μέσω της καλωδιοταινίας, όπως στη φωτογραφία· εκμεταλλευόμαστε την ιδιότητα αυτών των LED's να παραμένουν σβηστές όσο δεν τους παρέχεται ρεύμα (ανοικτό κύκλωμα), και να ανάβουν όταν συνδεθούν σε πηγή ψηλής τάσης (π.χ. 5 V εδώ) οπότε και τους παρέχεται (θετικό) ρεύμα. Γιά τα πηνία των ηλεκτρονόμων, όμως, δεν μπορούμε να χρησιμοποιήσουμε τις εισόδους από τους διακόπτες της πλακέτας εισόδων/εξόδων, διότι οι εκεί ηλεκτρονικοί οδηγητές είναι φτιαγμένοι γιά να τροφοδοτούν μόνο chips, τα οποία χρειάζονται μικρό ρεύμα, και δεν μπορούν να δώσουν το μεγάλο ρεύμα που ζητούν οι ηλεκτρονόμοι γιά να κινηθούν. Στο εργαστήριο, παρατηρήστε προσεκτικά τη μηχανική κίνηση που κάνει ο οπλισμός του ηλεκτρομαγνήτη και οι δύο διακόπτες μέσα στον ηλεκτρονόμο όταν ο διακόπτης V τροφοδοτει με ρεύμα το πηνίο. Δείτε ποιές φωτοδίοδοι ανάβουν κάθε φορά και επιβεβαιώστε τη λειτουργία του κυκλώματος σαν αποκωδικοποιητή. Όταν τελειώσετε, μην χαλάσετε το κύκλωμά σας, διότι θα αποτελέσει τη βάση γιά το επόμενο πείραμα.

Πείραμα 2.9:   Αποκωδικοποιητής 3-σε-8

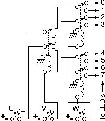
Ο αποκωδικοποιητής του προηγουμένου πειράματος επεκτείνεται κατά προφανή τρόπο σε περισσότερες εξόδους, προσθέτοντας περισσότερα bits εισόδου και περισσότερα επίπεδα στο δέντρο του· καθώς το κάνουμε αυτό, πληθαίνουν και οι διακόπτες που πρέπει να ελέγχονται κατά όμοιο τρόπο από ορισμένα από τα bits εισόδου. Επεκτείνετε τον αποκωδικοποιητή σε τρία bits εισόδου, U, V, W, και 8 εξόδους, όπως στο σχήμα.
3-to-8 tree decoder using relays in stages 2 and 3 Στο τρίτο επίπεδο του δέντρου χρειαζόμαστε 4 διακόπτες SPDT, ελεγχόμενους όλους από το τρίτο bit εισόδου, το W. Επειδή δεν έχουμε τετραπλό διακόπτη, χρησιμοποιούμε στη θέση του 2 ηλεκτρονόμους, τους οποίους ελέγχουμε από το ίδιο σημείο, τον διακόπτη W. Επομένως, οι 4 αυτοί διακόπτες των ηλεκτρονόμων στο 3ο επίπεδο του δέντρου αποκωδικοποίησης θα αποτελούν πάντα "αντίτυπο" της εισόδου W, όπως και οι 2 διακόπτες στο 2ο επίπεδο αποτελούν αντίγραφο του bit εισόδου V.

Πριν φτάσετε στο εργαστήριο, φτιάξτε τον πίνακα αληθείας γιά καθεμιά από τις 8 εξόδους του κυκλώματος. Επίσης, γιά την κάθε έξοδο παρατηρήστε το κύκλωμα που την τροφοδοτεί (τρείς διακόπτες εν σειρά) και εκφράστε την με μιάν "εξίσωση" (π.χ. (U)ΚΑΙ(ΟΧΙ(V))ΚΑΙ(W)), βάσει των όσων είπαμε στην §1.2. Στο εργαστήριο, φτιάξτε και ελέγξτε το κύκλωμα, παρατηρώντας ποιός συνδυασμός διακοπτών ανάβει ποιά λάμπα, και δείξτε το στον βοηθό σας. Ένα μέρος του κυκλώματος το έχετε έτοιμο από το προηγούμενο πείραμα. Όταν τελειώσετε, μην χαλάσετε το κύκλωμά σας, διότι θα το χρησιμοποιήστε και στο επόμενο πείραμα.

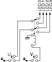
Πείραμα 2.10:   Πολυπλέκτης 8-σε-1 με Ηλεκτρονόμους

Στην ενότητα 1.5 μιλήσαμε γιά τους πολυπλέκτες. Εκεί, η επιλογή της επιθυμητής εισόδου δεδομένων γίνονταν μέσω ενός διακόπτη ανά είσοδο. Άλλες φορές, όμως, την επιλογή εισόδου προτιμάμε να την κάνουμε με διαφορετικό τρόπο: χρησιμοποιούμε λιγότερους διακόπτες (λιγότερες εισόδους) επιλογής, και αποκωδικοποιούμε αυτές τις λιγότερες εισόδους στους (πολύ περισσότερους) συνδυασμούς που αυτές παράγουν, και ο κάθε ένας από αυτούς τους συνδυασμούς επιλέγει μιάν αντίστοιχη είσοδο δεδομένων. Με τον τρόπο αυτό υπάρχει διπλό κέρδος: πρώτον, χρειαζόμαστε πολύ λιγότερες εισόδους επιλογής (ελέγχου), και δεύτερον, το κύκλωμα αποκωδικοποίησης μας εξασφαλίζει αυτό που είχαμε (άτυπα) συμφωνήσει ότι θέλουμε: κάθε φορά, επιλέγεται αυτομάτως μία και μόνο μία είσοδος δεδομένων.


8-to-1 mux using relays (mirror of 3-to-8 tree decoder) Όταν η επιλογή της επιθυμητής εισόδου δεδομένων του πολυπλέκτη γίνεται με τον παραπάνω "κωδικοποιημένο τρόπο, τότε προκύπτει στενή συγγένεια ανάμεσα στα κυκλώματα αποκωδικοποιητή και πολυπλέκτη: μέσα σε κάθε πολυπλέκτη πρέπει να υπάρχει ένας αποκωδικοποιητής που να βρίσκει πότε εμφανίζεται ο κάθε ένας συνδυασμός των bits επιλογής και να επιλέγει την αντίστοιχη είσοδο. Ειδικά όταν τα κυκλώματα αυτά υλοποιούνται με ένα δέντρο από διακόπτες, τότε το ένα είναι το κατοπτρικό του άλλου! Ο λόγος έχει να κάνει με την αμφίδρομη συμπεριφορά του διακόπτη: ηλεκτρικό ρεύμα (και κατά συνέπεια εξίσωση τάσεων) μπορεί να περάσει μεσα από τον διακόπτη τόσο προς τη μία φορά όσο και προς την άλλη. Όταν, από το επόμενο εργαστήριο, θα αρχίσουμε να χρησιμοποιούμε ηλεκτρονικές "πύλες" σε chips, οι οποίες (επίτηδες) λειτουργούν με μονόδρομη ροή της πληροφορίας από συγκεκριμένες εισόδους προς εξόδους, τότε ο πολυπλέκτης και ο αποκωδικοποιητής θα μοιάζουν λίγο λιγότερο μεταξύ τους.

Το σχήμα δείχνει το κύκλωμα του αποκωδικοποιητή 3-σε-8 του πειράματος 2.9, "γυρισμένο τα δεξιά-αριστερά" (κατοπτρισμένο), με αλλαγμένες τις εξόδους σε εισόδους δεδομένων, και με αλλαγμένον τον πόλο του διακόπτη U από τροφοδοσία σε έξοδο δεδομένων. Το νέο κύκλωμα είναι απλούστατα ένας πολυπλέκτης 8-σε-1! Οι τρείς είσοδοι επιλογής, U, V, W, των οποίων ο ρόλος έμεινε αναλλοίωτος, επιλέγουν και αποκαθιστούν, όπως και πριν, έναν από τους οκτώ δυνατούς δρόμους μεταξύ της αριστερής και της δεξιάς πλευράς του "δένδρου". Μέσα από τον επιλεγμένο δρόμο, προηγουμένως περνούσε η θετική τάση της τροφοδοσίας προς μία από τις οκτώ εξόδους· τώρα περνάει, με αντίθετη φορά, οιαδήποτε πληροφορία υπάρχει στη επιλεγμένη είσοδο δεδομένων (Q - E) προς την (μοναδική τώρα) έξοδο δεδομένων.

Πριν φτάσετε στο εργαστήριο, σχεδιάστε έναν πολυπλέκτη 16-σε-1 κατ' ανάλογο τρόπο. Πόσες εισόδους (bits) επιλογής χρειάζεστε; Ονομάστε τις εισόδους δεδομένων In0 έως In15 με τη σειρά, και δείξτε τη θέση των διακοπτών και τις τιμές των bits επιλογής προκειμένου να επιλεγεί η είσοδος In13.

Στο εργαστήριο, αλλάξτε το κύκλωμα του πειράματος 2.9 σύμφωνα με το παραπάνω σχεδιάγραμμα. Θυμηθείτε να σβήσετε την τροφοδοσία πριν αρχίσετε, και να αλλάξετε την σύνδεση του πόλου του διακόπτη U. Τα οκτώ σημεία που τώρα είναι είσοδοι δεδομένων συνδέστε τα στην καλωδιοταινία εισόδου, στους διακόπτες Q έως και E. Οι διακόπτες της πλακέτας εισόδων/εξόδων, όπως λέγαμε, δεν μπορούν βεβαια να δώσουν αρκετό ρεύμα γιά να ενεργοποιήσουν πηνία ηλεκτρονόμων· εδώ όμως, οι είσοδοι αυτές τροφοδοτούν μόνο την LED.0, μέσω τριών απλών ηλεκτρικών επαφών, και όχι πηνία ηλεκτρονόμων, επομένως δεν τις υπερφορτώνουμε. Δοκιμάστε το κύκλωμα ως εξής: κρατώντας τους διακόπτες U, V, W σταθερούς, αναβοσβήνετε έναν-έναν τους Q...E γιά να διαπιστώσετε σε ποιόν από αυτούς "αντιδρά" η LED.0. Μετά, αλλάξτε το συνδυασμό θέσεων των U, V, W, ξαναψάξτε να βρείτε ποιόν από τους Q...E "ακούει" τώρα η LED.0, κ.ο.κ. γιά τους 8 συνδυασμούς των 3 bit επιλογής.

2.11   Ανάδραση: Ευσταθή, Ασταθή, και Δισταθή Συστήματα

Στα επόμενα δύο πειράματα θα μελετήσουμε δύο απλά όσο και εντυπωσιακά κυκλώματα ηλεκτρονόμων. Όπως και πολλά άλλα φυσικά και τεχνητά συστήματα, αυτά εμπεριέχουν ανάδραση (feedback). Έστω ότι το σύστημα έχει μιάν είσοδο και μιάν έξοδο. Όταν δεν υπάρχει ανάδραση, η είσοδος επιδρά στην έξοδο με ορισμένο τρόπο --ιδιαίτερα μας ενδιαφέρει η πολικότητα, η ένταση, και η καθυστέρηση της επίδρασης. Όταν προστεθεί ανάδραση, η έξοδος συνδέεται πίσω στην είσοδο --είτε κατευθείαν είτε μέσω ενός άλλου συστήματος-- ούτως ώστε η έξοδος να επιδρά με τη σειρά της στην είσοδο. Το προκύπτον σύνθετο σύστημα έχει μιά νέα συμπεριφορά, που προκύπτει από την ανάδραση. Πρώτ' απ' όλα, η ανάδραση διακρίνεται σε αρνητική και σε θετική.

Αρνητική λέμε την ανάδραση όταν η πολικότητά της είναι αντίθετη σε σχέση με το τι έκανε το σύστημα, δηλαδή όταν ή έξοδος αλλάζει προς μιά κατεύθυνση Α, η ανάδραση είναι τέτοια ώστε να το κάνει να κινηθεί στην αντίθετη κατεύθυνση, Β. Όταν η αρνητική ανάδραση είναι ήπια και η επίδρασή της μέσω της εισόδου του συστήματος επανεμφανίζεται στην έξοδο αρκούντως γρήγορα, τότε αυτή προκαλεί σταθεροποίηση του συστήματος και έλεγχο της συμπεριφοράς του, οπότε και μιλάμε γιά ευσταθές σύστημα. Ένα τέτοιο παράδειγμα από την καθημερινή ζωή είναι όταν είμαι κάτω από το ντους και ρυθμίζω τη θερμοκρασία του ανοιγοκλείνοντας με ήπιο και αργό τρόπο τις βρύσες του ζεστού και του κρύου. Όταν όμως η αρνητική ανάδραση είναι απότομη ή η επίδρασή της αργεί να επανεμφανιστεί στην έξοδο, τότε προκύπτει ασταθές σύστημα, το οποίο ταλαντούνται συνεχώς μεταξύ ακραίων καταστάσεων. Γιά παράδειγμα, πάλι στο ντούς, αν η αντίδραση στο ελαφρώς ζεστό νερό είναι να ανοίξω απότομα και εντελώς το κρύο, και αντίστροφα γιά το ελαφρώς κρύο νερό, τότε μάλλον θα υποφέρω συνεχώς από εναλλάξ κρύο και καυτό νερό.

Θετική λέμε την ανάδραση όταν η πολικότητά της είναι ίδια με το τι έκανε το σύστημα, δηλαδή αν ή έξοδος άλλαξε προς μία κατεύθυνση Α, η ανάδραση είναι τέτοια ώστε να το κάνει να κινηθεί ακόμα περισσότερο στην ίδια κατεύθυνση Α. Η θετική ανάδραση έχει αποκλίνοντα αποτελέσματα στο σύστημα: το πηγαίνει στα άκρα, και το αφήνει εκεί. Δεδομένου ότι πολλά συστήματα έχουν δύο ακραίες καταστάσεις, η θετική ανάδραση συνήθως τα πηγαίνει και τα αφήνει στη μία ή στην άλλη από αυτές, και τότε μιλάμε γιά δισταθή συστήματα, δηλαδή συτήματα με δύο, διαφορετικές, ευσταθείς καταστάσεις ισορροπίας (συχνά υπάρχει και μία μεσαία κατάσταση ασταθούς ισορροπίας). Τα δισταθή συστήματα μπορούμε να τα χρησιμοποιήσουμε γιά αποθήκευση πληροφορίας: έχουν μνήμη και "θυμούνται" σε ποιάν από τις καταστάσεις ευσταθούς ισορροπίας τους τα αφήσαμε. Τα ασταθή συστήματα μπορούμε να τα χρησιμοποιήσουμε γιά τη δημιουργία "ρολογιών" μέτρησης του χρόνου (όταν η περίοδος ταλάντωσής τους είναι αρκούντως προβλέψιμη ή ελέγξιμη).

Relay Oscillator Πείραμα 2.12:   Ταλαντωτής με Ηλεκτρονόμο

Ο ηλεκτρονόμος στο κύκλωμα δεξιά ελέγχει τον εαυτό του χρησιμοποιώντας αρνητική ανάδραση: όταν το πηνίο είναι αδρανές, ο διακόπτης του ηλεκτρονόμου τροφοδοτεί το πηνίο με ρεύμα, ενεργοποιώντας το έτσι· όταν όμως το πηνίο ενεργοποιηθεί, ο διακόπτης του ηλεκτρονόμου διακόπτει το ρεύμα του πηνίου, προκαλώντας έτσι την αδρανοποίησή του. Δεδομένου ότι η "διόρθωση" που προκαλεί η αρνητική ανάδραση είναι ψηφιακή, δηλαδή ακραία, και όχι ήπια και προοδευτική (αναλογική), το κύκλωμα αυτό είναι ασταθές, δηλαδή ταλαντούται, μ' άλλα λόγια το πηνίο θα αναβοσβήνει συνεχώς, και ο διακόπτης θα ανοιγοκλείνει, αντίστοιχα συνεχώς. Προσοχή: επειδή ο ηλεκτρονόμος αναβοσβήνει πολύ γρήγορα, φθείρεται αντίστοιχα γρήγορα. Γιά να αποφευχθεί σημαντική φθορά του, μην τον αφήνετε να ταλαντούται επί πολλή ώρα. Γιά το σκοπό αυτό προσθέσαμε το διακόπτη "GO": ο ηλεκτρονόμος ταλαντούται μόνο όταν ο "GO" είναι πατημένος· μην πατάτε επί πολλή ώρα τον "GO". Στο εργαστήριο, κατασκευάστε το κύκλωμα αυτό, και δοκιμάστε το εν συντομία.

Πριν το εργαστήριο, κάντε μιά γραφική αναπαράσταση της συμπεριφοράς του ηλεκτρονόμου. Βάλτε στον οριζόντιο άξονα τον χρόνο, και στον κατακόρυφο άξονα το ρεύμα του πηνίου. Το ρεύμα του πηνίου είναι 100 mA όταν ο διακόπτης του ηλεκτρονόμου κάνει επαφή επάνω, και 0 όταν αυτός δεν κάνει επαφή επάνω. Όταν ανάβει το πηνίο (περνάει ρεύμα μέσα από αυτό), η επαφή διακόπτεται μετά από καθυστέρηση 5 ms. Όταν σβήνει το πηνίο (δεν περνάει ρεύμα), η επαφή αποκαθίσταται μετά από καθυστέρηση 3 ms. Οι καθυστερήσεις αυτές οφείλονται στην αδράνεια των κινουμένων μερών του ηλεκτρονόμου (οι αριθμητικές τιμές είναι πλασματικές, αλλά της ίδιας τάξης μεγέθους με τις αληθινές). Θεωρήστε ότι ο διακόπτης GO πατιέται τη χρονική στιγμή t=0, και δείξτε τη συμπεριφορά του ηλεκτρονόμου σαν συνάρτηση του χρόνου, από το χρόνο 0 μέχρι το χρόνο t = 25 ms. Ποιά είναι η περίοδος και ποιά η συχνότητα ταλάντωσης του ηλεκτρονόμου;

RS flip-flop using one relay Πείραμα 2.13:   Μνήμη "RS Flip-Flop" με Ηλεκτρονόμο

Ο ηλεκτρονόμος δεξιά ελέγχει τον εαυτό του με θετική ανάδραση: όταν το πηνίο είναι αδρανές, ο διακόπτης του ηλεκτρονόμου δεν τροφοδοτεί το πηνίο με ρεύμα, κι έτσι το πηνίο παραμένει αδρανές· όταν το πηνίο ενεργοποιηθεί (εξωτερικά), ο ίδιος διακόπτης τροφοδοτεί το πηνίο με ρεύμα, κι έτσι το πηνίο παραμένει ενεργοποιημένο. Άρα, το κύκλωμα αυτό είναι δισταθές: αν ήταν αδρανές παραμένει αδρανές, και αν ήταν ενεργό παραμένει ενεργό, δηλαδή αποτελεί ένα στοιχείο μνήμης χωρητικότητας ενός bit: μπορεί να αποθηκεύσει και να θυμάται μία δυαδική ψηφιακή τιμή (αδρανές ή ενεργό). Το ισοδύναμο αυτού του κυκλώματος, αλλά φτιαγμένο από transistors, λέγεται "flip-flop". Όλα αυτά ισχύουν όσο δεν υπάρχει εξωτερική επίδραση, δηλαδή όσο δεν πατιέται κανένας από τους διακόπτες "SET" και "RESET".

Εάν ο ηλεκτρονόμος είναι αδρανής και πατηθεί το κουμπί SET, τότε παρακάμπτεται ο διακόπτης του ηλεκτρονόμου, και τροφοδοτείται με ρεύμα το πηνίο, με συνέπεια να ενεργοποιηθεί ο ηλεκτρονόμος. Μόλις ενεργοποιηθεί, ο διακόπτης του ηλεκτρονόμου αρχίζει να παρέχει και αυτός ρεύμα στο πηνίο, οπότε πλέον δεν είναι ανάγκη να παραμένει πατημένο το SET προκειμένου να παραμείνει ενεργός ο ηλεκτρονόμος. Άρα, το κουμπί SET "θέτει" (set) το στοιχείο μνήμης στην ενεργή κατάσταση, δηλαδή γράφει στο στοιχείο αυτό τη μία από τις τιμές που αυτό μπορεί να κρατήσει --ας πούμε την τιμή "1".

Εάν ο ηλεκτρονόμος είναι ενεργός και πατηθεί το κουμπί RESET, τότε διακόπτεται η τροφοδοσία ρεύματος στον ηλεκτρονόμο, και επομένως αυτός πηγαίνει στην αδρανή κατάσταση, και παραμένει εκεί ακόμα κι αν αφεθεί το κουμπί RESET (αρκεί να μην είναι πατημένο ταυτόχρονα και το SET). Άρα, το κουμπί RESET "επαναφέρει" (reset) το στοιχείο μνήμης στην αδρανή κατάσταση, δηλαδή γράφει στο στοιχείο αυτό την άλλη από τις τιμές που αυτό μπορεί να κρατήσει --ας πούμε την τιμή "0". Από τα αρχικά των λέξεων RESET και SET, το flip-flop αυτό λέγεται τύπου "RS".

Πριν το εργαστήριο, εξηγήστε γραπτά τι θα συμβεί εάν πατηθούν ταυτόχρονα τα SET και RESET: ποιό υπερισχύει; γιατί; Εάν αφεθεί πρώτο το SET και μετά το RESET, σε ποιά κατάστση θα μείνει το στοιχείο μνήμης; Εάν αφεθούν με αντίστροφη σειρά, τι θα γίνει; Στο εργαστήριο, κατασκευάστε το κύκλωμα και ελέγξτε τη λειτουργία του. Μετά, πατήστε και το SET και το RESET, και προσπαθήστε να τα αφήσετε και τα δύο "ταυτόχρονα": τι θα συμβεί; μπορείτε να πετύχετε πραγματικά απόλυτο "ταυτοχρονισμό";


[Up - Table of Contents]
[Prev - 1. Switch Logic]
[printer version - PDF]
[3. Combinational IC's - Next]

Up to the Home Page of CS-120
 
© copyright University of Crete, Greece.
last updated: 2 Oct. 2012, by M. Katevenis.